Запчасти Komatsu D50A-17 ОСНОВН. МУФТА И НАСОС РУЛЕВ. УПРАВЛ-Я ОСНОВН. МУФТА И ТРАНСМИССИЯ

Схема запчастей Komatsu D50A-17 - ОСНОВН. МУФТА И НАСОС РУЛЕВ. УПРАВЛ-Я ОСНОВН. МУФТА И ТРАНСМИССИЯ
FIT
1:1
100%

Артикул

Название

Примечание

Количество

|$0

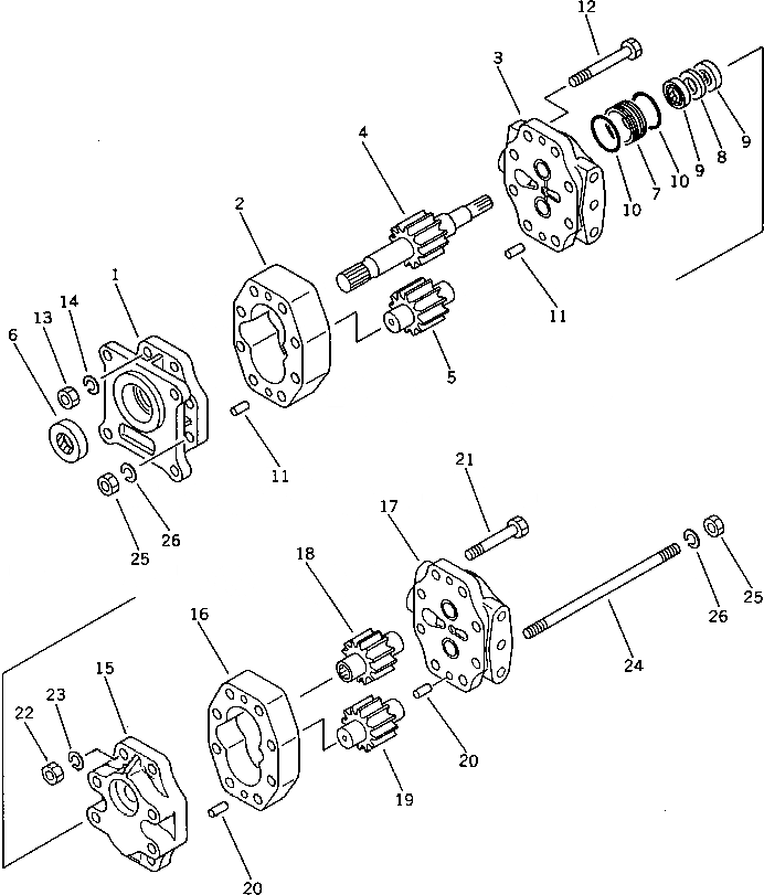
07400-40400

PUMP ASS'Y

SN: 80001-UP

1шт.

|$1

07429-72302

PUMP ASS'Y (FAR28)

SN: 80001-UP

1шт.

1

0

BRACKET

SN: 80001-UP

1шт.

2

0

CASE,GEAR

SN: 80001-UP

1шт.

3

0

CARRIER

SN: 80001-UP

1шт.

4

0

GEAR,DRIVE

SN: 80001-UP

1шт.

5

0

GEAR,DRIVEN

SN: 80001-UP

1шт.

6

07426-71160

SEAL,OIL

SN: 80001-UP

1шт.

7

07426-71370

COLLAR

SN: 80001-UP

1шт.

8

07426-71390

RING

SN: 80001-UP

1шт.

9

07426-71361

SEAL,OIL

SN: 80001-UP

2шт.

10

07426-71380

O-RING

SN: 80001-UP

2шт.

11

0

PIN

SN: 80001-UP

4шт.

12

0

BOLT

SN: 80001-UP

4шт.

13

0

NUT

SN: 80001-UP

4шт.

14

0

WASHER,SPRING

SN: 80001-UP

4шт.

|$16

07427-72400

PUMP ASS'Y (FAR22)

SN: 80001-UP

1шт.

15

0

CARRIER

SN: 80001-UP

1шт.

16

0

CASE,GEAR

SN: 80001-UP

1шт.

17

0

HOUSING

SN: 80001-UP

1шт.

18

0

GEAR,DRIVE

SN: 80001-UP

1шт.

19

0

GEAR,DRIVEN

SN: 80001-UP

1шт.

20

0

PIN

SN: 80001-UP

4шт.

21

0

BOLT

SN: 80001-UP

4шт.

22

0

NUT

SN: 80001-UP

4шт.

23

0

WASHER,SPRING

SN: 80001-UP

4шт.

24

07429-71290

BOLT

SN: 80001-UP

4шт.

25

01582-11008

NUT

SN: 80001-UP

8шт.

26

01602-21030

WASHER,SPRING

SN: 80001-UP

8шт.

Выбрано товаров: 29