Запчасти Komatsu D50A-17 КОРПУС ТРАНСМИССИИ И НАПОЛНИТЕЛЬ ОСНОВН. МУФТА И ТРАНСМИССИЯ

Схема запчастей Komatsu D50A-17 - КОРПУС ТРАНСМИССИИ И НАПОЛНИТЕЛЬ ОСНОВН. МУФТА И ТРАНСМИССИЯ
FIT
1:1
100%

Артикул

Название

Примечание

Количество

|$0

130-14-00530

TRANSMISSION ASS'Y

SN: 82390-UP

1шт.

|$1

130-14-00501

TRANSMISSION ASS'Y

SN: 81013-82389

1шт.

|$2

0

TRANSMISSION ASS'Y

SN: 80001-81012

1шт.

|$3

13F-14-00101

TRANSMISSION ASS'Y

SN: 80000-80000

1шт.

|$4

0

TRANSMISSION ASS'Y

SN: 80000-80000

1шт.

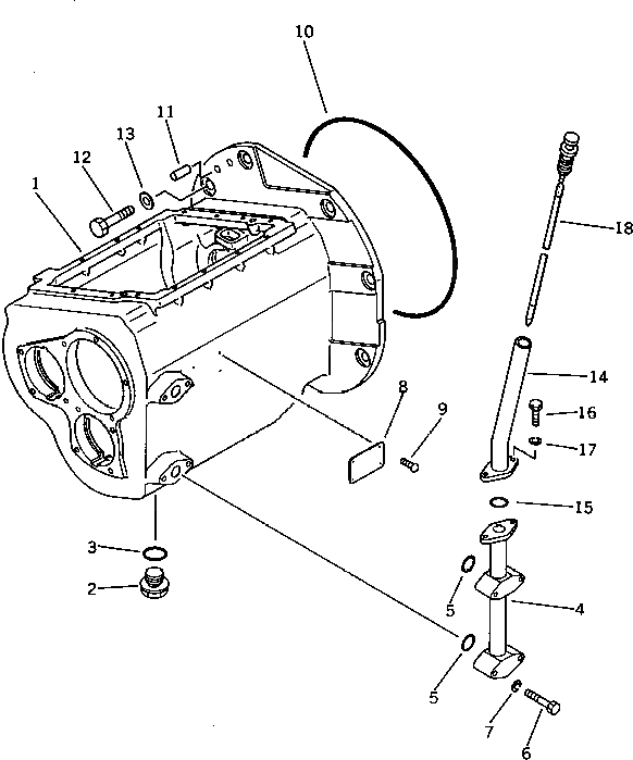
1

130-14-64111

CASE

SN: 80001-UP

1шт.

2

07044-13620

PLUG

SN: 80001-UP

1шт.

3

07002-03634

O-RING

SN: 80001-UP

1шт.

4

120-14-35620

FILLER

SN: 80001-UP

1шт.

5

07000-03035

O-RING

SN: 80001-UP

2шт.

6

01010-31065

BOLT

SN: 80001-UP

4шт.

7

01602-01030

WASHER,SPRING

SN: 80001-UP

4шт.

8

09608-05080

PLATE, NAME,(LIMITED SUPPLY)

SN: 80001-UP

1шт.

9

04418-03060

SCREW

SN: 80001-UP

4шт.

10

07000-05440

O-RING

SN: 80001-UP

1шт.

11

04020-01638

PIN,DOWEL

SN: 80001-UP

1шт.

12

01010-31850

BOLT

SN: 80001-UP

7шт.

13

01643-31845

WASHER

SN: 80001-UP

7шт.

14

130-14-61310

FILLER

SN: 80001-UP

1шт.

15

07000-03035

O-RING

SN: 80001-UP

1шт.

16

01010-31030

BOLT

SN: 80001-UP

2шт.

17

01602-01030

WASHER,SPRING

SN: 80001-UP

2шт.

18

130-14-61320

GAUGE,OIL LEVEL

SN: 80001-UP

1шт.

Выбрано товаров: 23