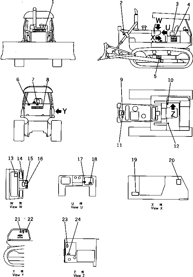
Запчасти Komatsu D50A-17 МАРКИРОВКА (ЯПОН.) ЧАСТИ КОРПУСА

Схема запчастей Komatsu D50A-17 - МАРКИРОВКА (ЯПОН.) ЧАСТИ КОРПУСА
FIT
1:1
100%

Артикул

Название

Примечание

Количество

1

09690-B0280

PLATE, MARK,KOMATSU

SN: 82067-UP

1шт.

1

0

PLATE, MARK,KOMATSU

SN: 80001-82066

1шт.

1

175-54-41420

SCREW

SN: 80001-82066

2шт.

1

175-54-41430

WASHER

SN: 80001-82066

2шт.

2

09667-00100

PLATE, SAFETY,ENGINE COVER

SN: 80001-UP

2шт.

3

130-98-71110

CHART,OIL

SN: 80001-UP

1шт.

4

130-54-75130

PLATE, MARK,D50A

SN: 82067-UP

2шт.

4

0

PLATE, MARK,D50A

SN: 80001-82066

2шт.

5

09657-00110

PLATE, SAFETY,TRACK SHOE ADJUSTING

SN: 80001-UP

2шт.

6

09652-01101

PLATE, CAUTION,FUEL TANK WATER DRAIN

SN: 80001-UP

1шт.

7

09656-01080

PLATE, INSTRUCTION,FUEL TANK STRAINER

SN: 80001-UP

1шт.

8

09690-B0400

PLATE, MARK,KOMATSU

SN: 82067-UP

1шт.

8

0

PLATE, MARK,KOMATSU

SN: 81340-82066

1шт.

8

0

PLATE, MARK,KOMATSU

SN: 80001-81339

1шт.

9

09650-01101

PLATE, INSTRUCTION,WATER LEVEL

SN: 80001-UP

1шт.

10

09670-0000A

PLATE, OPERATING,BLADE CONTROL LEVER (A)

SN: 82525-UP

1шт.

10

09670-00001

PLATE, OPERATING,BLADE CONTROL LEVER (A)

SN: 80001-82524

1шт.

10

09670-0000B

PLATE, OPERATING,BLADE CONTROL LEVER (AT)

SN: 82525-UP

1шт.

10

09670-00004

PLATE, OPERATING,BLADE CONTROL LEVER (AT)

SN: 80001-82524

1шт.

11

09668-00100

PLATE, SAFETY,RADIATOR CAP

SN: 80001-UP

1шт.

12

09687-00070

PLATE, OPERATING,MAIN CLUTCH

SN: 80001-UP

1шт.

13

09674-00005

PLATE, OPERATING,TRANSMISSION CONTROL

SN: 80001-UP

1шт.

14

09654-00100

PLATE, SAFETY,WARNING

SN: 80001-UP

1шт.

15

09173-00100

PLATE, SAFETY,CHECK AND SERVICE CAUTION

SN: 80001-UP

1шт.

16

09651-00100

PLATE, SAFETY,BEFORE OPERATING

SN: 80001-UP

1шт.

17

08670-12001

INDICATOR,DUST

SN: 80001-UP

1шт.

18

09683-01060

PLATE, OPERATING,STARTING SWITCH

SN: 80001-UP

1шт.

19

09602-01635

PLATE, NAME,(LIMITED SUPPLY)

SN: 80001-UP

1шт.

19

04418-13060

SCREW

SN: 80001-UP

4шт.

20

130-98-71310

PLATE,CAUTION

SN: 80001-UP

1шт.

21

09653-00100

PLATE, SAFETY,HYDRAULIC TANK CAP

SN: 80001-UP

1шт.

22

09655-01120

PLATE, INSTRUCTION,OIL FILTER

SN: 80001-UP

1шт.

23

09685-00001

PLATE, OPERATING,BLADE CONTROL LEVER LOCK (A)

SN: 80001-UP

1шт.

23

120-98-31121

PLATE, OPERATING,BLADE CONTROL LEVER LOCK (AT)

SN: 80001-UP

1шт.

24

09685-00004

PLATE, OPERATING,BRAKE LOCK

SN: 80001-UP

1шт.

Выбрано товаров: 35