Запчасти Komatsu D50A-17 ВОЗД. CREANER КРЕПЛЕНИЕ И СОЕДИН-Е (ДЛЯ ПЕСЧАН. ЗАПЫЛЕНН МЕСТН. СПЕЦ-Я.) (КРОМЕ ЯПОН.)(№878-8) ЧАСТИ КОРПУСА

Схема запчастей Komatsu D50A-17 - ВОЗД. CREANER КРЕПЛЕНИЕ И СОЕДИН-Е (ДЛЯ ПЕСЧАН. ЗАПЫЛЕНН МЕСТН.   СПЕЦ-Я.) (КРОМЕ ЯПОН.)(№878-8) ЧАСТИ КОРПУСА
FIT
1:1
100%

Артикул

Название

Примечание

Количество

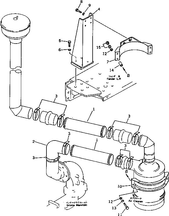
1

130-A46-2160

PIPE

SN: 80718-81012

2шт.

2

120-54-27380

HOSE

SN: 80001-@

1шт.

3

07281-01279

CLAMP

SN: 80718-81012

8шт.

4

130-A46-2140

BRACKET

SN: 80001-@

1шт.

5

01010-51440

BOLT

SN: 80001-@

4шт.

6

01602-21442

WASHER

SN: 80001-@

4шт.

7

130-A46-2150

BRACKET

SN: 80001-@

1шт.

8

01010-51235

BOLT

SN: 80001-@

4шт.

9

01602-21236

WASHER

SN: 80001-@

4шт.

10

120-54-27340

BRACKET

SN: 80001-@

1шт.

10

120-54-27350

RUBBER

SN: 80001-@

1шт.

11

01010-51075

BOLT

SN: 80001-@

4шт.

12

01640-21016

WASHER

SN: 80001-@

8шт.

13

01602-21030

WASHER

SN: 80001-@

4шт.

14

135-54-37160

COLLAR

SN: 80001-@

4шт.

15

01580-11008

NUT

SN: 80001-@

8шт.

Выбрано товаров: 16