Запчасти Komatsu D50A-17 ВОЗД. CREANER КРЕПЛЕНИЕ И СОЕДИН-Е (ДЛЯ ПЕСЧАН. ЗАПЫЛЕНН МЕСТН. СПЕЦ-Я.) (КРОМЕ ЯПОН.)(№8-) ЧАСТИ КОРПУСА

Схема запчастей Komatsu D50A-17 - ВОЗД. CREANER КРЕПЛЕНИЕ И СОЕДИН-Е (ДЛЯ ПЕСЧАН. ЗАПЫЛЕНН МЕСТН.   СПЕЦ-Я.) (КРОМЕ ЯПОН.)(№8-) ЧАСТИ КОРПУСА
FIT
1:1
100%

Артикул

Название

Примечание

Количество

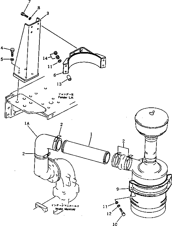
1

130-A46-2160

PIPE

SN: 81013-UP

1шт.

1A

120-54-27380

HOSE

SN: 80001-UP

1шт.

2

07281-01279

CLAMP

SN: 81013-UP

4шт.

3

130-A46-2140

BRACKET

SN: 80001-UP

1шт.

4

01010-51440

BOLT

SN: 80001-UP

4шт.

5

01602-21442

WASHER,SPRING

SN: 80001-UP

4шт.

6

130-A46-2150

BRACKET

SN: 80001-UP

1шт.

6

120-54-27350

RUBBER

SN: 80001-UP

1шт.

6

01580-01210

NUT

SN: 80001-UP

4шт.

7

01010-51235

BOLT

SN: 80001-UP

4шт.

8

01602-21236

WASHER,SPRING

SN: 80001-UP

4шт.

9

120-54-27340

BRACKET

SN: 80001-UP

1шт.

9

120-54-27350

RUBBER

SN: 80001-UP

1шт.

10

01010-51075

BOLT

SN: 80001-UP

4шт.

11

01640-21016

WASHER

SN: 80001-UP

8шт.

12

01602-21030

WASHER,SPRING

SN: 80001-UP

4шт.

13

135-54-37160

COLLAR

SN: 80001-UP

4шт.

14

01580-11008

NUT

SN: 80001-UP

8шт.

Выбрано товаров: 18