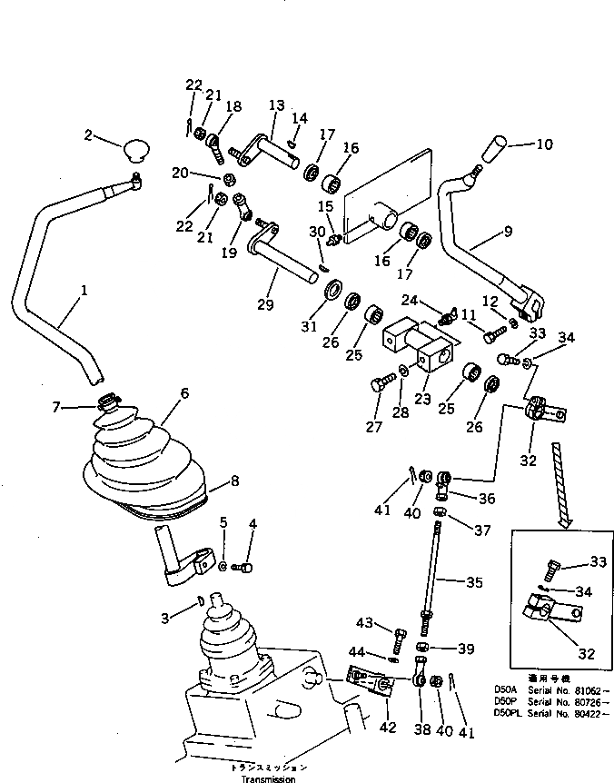
Запчасти Komatsu D50A-17 РЫЧАГ УПРАВЛ-Я ТРАНСМИССИЕЙ ОСНОВН. МУФТА И ТРАНСМИССИЯ

Схема запчастей Komatsu D50A-17 - РЫЧАГ УПРАВЛ-Я ТРАНСМИССИЕЙ ОСНОВН. МУФТА И ТРАНСМИССИЯ
FIT
1:1
100%

Артикул

Название

Примечание

Количество

1

130-43-75111

LEVER

SN: 81001-UP

1шт.

|1

130-43-75110

LEVER

SN: 80001-81000

1шт.

2

09304-01250

KNOB

SN: 80001-UP

1шт.

3

04010-00728

KEY

SN: 80001-UP

1шт.

4

01010-51240

BOLT

SN: 80001-UP

1шт.

5

01602-21236

WASHER,SPRING

SN: 80001-UP

1шт.

6

120-43-36471

BOOT

SN: 80001-UP

1шт.

7

07281-00359

CLAMP

SN: 80001-UP

1шт.

8

07281-02169

CLAMP

SN: 80001-UP

1шт.

9

130-43-75120

LEVER,F-R

SN: 80001-UP

1шт.

10

09304-01240

KNOB

SN: 80001-UP

1шт.

11

01010-50830

BOLT

SN: 80001-UP

1шт.

12

01602-20825

WASHER,SPRING

SN: 80001-UP

1шт.

13

130-43-75130

LEVER

SN: 81001-UP

1шт.

|13

120-43-36233

LEVER

SN: 80001-81000

1шт.

14

04010-00519

KEY

SN: 80001-UP

1шт.

15

07020-00000

FITTING,GREASE

SN: 80001-UP

1шт.

16

06120-02016

BEARING,NEEDLE

SN: 80001-UP

2шт.

17

06122-02004

SEAL,BEARING

SN: 80001-UP

2шт.

18

04252-01269

END

SN: 80001-UP

1шт.

19

04250-41265

END

SN: 80001-UP

1шт.

20

01582-11210

NUT

SN: 80001-UP

1шт.

21

01593-11210

NUT

SN: 80001-UP

2шт.

22

04050-13020

PIN,COTTER

SN: 80001-UP

2шт.

23

130-43-65160

BRACKET

SN: 80001-UP

1шт.

24

07020-00675

FITTING,GREASE

SN: 80001-UP

2шт.

25

06120-02216

BEARING,NEEDLE

SN: 80001-UP

2шт.

26

06122-02204

SEAL,BEARING

SN: 80001-UP

2шт.

27

01010-51225

BOLT

SN: 80001-UP

2шт.

28

01602-21236

WASHER,SPRING

SN: 80001-UP

2шт.

29

130-43-65170

LEVER

SN: 80001-UP

1шт.

30

04010-00519

KEY

SN: 80001-UP

1шт.

31

01640-22232

WASHER

SN: 80001-UP

1шт.

32

130-43-65181

LEVER

SN: 81062-UP

1шт.

|32

0

LEVER

SN: 80001-81061

1шт.

|$$36

(130-43-65181{01010-50835)}

-1шт.

33

01010-50835

BOLT

SN: 81062-UP

1шт.

|33

01010-50835

BOLT

SN: 80001-81061

1шт.

34

01602-20825

WASHER,SPRING

SN: 80001-UP

1шт.

35

04248-31221

ROD

SN: 80001-UP

1шт.

36

04250-61265

END,ROD¤ L.H. THREAD

SN: 80001-UP

1шт.

37

01508-21207

NUT,L.H. THREAD

SN: 80001-UP

1шт.

38

04250-41265

END,ROD

SN: 80001-UP

1шт.

39

01582-11210

NUT

SN: 80001-UP

1шт.

40

01593-11210

NUT

SN: 80001-UP

2шт.

41

04050-13020

PIN,COTTER

SN: 80001-UP

2шт.

42

130-43-65190

LEVER

SN: 80001-UP

1шт.

43

01010-50840

BOLT

SN: 80001-UP

1шт.

44

01602-20825

WASHER,SPRING

SN: 80001-UP

1шт.

Выбрано товаров: 49