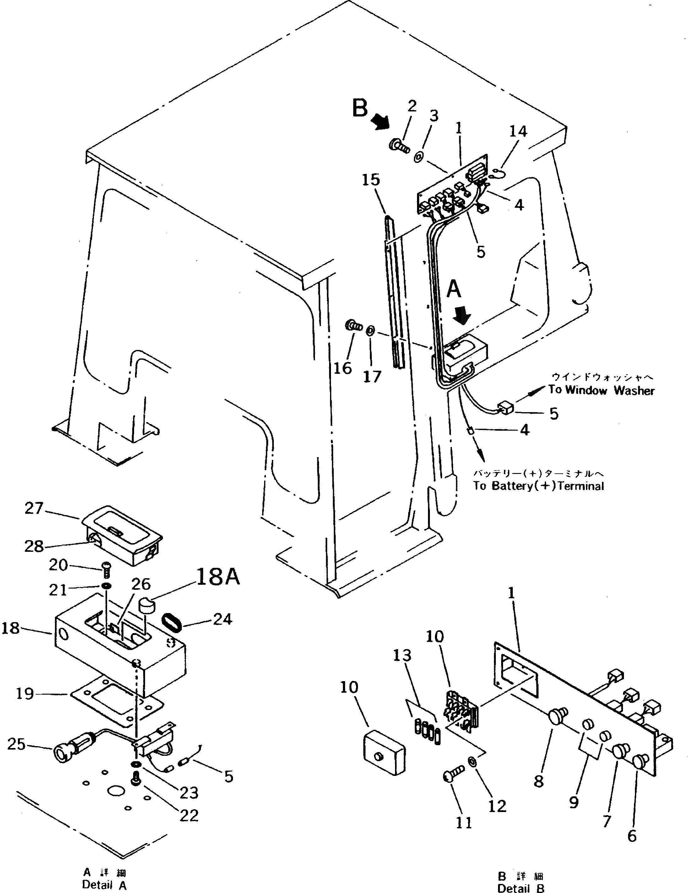
Запчасти Komatsu D50A-18 ЭЛЕКТРИКА (/) (С СТАЛЬНАЯ КАБИНА)(№87-) КАБИНА ОПЕРАТОРА И СИСТЕМА УПРАВЛЕНИЯ

Схема запчастей Komatsu D50A-18 - ЭЛЕКТРИКА (/) (С СТАЛЬНАЯ КАБИНА)(№87-) КАБИНА ОПЕРАТОРА И СИСТЕМА УПРАВЛЕНИЯ
FIT
1:1
100%

Артикул

Название

Примечание

Количество

1

144-Y11-2450

PANEL

SN: 83071-UP

1шт.

2

01220-70510

SCREW

SN: 83071-UP

6шт.

3

01642-40508

WASHER

SN: 83071-UP

6шт.

4

144-Y11-3150

WIRE

SN: 83071-UP

1шт.

5

144-Y11-3160

WIRE

SN: 83071-UP

1шт.

6

08061-50010

SWITCH,HEAD LAMP

SN: 83071-UP

1шт.

7

08060-00020

SWITCH,REAR LAMP

SN: 83071-UP

1шт.

8

144-Y11-1721

SWITCH

SN: 83071-UP

1шт.

9

205-06-61160

SWITCH

SN: 83071-UP

2шт.

10

08043-04000

BOX,FUSE

SN: 83071-UP

1шт.

11

01220-40520

SCREW

SN: 83071-UP

2шт.

12

01601-00513

WASHER,SPRING

SN: 83071-UP

2шт.

13

08040-01000

FUSE¤ 10A

SN: 83071-UP

2шт.

|13

08040-02000

FUSE¤ 20A

SN: 83071-UP

2шт.

14

120-Y79-5840

WIRE ASS'Y

SN: 83071-UP

1шт.

15

144Y-11-3230

COVER

SN: 83071-UP

1шт.

16

01220-40508

SCREW

SN: 83071-UP

3шт.

17

01642-20508

WASHER

SN: 83071-UP

3шт.

18

144-Y11-2920

BOX

SN: 83071-UP

1шт.

18A

144-Y11-3661

SHEET

SN: 83121-UP

1шт.

19

144-Y11-2930

PACKING

SN: 83071-UP

1шт.

20

01220-40616

SCREW

SN: 83071-UP

4шт.

21

01641-20608

WASHER

SN: 83071-UP

4шт.

22

01220-40508

SCREW

SN: 83071-UP

2шт.

23

01641-20508

WASHER

SN: 83071-UP

2шт.

24

144-Y11-3470

BUSHING

SN: 83071-UP

1шт.

25

195-822-6151

LIGHTER

SN: 83071-UP

1шт.

26

203-06-21150

CLIP

SN: 83071-UP

2шт.

27

144-Y11-2910

ASHTRAY

SN: 83071-UP

1шт.

28

144-Y11-2940

WOOL,GLASS

SN: 83071-UP

1шт.

Выбрано товаров: 30