Запчасти Komatsu D50A-18 ТЯГОВ. ЛЕБЕДКА (ПРИВОД) РАБОЧЕЕ ОБОРУДОВАНИЕ

Схема запчастей Komatsu D50A-18 - ТЯГОВ. ЛЕБЕДКА (ПРИВОД) РАБОЧЕЕ ОБОРУДОВАНИЕ
FIT
1:1
100%

Артикул

Название

Примечание

Количество

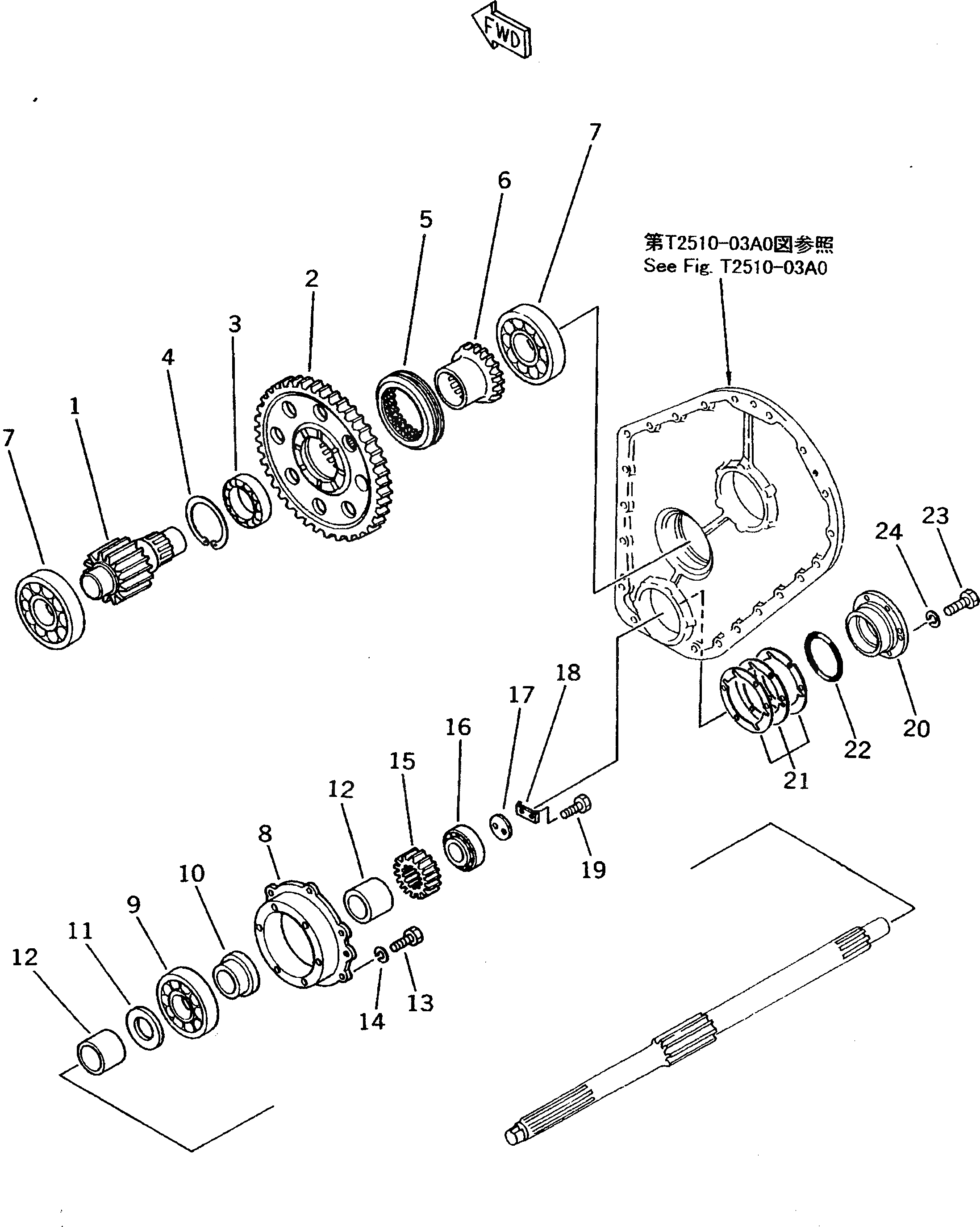
1

130-961-1441

SHAFT

SN: 83001-UP

1шт.

2

130-961-1411

GEAR¤ 53 TEETH

SN: 83001-UP

1шт.

3

130-961-2610

BEARING

SN: 83001-UP

1шт.

4

04071-00110

RING,SNAP

SN: 83001-UP

1шт.

5

170-14-14291

GEAR¤ 22 TEETH

SN: 83001-UP

1шт.

6

130-961-1421

GEAR¤ 22 TEETH

SN: 83001-UP

1шт.

7

130-961-1450

BEARING

SN: 83001-UP

2шт.

8

130-961-1360

FLANGE

SN: 83001-UP

1шт.

9

06040-06217

BEARING,BALL

SN: 83001-UP

1шт.

10

130-961-1350

BUSHING

SN: 83001-UP

1шт.

11

130-961-1340

COLLAR

SN: 83001-UP

1шт.

12

130-961-1330

COLLAR

SN: 83001-UP

2шт.

13

01010-81030

BOLT

SN: 83001-UP

5шт.

14

01602-21030

WASHER,SPRING

SN: 83001-UP

5шт.

15

130-961-1370

GEAR¤ 16 TEETH

SN: 83001-UP

1шт.

16

06002-32309

BEARING,TAPER ROLLER

SN: 83001-UP

1шт.

17

130-961-1390

HOLDER

SN: 83001-UP

1шт.

18

04081-04512

LOCK

SN: 83001-UP

1шт.

19

01010-81022

BOLT

SN: 83001-UP

2шт.

20

130-961-1660

COVER

SN: 83001-UP

1шт.

21

130-961-0520

SHIM ASS'Y

SN: 83001-UP

1шт.

|21

0

SHIM¤ 0.1MM

SN: 83001-UP

4шт.

|21

0

SHIM¤ 0.2MM

SN: 83001-UP

8шт.

|21

0

SHIM¤ 1.0MM

SN: 83001-UP

4шт.

22

07000-05120

O-RING

SN: 83001-UP

1шт.

23

01010-81235

BOLT

SN: 83001-UP

6шт.

24

01602-21236

WASHER,SPRING

SN: 83001-UP

6шт.

Выбрано товаров: 27