Запчасти Komatsu D50A-18 ПАНЕЛЬ (ДЛЯ ОБСЛУЖ.) (ДЛЯ ПОВОРОТН. ОТВАЛА С ИЗМ. УГЛОМ DOZER) РАЗНОЕ

Схема запчастей Komatsu D50A-18 - ПАНЕЛЬ (ДЛЯ ОБСЛУЖ.) (ДЛЯ ПОВОРОТН. ОТВАЛА С ИЗМ. УГЛОМ DOZER) РАЗНОЕ
FIT
1:1
100%

Артикул

Название

Примечание

Количество

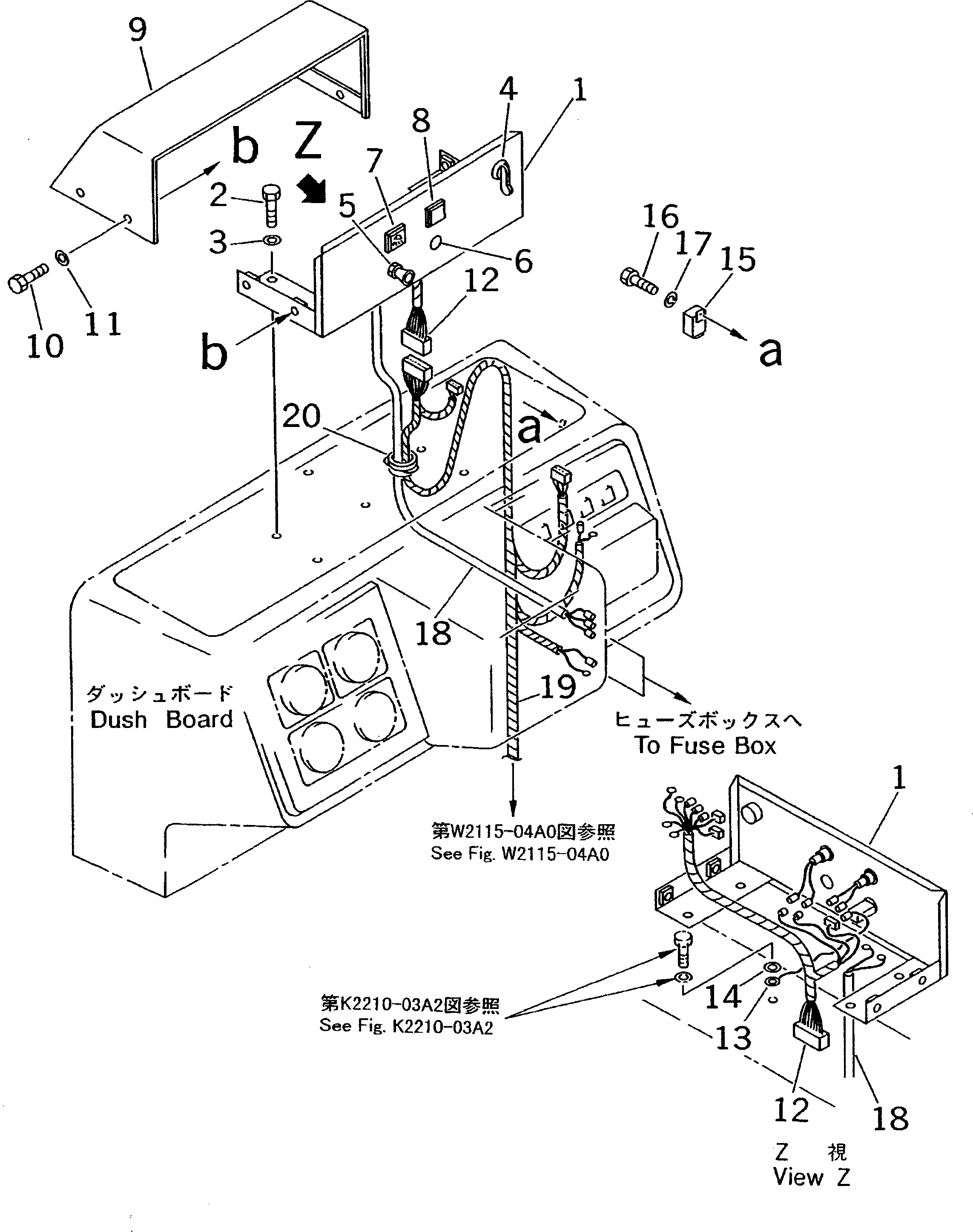
1

113-C60-1340

PANEL

SN: 83001-UP

1шт.

2

01010-81020

BOLT

SN: 83001-UP

4шт.

3

01643-31032

WASHER

SN: 83001-UP

4шт.

4

08075-80000

SWITCH,TURN SIGNAL

SN: 83001-UP

1шт.

5

08061-30030

SWITCH,REAR WORKING LAMP

SN: 83001-UP

1шт.

6

09415-00506

CAP

SN: 83001-UP

1шт.

7

103-B60-2320

LAMP¤ INDICATOR,WORKING LAMP

SN: 83001-UP

1шт.

|7

08111-12430

BULB¤ 3W

SN: 83001-UP

1шт.

8

103-B60-2330

LAMP¤ INDICATOR,TURN SIGNAL

SN: 83001-UP

1шт.

|8

08111-12430

BULB¤ 3W

SN: 83001-UP

1шт.

9

104-B60-2320

COVER

SN: 83001-UP

1шт.

10

01010-80820

BOLT

SN: 83001-UP

4шт.

11

01643-30823

WASHER

SN: 83001-UP

4шт.

12

103-B60-2340

WIRE ASS'Y

SN: 83001-UP

1шт.

13

130-B60-1340

WIRE

SN: 83001-UP

1шт.

14

01643-30823

WASHER

SN: 83001-UP

1шт.

15

08077-22401

FLASHER

SN: 83001-UP

1шт.

16

01010-80612

BOLT

SN: 83001-UP

1шт.

17

01602-20619

WASHER,SPRING

SN: 83001-UP

1шт.

18

130-B60-1260

WIRING HARNESS

SN: 83001-UP

1шт.

19

130-B60-1280

WIRING HARNESS

SN: 83001-UP

1шт.

20

144-06-12150

GROMMET

SN: 83001-UP

1шт.

Выбрано товаров: 22