Запчасти Komatsu D50P-15 КОНЕЧНАЯ ПЕРЕДАЧА И ВАЛ КОНЕЧНАЯ ПЕРЕДАЧА И СИСТЕМАУПРАВЛЕНИЯ ПОВОРОТОМ

Схема запчастей Komatsu D50P-15 - КОНЕЧНАЯ ПЕРЕДАЧА И ВАЛ КОНЕЧНАЯ ПЕРЕДАЧА И СИСТЕМАУПРАВЛЕНИЯ ПОВОРОТОМ
FIT
1:1
100%

Артикул

Название

Примечание

Количество

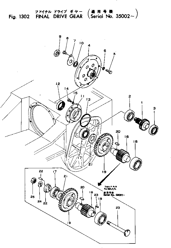
1

135-27-21260

PINION,FIRST

SN: 59001-UP

2шт.

|1

0

PINION,FIRST

SN: 35002-58999

2шт.

|$$3

(135-27-21260{131-27-41113)}

-1шт.

2

06043-00313

BEARING

SN: 35002-UP

2шт.

3

06043-02213

BEARING

SN: 35002-UP

2шт.

4

131-27-41113

FLANGE

SN: 59001-UP

2шт.

|4

0

FLANGE

SN: 53153-58999

2шт.

|$$8

(131-27-41113{135-27-21960)}

-1шт.

|4

0

FLANGE

SN: 35002-53152

2шт.

|$$10

(131-27-41112{130-27-51151¤}

-1шт.

|$$11

130-27-51140)

-1шт.

|4

130-27-51110

FLANGE

SN: 35000-35000

2шт.

|4

130-807-5340

FLANGE

SN: 35000-35000

2шт.

5

01010-31435

BOLT

SN: 53153-UP

16шт.

|5

01040-31435

BOLT

SN: 35002-53152

16шт.

6

01602-01442

WASHER

SN: 35002-UP

16шт.

7

130-27-51140

LOCK

SN: 53153-UP

2шт.

|7

0

WASHER

SN: 35002-53152

2шт.

|$$19

(130-27-51140{131-27-41112¤}

-1шт.

|$$20

130-27-51151)

-1шт.

8

131-27-51120

BOLT

SN: 53153-UP

2шт.

|8

145-27-11230

BOLT

SN: 35002-53152

2шт.

9

130-27-51151

NUT

SN: 53153-UP

2шт.

|9

0

NUT

SN: 35002-53152

2шт.

|$$25

(130-27-51151{130-27-51140¤}

-1шт.

|$$26

131-27-41112)

-1шт.

10

145-27-11240

GASKET (KIT)

SN: 35002-UP

2шт.

11

135-27-11241

CAGE

SN: 35002-UP

2шт.

12

07013-10090

SEAL

SN: 59001-UP

2шт.

|12

0

SEAL

SN: 35002-58999

2шт.

13

07000-05155

O-RING (KIT)

SN: 35002-UP

2шт.

14

01010-31235

BOLT

SN: 35002-UP

12шт.

15

01602-01236

WASHER

SN: 35002-UP

12шт.

16

135-27-21210

PINION,SECOND

SN: 59001-UP

2шт.

|16

135-27-11310

PINION,SECOND

SN: 35002-58999

2шт.

17

130-09-31321

BEARING

SN: 59001-UP

2шт.

|17

130-09-13340

BEARING

SN: 35002-58999

2шт.

18

130-09-31331

BEARING

SN: 59001-UP

2шт.

|18

06043-02314

BEARING

SN: 35002-58999

2шт.

19

135-27-11322

GEAR

SN: 53153-UP

2шт.

|19

135-27-11321

GEAR

SN: 35002-53152

2шт.

20

135-27-11330

KEY

SN: 35002-UP

6шт.

21

135-27-11340

SPACER

SN: 35002-UP

2шт.

22

135-27-21230

HOLDER

SN: 59001-UP

2шт.

|22

04020-00820

PIN

SN: 59001-UP

1шт.

23

135-27-21240

SHAFT

SN: 59001-UP

2шт.

|23

04020-00820

PIN

SN: 59001-UP

1шт.

24

01653-02216

WASHER

SN: 59001-UP

2шт.

25

01583-02213

NUT

SN: 59001-UP

2шт.

Выбрано товаров: 49