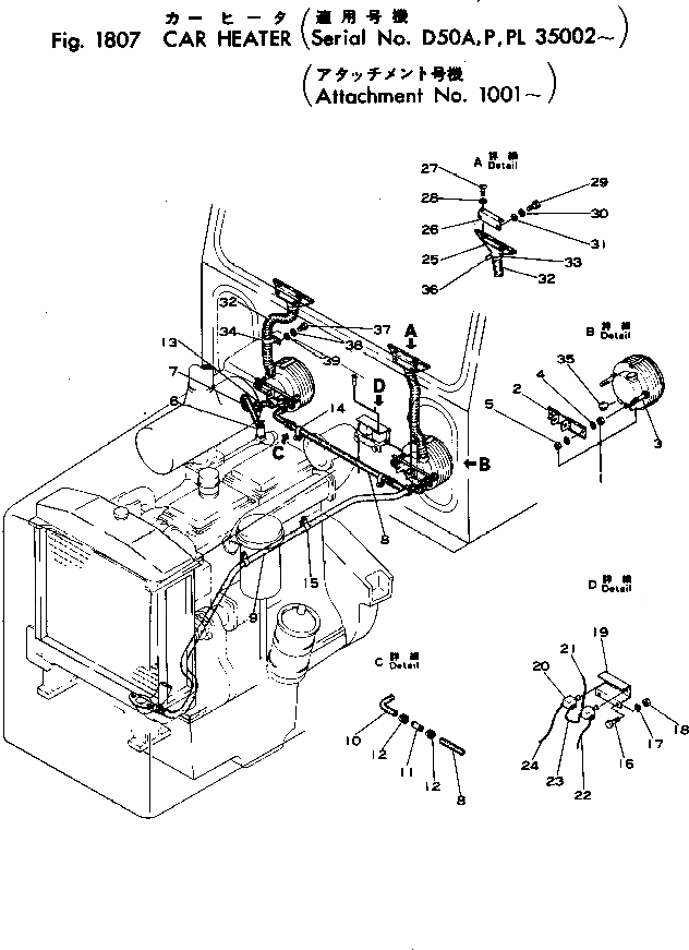
Запчасти Komatsu D50P-15 ОБОГРЕВАТЕЛЬ. (НАВЕСН. ОБОРУД NO. -)(№()-) ОПЦИОННЫЕ КОМПОНЕНТЫ

Схема запчастей Komatsu D50P-15 - ОБОГРЕВАТЕЛЬ. (НАВЕСН. ОБОРУД NO. -)(№()-) ОПЦИОННЫЕ КОМПОНЕНТЫ
FIT
1:1
100%

Артикул

Название

Примечание

Количество

|1

130-902-0042

CAR HEATER ASS'Y

SN: (1001)-UP

2шт.

1

131-912-1112

HEATER

SN: (1001)-UP

2шт.

2

130-902-1330

BRACKET

SN: (1001)-UP

2шт.

3

01040-31020

BOLT

SN: (1001)-UP

4шт.

4

01602-01030

WASHER

SN: (1001)-UP

4шт.

5

01643-01032

WASHER

SN: (1001)-UP

4шт.

6

130-902-1182

VALVE

SN: (1001)-UP

1шт.

7

130-902-1290

HOSE

SN: (1001)-UP

1шт.

8

130-902-1310

HOSE

SN: (1001)-UP

1шт.

9

130-902-1320

HOSE

SN: (1001)-UP

1шт.

10

131-912-1351

TUBE

SN: (1001)-UP

4шт.

11

131-912-1341

TUBE

SN: (1001)-UP

4шт.

12

131-912-1131

CLAMP

SN: (1001)-UP

14шт.

13

08037-02512

GROMMET

SN: (1001)-UP

2шт.

14

130-902-1340

RETAINER

SN: (1001)-UP

2шт.

15

130-902-1350

CLIP

SN: (1001)-UP

3шт.

16

01040-31020

BOLT

SN: (1001)-UP

2шт.

17

01602-01030

WASHER

SN: (1001)-UP

2шт.

18

01503-31008

NUT

SN: (1001)-UP

2шт.

19

130-902-1360

BRACKET

SN: (1001)-UP

1шт.

20

131-912-1122

SWITCH

SN: (1001)-UP

2шт.

21

130-902-1370

CABLE

SN: (1001)-UP

1шт.

22

130-902-1380

CABLE

SN: (1001)-UP

1шт.

23

141-912-1210

CABLE

SN: (1001)-UP

1шт.

24

130-902-1390

CABLE

SN: (1001)-UP

1шт.

25

130-902-2111

NOZZLE

SN: (1001)-UP

2шт.

26

130-902-2280

BRACKET

SN: (1001)-UP

2шт.

27

01210-20512

SCREW

SN: (1001)-UP

4шт.

28

01601-00513

WASHER

SN: (1001)-UP

4шт.

29

01000-30812

BOLT

SN: (1001)-UP

4шт.

30

01602-00825

WASHER

SN: (1001)-UP

4шт.

31

01641-20812

WASHER

SN: (1001)-UP

4шт.

32

130-902-2290

HOSE

SN: (1001)-UP

2шт.

33

130-902-2181

CLAMP

SN: (1001)-UP

4шт.

34

130-902-2310

RETAINER

SN: (1001)-UP

2шт.

35

141-912-2130

PLUG

SN: (1001)-UP

2шт.

36

130-902-2120

TAPE

SN: (1001)-UP

1шт.

37

01000-30612

BOLT

SN: (1001)-UP

2шт.

38

01602-00619

WASHER

SN: (1001)-UP

2шт.

39

01640-20610

WASHER

SN: (1001)-UP

2шт.

Выбрано товаров: 40