Качественные детали и логистика
Оригинальные и аналоговые запчасти с доставкой по России, Казахстану и Беларуси
©2022 PartSell ООО "Система" ИНН 2463123282 ОГРН 1212400004838
Центральный офис: г. Красноярск, Академика Киренского, д.87, пом.4
Телефон: 8 (800) 777-65-74 Email: zakaz@partsell.ru
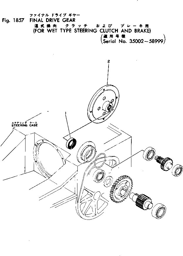
КОНЕЧНАЯ ПЕРЕДАЧА И ВАЛ(ДЛЯ МОКР. ТИПА БОРТОВ. ФРИКЦИОН И ТОРМОЗ.)(№-8999)
№
Артикул
Название
Примечание
Количество
1
07013-10090
SEAL
SN: 35002-58999
2шт.
2
130-99-80500
FLANGE
Выбрано товаров: 0