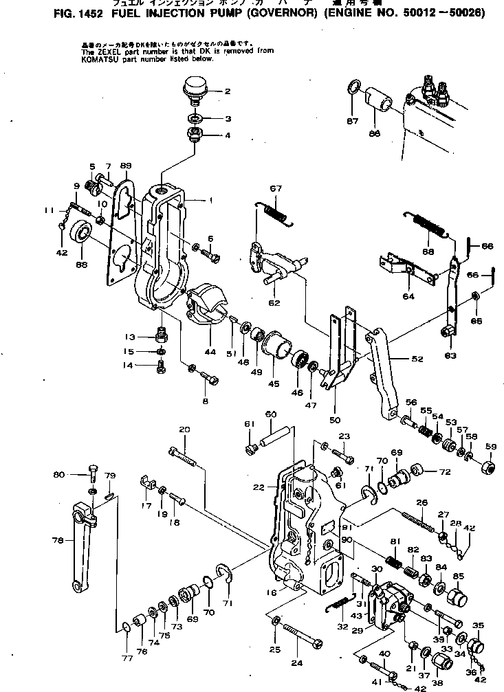
Запчасти Komatsu 4D120-11A ТОПЛ. НАСОС (РЕГУЛЯТОР)(№-) ТОПЛИВН. СИСТЕМА

Схема запчастей Komatsu 4D120-11A - ТОПЛ. НАСОС (РЕГУЛЯТОР)(№-) ТОПЛИВН. СИСТЕМА
FIT
1:1
100%

Артикул

Название

Примечание

Количество

|1

6110-73-1002

INJECTION PUMP ASS'Y

SN: 50012-50026

1шт.

|1

6110-73-1401

GOVERNOR ASS'Y

SN: 50012-50026

1шт.

1

DK54000-360

HOUSING

SN: 50012-50026

1шт.

2

DK55406-012

BREATHER

SN: 50012-50026

1шт.

3

DK26512-164

GASKET

SN: 50012-50026

1шт.

4

DK54007-180

NIPPLE

SN: 50012-50026

1шт.

5

DK54007-020

PLUG

SN: 50012-50026

1шт.

6

DK29050-802

SCREW

SN: 50012-50026

1шт.

7

DK54350-190

EYE

SN: 50012-50026

1шт.

8

DK29050-609

SCREW

SN: 50012-50026

6шт.

9

DK54010-290

BOLT

SN: 50012-50026

1шт.

10

DK54011-010

NUT

SN: 50012-50026

1шт.

11

DK29161-005

WIRE

SN: 50012-50026

1шт.

13

DK55012-010

NIPPLE

SN: 50012-50026

1шт.

14

DK29010-601

BOLT

SN: 50012-50026

1шт.

15

DK26506-104

GASKET

SN: 50012-50026

1шт.

16

DK54021-110

COVER

SN: 50012-50026

1шт.

17

DK54030-060

FORK

SN: 50012-50026

1шт.

18

DK54222-150

PIN

SN: 50012-50026

1шт.

19

DK23640-344

WASHER

SN: 50012-50026

1шт.

20

DK54031-030

BOLT

SN: 50012-50026

1шт.

21

DK23000-604

NUT

SN: 50012-50026

1шт.

22

DK54350-090

PACKING

SN: 50012-50026

1шт.

23

DK29010-647

BOLT

SN: 50012-50026

4шт.

24

DK29010-607

BOLT

SN: 50012-50026

2шт.

25

DK29320-601

WASHER

SN: 50012-50026

2шт.

26

DK54010-290

BOLT

SN: 50012-50026

1шт.

27

DK54011-010

NUT

SN: 50012-50026

1шт.

28

DK29161-003

WIRE

SN: 50012-50026

1шт.

29

DK54060-532

COVER

SN: 50012-50026

1шт.

30

DK31030-532

GAUGE

SN: 50012-50026

1шт.

31

DK54240-010

BOLT

SN: 50012-50026

1шт.

32

DK54241-120

SPRING

SN: 50012-50026

1шт.

33

DK23000-604

NUT

SN: 50012-50026

1шт.

34

DK29631-801

O-RING

SN: 50012-50026

1шт.

35

DK54062-012

CAP

SN: 50012-50026

1шт.

36

DK29161-005

WIRE

SN: 50012-50026

1шт.

37

DK26512-164

GASKET

SN: 50012-50026

1шт.

38

DK54035-052

CAP

SN: 50012-50026

1шт.

39

DK29010-618

BOLT

SN: 50012-50026

2шт.

40

DK29010-638

BOLT

SN: 50012-50026

2шт.

41

DK29161-005

WIRE

SN: 50012-50026

2шт.

42

DK29158-001

SEAL

SN: 50012-50026

5шт.

43

DK54350-110

PACKING

SN: 50012-50026

1шт.

44

DK54100-232

FLYWEIGHT ASS'Y

SN: 50012-50026

1шт.

45

DK54123-010

SLEEVE

SN: 50012-50026

1шт.

46

DK29801-003

BEARING

SN: 50012-50026

1шт.

47

DK29311-001

SHIM¤ 0.20MM

SN: 50012-50026

-2шт.

|47

DK29311-018

SHIM¤ 0.30MM

SN: 50012-50026

-2шт.

|47

DK29311-019

SHIM¤ 0.40MM

SN: 50012-50026

-2шт.

|47

DK29311-021

SHIM¤ 1.00MM

SN: 50012-50026

-2шт.

48

DK29321-202

WASHER

SN: 50012-50026

1шт.

49

DK29231-203

NUT

SN: 50012-50026

1шт.

50

DK54210-012

LEVER ASS'Y

SN: 50012-50026

1шт.

51

DK25803-161

KEY

SN: 50012-50026

1шт.

52

DK54236-220

LEVER

SN: 50012-50026

1шт.

53

DK54170-010

GUIDE

SN: 50012-50026

1шт.

54

DK29310-514

SHIM¤ 0.10MM

SN: 50012-50026

-2шт.

|54

DK29310-515

SHIM¤ 0.20MM

SN: 50012-50026

-2шт.

|54

DK29310-608

SHIM¤ 0.25MM

SN: 50012-50026

-2шт.

|54

DK29310-516

SHIM¤ 0.50MM

SN: 50012-50026

-2шт.

55

DK54172-210

SPRING

SN: 50012-50026

1шт.

56

DK54174-010

ROD

SN: 50012-50026

1шт.

57

DK23500-514

WASHER

SN: 50012-50026

1шт.

58

DK26010-401

RING

SN: 50012-50026

1шт.

59

DK29201-601

NUT

SN: 50012-50026

1шт.

60

DK54237-010

PIN

SN: 50012-50026

1шт.

61

DK54036-030

PLUG

SN: 50012-50026

2шт.

62

DK54200-022

LEVER ASS'Y

SN: 50012-50026

1шт.

63

DK54220-012

LEVER ASS'Y

SN: 50012-50026

1шт.

64

DK54230-012

LINK ASS'Y

SN: 50012-50026

1шт.

65

DK29310-517

WASHER

SN: 50012-50026

1шт.

66

DK25520-121

PIN

SN: 50012-50026

2шт.

67

DK54150-420

SPRING

SN: 50012-50026

1шт.

68

DK54154-080

SPRING

SN: 50012-50026

1шт.

69

DK54204-010

BUSHING

SN: 50012-50026

2шт.

70

DK29631-802

O-RING

SN: 50012-50026

2шт.

71

DK26011-501

RING

SN: 50012-50026

2шт.

72

DK29141-701

PLUG

SN: 50012-50026

1шт.

73

DK29621-101

SEAL

SN: 50012-50026

1шт.

74

DK29311-107

WASHER

SN: 50012-50026

1шт.

75

DK29311-109

WASHER¤ 0.30MM

SN: 50012-50026

-2шт.

76

DK54206-020

SHIM

SN: 50012-50026

1шт.

77

DK54206-010

RING

SN: 50012-50026

1шт.

78

DK54303-832

LEVER

SN: 50012-50026

1шт.

79

DK25803-131

KEY

SN: 50012-50026

1шт.

80

DK29010-635

BOLT

SN: 50012-50026

1шт.

81

DK54157-010

SPRING

SN: 50012-50026

1шт.

82

DK54158-040

SCREW

SN: 50012-50026

1шт.

83

DK29201-213

NUT

SN: 50012-50026

1шт.

84

DK26512-164

GASKET

SN: 50012-50026

1шт.

85

DK54159-010

CAP

SN: 50012-50026

1шт.

86

DK55404-030

CAP

SN: 50012-50026

1шт.

87

DK29331-804

GASKET

SN: 50012-50026

1шт.

88

DK29621-701

SEAL

SN: 50012-50026

1шт.

89

DK54350-080

PACKING

SN: 50012-50026

1шт.

90

DK54032-850

PLATE¤ NAME

SN: 50012-50026

1шт.

91

DK29431-701

PIN

SN: 50012-50026

2шт.

|1

6110-73-1002

INJECTION PUMP ASS'Y

SN: 50012-50026

1шт.

|1

6110-73-1401

GOVERNOR ASS'Y

SN: 50012-50026

1шт.

1

DK54000-360

HOUSING

SN: 50012-50026

1шт.

2

DK55406-012

BREATHER

SN: 50012-50026

1шт.

3

DK26512-164

GASKET

SN: 50012-50026

1шт.

4

DK54007-180

NIPPLE

SN: 50012-50026

1шт.

5

DK54007-020

PLUG

SN: 50012-50026

1шт.

6

DK29050-802

SCREW

SN: 50012-50026

1шт.

7

DK54350-190

EYE

SN: 50012-50026

1шт.

8

DK29050-609

SCREW

SN: 50012-50026

6шт.

9

DK54010-290

BOLT

SN: 50012-50026

1шт.

10

DK54011-010

NUT

SN: 50012-50026

1шт.

11

DK29161-005

WIRE

SN: 50012-50026

1шт.

13

DK55012-010

NIPPLE

SN: 50012-50026

1шт.

14

DK29010-601

BOLT

SN: 50012-50026

1шт.

15

DK26506-104

GASKET

SN: 50012-50026

1шт.

16

DK54021-110

COVER

SN: 50012-50026

1шт.

17

DK54030-060

FORK

SN: 50012-50026

1шт.

18

DK54222-150

PIN

SN: 50012-50026

1шт.

19

DK23640-344

WASHER

SN: 50012-50026

1шт.

20

DK54031-030

BOLT

SN: 50012-50026

1шт.

21

DK23000-604

NUT

SN: 50012-50026

1шт.

22

DK54350-090

PACKING

SN: 50012-50026

1шт.

23

DK29010-647

BOLT

SN: 50012-50026

4шт.

24

DK29010-607

BOLT

SN: 50012-50026

2шт.

25

DK29320-601

WASHER

SN: 50012-50026

2шт.

26

DK54010-290

BOLT

SN: 50012-50026

1шт.

27

DK54011-010

NUT

SN: 50012-50026

1шт.

28

DK29161-003

WIRE

SN: 50012-50026

1шт.

29

DK54060-532

COVER

SN: 50012-50026

1шт.

30

DK31030-532

GAUGE

SN: 50012-50026

1шт.

31

DK54240-010

BOLT

SN: 50012-50026

1шт.

32

DK54241-120

SPRING

SN: 50012-50026

1шт.

33

DK23000-604

NUT

SN: 50012-50026

1шт.

34

DK29631-801

O-RING

SN: 50012-50026

1шт.

35

DK54062-012

CAP

SN: 50012-50026

1шт.

36

DK29161-005

WIRE

SN: 50012-50026

1шт.

37

DK26512-164

GASKET

SN: 50012-50026

1шт.

38

DK54035-052

CAP

SN: 50012-50026

1шт.

39

DK29010-618

BOLT

SN: 50012-50026

2шт.

40

DK29010-638

BOLT

SN: 50012-50026

2шт.

41

DK29161-005

WIRE

SN: 50012-50026

2шт.

42

DK29158-001

SEAL

SN: 50012-50026

5шт.

43

DK54350-110

PACKING

SN: 50012-50026

1шт.

44

DK54100-232

FLYWEIGHT ASS'Y

SN: 50012-50026

1шт.

45

DK54123-010

SLEEVE

SN: 50012-50026

1шт.

46

DK29801-003

BEARING

SN: 50012-50026

1шт.

47

DK29311-001

SHIM¤ 0.20MM

SN: 50012-50026

-2шт.

|47

DK29311-018

SHIM¤ 0.30MM

SN: 50012-50026

-2шт.

|47

DK29311-019

SHIM¤ 0.40MM

SN: 50012-50026

-2шт.

|47

DK29311-021

SHIM¤ 1.00MM

SN: 50012-50026

-2шт.

48

DK29321-202

WASHER

SN: 50012-50026

1шт.

49

DK29231-203

NUT

SN: 50012-50026

1шт.

50

DK54210-012

LEVER ASS'Y

SN: 50012-50026

1шт.

51

DK25803-161

KEY

SN: 50012-50026

1шт.

52

DK54236-220

LEVER

SN: 50012-50026

1шт.

53

DK54170-010

GUIDE

SN: 50012-50026

1шт.

54

DK29310-514

SHIM¤ 0.10MM

SN: 50012-50026

-2шт.

|54

DK29310-515

SHIM¤ 0.20MM

SN: 50012-50026

-2шт.

|54

DK29310-608

SHIM¤ 0.25MM

SN: 50012-50026

-2шт.

|54

DK29310-516

SHIM¤ 0.50MM

SN: 50012-50026

-2шт.

55

DK54172-210

SPRING

SN: 50012-50026

1шт.

56

DK54174-010

ROD

SN: 50012-50026

1шт.

57

DK23500-514

WASHER

SN: 50012-50026

1шт.

58

DK26010-401

RING

SN: 50012-50026

1шт.

59

DK29201-601

NUT

SN: 50012-50026

1шт.

60

DK54237-010

PIN

SN: 50012-50026

1шт.

61

DK54036-030

PLUG

SN: 50012-50026

2шт.

62

DK54200-022

LEVER ASS'Y

SN: 50012-50026

1шт.

63

DK54220-012

LEVER ASS'Y

SN: 50012-50026

1шт.

64

DK54230-012

LINK ASS'Y

SN: 50012-50026

1шт.

65

DK29310-517

WASHER

SN: 50012-50026

1шт.

66

DK25520-121

PIN

SN: 50012-50026

2шт.

67

DK54150-420

SPRING

SN: 50012-50026

1шт.

68

DK54154-080

SPRING

SN: 50012-50026

1шт.

69

DK54204-010

BUSHING

SN: 50012-50026

2шт.

70

DK29631-802

O-RING

SN: 50012-50026

2шт.

71

DK26011-501

RING

SN: 50012-50026

2шт.

72

DK29141-701

PLUG

SN: 50012-50026

1шт.

73

DK29621-101

SEAL

SN: 50012-50026

1шт.

74

DK29311-107

WASHER

SN: 50012-50026

1шт.

75

DK29311-109

WASHER¤ 0.30MM

SN: 50012-50026

-2шт.

76

DK54206-020

SHIM

SN: 50012-50026

1шт.

77

DK54206-010

RING

SN: 50012-50026

1шт.

78

DK54303-832

LEVER

SN: 50012-50026

1шт.

79

DK25803-131

KEY

SN: 50012-50026

1шт.

80

DK29010-635

BOLT

SN: 50012-50026

1шт.

81

DK54157-010

SPRING

SN: 50012-50026

1шт.

82

DK54158-040

SCREW

SN: 50012-50026

1шт.

83

DK29201-213

NUT

SN: 50012-50026

1шт.

84

DK26512-164

GASKET

SN: 50012-50026

1шт.

85

DK54159-010

CAP

SN: 50012-50026

1шт.

86

DK55404-030

CAP

SN: 50012-50026

1шт.

87

DK29331-804

GASKET

SN: 50012-50026

1шт.

88

DK29621-701

SEAL

SN: 50012-50026

1шт.

89

DK54350-080

PACKING

SN: 50012-50026

1шт.

90

DK54032-850

PLATE¤ NAME

SN: 50012-50026

1шт.

91

DK29431-701

PIN

SN: 50012-50026

2шт.

Выбрано товаров: 196