Запчасти Komatsu D50P-16 СИДЕНЬЕ ОПЕРАТОРА (ДЛЯ WEST ГЕРМАН.) ЧАСТИ КОРПУСА

Схема запчастей Komatsu D50P-16 - СИДЕНЬЕ ОПЕРАТОРА (ДЛЯ WEST ГЕРМАН.) ЧАСТИ КОРПУСА
FIT
1:1
100%

Артикул

Название

Примечание

Количество

|$0

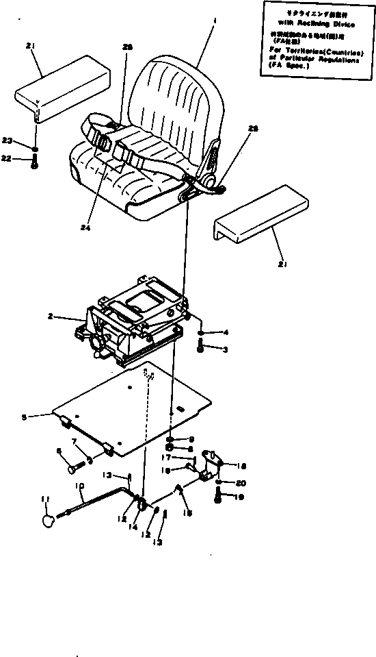
131-57-62200

OPERATOR'S SEAT A.

SN: 65001-UP

1шт.

1

131-57-62300

CUSHION ASS'Y

SN: 65001-UP

1шт.

2

131-57-63000

SUSPENSION ASS'Y

SN: 65001-UP

1шт.

3

01010-31020

BOLT

SN: 65001-UP

4шт.

4

01602-01030

WASHER

SN: 65001-UP

4шт.

5

130-57-61110

PLATE

SN: 65001-UP

1шт.

6

01010-31225

BOLT

SN: 65001-UP

3шт.

7

01602-01236

WASHER

SN: 65001-UP

3шт.

8

01580-01210

NUT

SN: 65001-UP

4шт.

9

01602-01236

WASHER

SN: 65001-UP

4шт.

10

130-57-61120

ROD

SN: 65001-UP

1шт.

11

09304-00835

KNOB

SN: 65001-UP

1шт.

12

01641-00608

WASHER

SN: 65001-UP

2шт.

13

04050-12012

PIN

SN: 65001-UP

2шт.

|$14

09404-10000

SEAT LIFTER ASS'Y

SN: 65001-UP

1шт.

14

09404-00022

LOCK

SN: 65001-UP

1шт.

15

09404-00030

SPRING

SN: 65001-UP

1шт.

16

04205-11035

PIN

SN: 65001-UP

1шт.

17

04050-13015

PIN

SN: 65001-UP

1шт.

18

09404-00010

LIFTER

SN: 65001-UP

1шт.

19

01010-31020

BOLT

SN: 65001-UP

2шт.

20

01602-01030

WASHER

SN: 65001-UP

2шт.

21

12F-57-11250

REST,ARM

SN: 65001-UP

2шт.

22

01010-30816

BOLT

SN: 65001-UP

4шт.

23

01602-00825

WASHER

SN: 65001-UP

4шт.

24

09409-10000

BELT,LAP

SN: 65001-UP

1шт.

25

09409-30000

BELT,TETHER

SN: 65001-UP

2шт.

Выбрано товаров: 27