Запчасти Komatsu D50P-16 ТОПЛИВН. БАК. КОМПОНЕНТЫ ДВИГАТЕЛЯ И ЭЛЕКТРИКА

Схема запчастей Komatsu D50P-16 - ТОПЛИВН. БАК. КОМПОНЕНТЫ ДВИГАТЕЛЯ И ЭЛЕКТРИКА
FIT
1:1
100%

Артикул

Название

Примечание

Количество

|$0

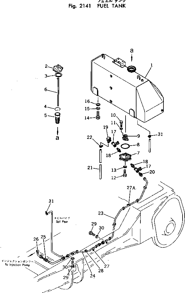
131-04-00300

FUEL TANK ASS'Y

SN: 65001-UP

1шт.

1

0

TANK

SN: 65001-UP

1шт.

2

07050-21200

CAP

SN: 65001-UP

1шт.

3

07050-21202

GASKET

SN: 65001-UP

1шт.

4

07057-04087

RING

SN: 65001-UP

1шт.

5

07056-18416

STRAINER

SN: 65001-UP

1шт.

6

131-04-61120

GAUGE

SN: .-UP

1шт.

6

135-04-21220

GAUGE

SN: 65001-.

1шт.

7

125-04-13110

FLANGE

SN: 65001-UP

1шт.

8

07000-02135

O-RING

SN: 65001-UP

1шт.

9

131-04-43130

STRAINER

SN: 65001-UP

1шт.

10

01010-30812

BOLT

SN: 65001-UP

2шт.

11

01602-00825

WASHER

SN: 65001-UP

2шт.

12

01010-31025

BOLT

SN: 65001-UP

6шт.

13

01602-01030

WASHER

SN: 65001-UP

6шт.

14

01010-31475

BOLT

SN: 65001-UP

6шт.

15

01602-01442

WASHER

SN: 65001-UP

6шт.

16

01643-31445

WASHER

SN: 65001-UP

6шт.

17

07700-40460

VALVE

SN: .-UP

2шт.

17

07700-20504

VALVE

SN: 65001-.

2шт.

18

131-04-54120

NIPPLE

SN: 65001-UP

2шт.

19

131-04-54130

ELBOW

SN: 65001-UP

1шт.

20

131-04-54140

NIPPLE

SN: 65001-UP

1шт.

21

07270-01260

TUBE

SN: 65001-UP

1шт.

22

07280-01620

CLAMP

SN: 65001-UP

1шт.

23

130-04-62120

TUBE

SN: 65001-UP

1шт.

24

130-04-62110

TUBE

SN: 65001-UP

1шт.

25

07104-20204

HOSE

SN: 65001-UP

1шт.

26

131-04-62110

TUBE

SN: 65001-UP

1шт.

27

130-04-11260

CLIP

SN: 65001-UP

3шт.

27A

135-04-32140

CLIP

SN: .-UP

1шт.

27A

130-04-11260

CLIP

SN: 65001-.

1шт.

28

130-04-11270

CLIP

SN: 65001-UP

8шт.

29

01010-31016

BOLT

SN: 65001-UP

3шт.

30

01602-01030

WASHER

SN: 65001-UP

3шт.

31

07280-00810

CLAMP

SN: 65001-UP

2шт.

Выбрано товаров: 0