Запчасти Komatsu D50P-17 ЗАЩИТА ОТ ВАНДАЛИЗМА ОПЦИОННЫЕ КОМПОНЕНТЫ

Схема запчастей Komatsu D50P-17 - ЗАЩИТА ОТ ВАНДАЛИЗМА ОПЦИОННЫЕ КОМПОНЕНТЫ
FIT
1:1
100%

Артикул

Название

Примечание

Количество

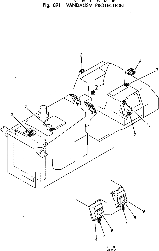
1

07091-11200

CAP,FUEL TANK

SN: 80001-UP

1шт.

2

07092-00000

CAP,HYDRAULIC TANK

SN: 80001-UP

1шт.

3

07093-20000

CAP,RADIATOR

SN: 80001-UP

1шт.

4

144-840-1120

COVER,L.H.

SN: 80001-UP

1шт.

5

120-06-31212

COVER,R.H.

SN: 80001-UP

1шт.

6

144-840-1130

PLATE,PANEL COVER

SN: 80001-UP

2шт.

7

09460-00006

LOCK

SN: 80001-UP

1шт.

Выбрано товаров: 7