Запчасти Komatsu SL4D130-1B ТОПЛ. НАСОС (РЕГУЛЯТОР) (/) ТОПЛИВН. СИСТЕМА

Схема запчастей Komatsu SL4D130-1B - ТОПЛ. НАСОС (РЕГУЛЯТОР) (/) ТОПЛИВН. СИСТЕМА
FIT
1:1
100%

Артикул

Название

Примечание

Количество

|1

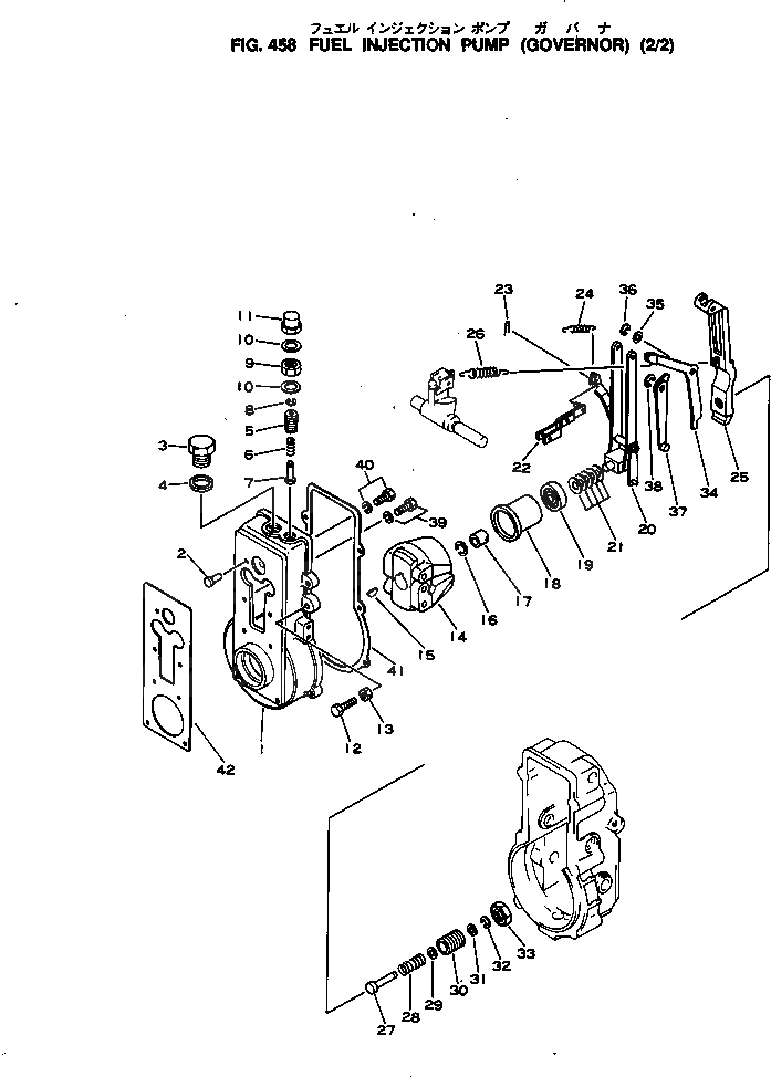
6114-71-1700

INJECTION PUMP ASS'Y

SN: 24224-UP

1шт.

|1

ND090800-5220

GOVERNOR ASS'Y

SN: 24224-UP

1шт.

1

ND090811-0660

HOUSING

SN: 24224-UP

1шт.

2

ND090813-0010

PIN

SN: 24224-UP

1шт.

3

ND090278-0030

PLUG

SN: 24224-UP

1шт.

4

ND949018-1040

WASHER

SN: 24224-UP

1шт.

5

ND090026-0030

SCREW

SN: 24224-UP

1шт.

6

ND090027-0110

SPRING

SN: 24224-UP

1шт.

7

ND090919-0050

ADAPTER

SN: 24224-UP

1шт.

8

ND090894-0010

E-RING

SN: 24224-UP

1шт.

9

ND948053-0090

NUT

SN: 24224-UP

1шт.

10

ND949018-0350

WASHER

SN: 24224-UP

2шт.

11

ND090032-0050

CAP

SN: 24224-UP

1шт.

12

ND090821-0080

STOPPER

SN: 24224-UP

1шт.

13

ND948053-0051

NUT

SN: 24224-UP

2шт.

14

ND090840-0310

FLYWEIGHT ASS'Y

SN: 24224-UP

1шт.

15

ND949130-0050

KEY

SN: 24224-UP

1шт.

16

ND949015-0500

WASHER¤ 2.5MM

SN: 24224-UP

1шт.

17

ND090844-0010

NUT

SN: 24224-UP

1шт.

18

ND090861-0010

SLEEVE

SN: 24224-UP

1шт.

19

ND949100-0010

BEARING

SN: 24224-UP

1шт.

20

ND090930-0120

LEVER ASS'Y

SN: 24224-UP

1шт.

21

ND949013-4090

WASHER¤ 0.1MM

SN: 24224-UP

-2шт.

|21

ND949013-4060

WASHER¤ 0.2MM

SN: 24224-UP

-2шт.

|21

ND949013-4070

WASHER¤ 0.3MM

SN: 24224-UP

-2шт.

|21

ND949013-4080

WASHER¤ 0.4MM

SN: 24224-UP

-2шт.

|21

ND949013-4100

WASHER¤ 1.0MM

SN: 24224-UP

-2шт.

22

ND090970-0170

SHACKLE ASS'Y

SN: 24224-UP

1шт.

23

ND90400-02101

E-RING

SN: 24224-UP

1шт.

24

ND090993-0230

SPRING

SN: 24224-UP

1шт.

25

ND090900-0031

LEVER

SN: 24224-UP

1шт.

26

ND090992-0020

SPRING

SN: 24224-UP

1шт.

|27

ND090911-0650

ADAPTER ASS'Y

SN: 24224-UP

1шт.

27

ND090919-0010

ADAPTER

SN: 24224-UP

1шт.

28

ND090918-0010

SPRING

SN: 24224-UP

1шт.

29

ND949013-3880

WASHER¤ 0.1MM

SN: 24224-UP

-2шт.

|29

ND949013-4040

WASHER¤ 0.2MM

SN: 24224-UP

-2шт.

|29

ND949013-4020

WASHER¤ 0.25MM

SN: 24224-UP

-2шт.

|29

ND949013-4030

WASHER¤ 0.5MM

SN: 24224-UP

-2шт.

30

ND090911-0010

SCREW

SN: 24224-UP

1шт.

31

ND090921-0010

WASHER

SN: 24224-UP

1шт.

32

ND090894-0010

E-RING

SN: 24224-UP

1шт.

33

ND090923-0011

NUT

SN: 24224-UP

1шт.

34

ND091170-0011

LEVER ASS'Y

SN: 24224-UP

1шт.

35

ND949013-0830

WASHER

SN: 24224-UP

3шт.

36

ND090894-0030

E-RING

SN: 24224-UP

1шт.

37

ND091160-0031

LEVER

SN: 24224-UP

1шт.

38

ND090894-0030

E-RING

SN: 24224-UP

1шт.

39

ND91518-06161

BOLT

SN: 24224-UP

6шт.

40

ND91518-08221

BOLT

SN: 24224-UP

1шт.

41

ND090823-0021

GASKET

SN: 24224-UP

1шт.

42

ND098230-0170

GASKET

SN: 24224-UP

1шт.

|1

6114-71-1700

INJECTION PUMP ASS'Y

SN: 24224-UP

1шт.

|1

ND090800-5220

GOVERNOR ASS'Y

SN: 24224-UP

1шт.

1

ND090811-0660

HOUSING

SN: 24224-UP

1шт.

2

ND090813-0010

PIN

SN: 24224-UP

1шт.

3

ND090278-0030

PLUG

SN: 24224-UP

1шт.

4

ND949018-1040

WASHER

SN: 24224-UP

1шт.

5

ND090026-0030

SCREW

SN: 24224-UP

1шт.

6

ND090027-0110

SPRING

SN: 24224-UP

1шт.

7

ND090919-0050

ADAPTER

SN: 24224-UP

1шт.

8

ND090894-0010

E-RING

SN: 24224-UP

1шт.

9

ND948053-0090

NUT

SN: 24224-UP

1шт.

10

ND949018-0350

WASHER

SN: 24224-UP

2шт.

11

ND090032-0050

CAP

SN: 24224-UP

1шт.

12

ND090821-0080

STOPPER

SN: 24224-UP

1шт.

13

ND948053-0051

NUT

SN: 24224-UP

2шт.

14

ND090840-0310

FLYWEIGHT ASS'Y

SN: 24224-UP

1шт.

15

ND949130-0050

KEY

SN: 24224-UP

1шт.

16

ND949015-0500

WASHER¤ 2.5MM

SN: 24224-UP

1шт.

17

ND090844-0010

NUT

SN: 24224-UP

1шт.

18

ND090861-0010

SLEEVE

SN: 24224-UP

1шт.

19

ND949100-0010

BEARING

SN: 24224-UP

1шт.

20

ND090930-0120

LEVER ASS'Y

SN: 24224-UP

1шт.

21

ND949013-4090

WASHER¤ 0.1MM

SN: 24224-UP

-2шт.

|21

ND949013-4060

WASHER¤ 0.2MM

SN: 24224-UP

-2шт.

|21

ND949013-4070

WASHER¤ 0.3MM

SN: 24224-UP

-2шт.

|21

ND949013-4080

WASHER¤ 0.4MM

SN: 24224-UP

-2шт.

|21

ND949013-4100

WASHER¤ 1.0MM

SN: 24224-UP

-2шт.

22

ND090970-0170

SHACKLE ASS'Y

SN: 24224-UP

1шт.

23

ND90400-02101

E-RING

SN: 24224-UP

1шт.

24

ND090993-0230

SPRING

SN: 24224-UP

1шт.

25

ND090900-0031

LEVER

SN: 24224-UP

1шт.

26

ND090992-0020

SPRING

SN: 24224-UP

1шт.

|27

ND090911-0650

ADAPTER ASS'Y

SN: 24224-UP

1шт.

27

ND090919-0010

ADAPTER

SN: 24224-UP

1шт.

28

ND090918-0010

SPRING

SN: 24224-UP

1шт.

29

ND949013-3880

WASHER¤ 0.1MM

SN: 24224-UP

-2шт.

|29

ND949013-4040

WASHER¤ 0.2MM

SN: 24224-UP

-2шт.

|29

ND949013-4020

WASHER¤ 0.25MM

SN: 24224-UP

-2шт.

|29

ND949013-4030

WASHER¤ 0.5MM

SN: 24224-UP

-2шт.

30

ND090911-0010

SCREW

SN: 24224-UP

1шт.

31

ND090921-0010

WASHER

SN: 24224-UP

1шт.

32

ND090894-0010

E-RING

SN: 24224-UP

1шт.

33

ND090923-0011

NUT

SN: 24224-UP

1шт.

34

ND091170-0011

LEVER ASS'Y

SN: 24224-UP

1шт.

35

ND949013-0830

WASHER

SN: 24224-UP

3шт.

36

ND090894-0030

E-RING

SN: 24224-UP

1шт.

37

ND091160-0031

LEVER

SN: 24224-UP

1шт.

38

ND090894-0030

E-RING

SN: 24224-UP

1шт.

39

ND91518-06161

BOLT

SN: 24224-UP

6шт.

40

ND91518-08221

BOLT

SN: 24224-UP

1шт.

41

ND090823-0021

GASKET

SN: 24224-UP

1шт.

42

ND098230-0170

GASKET

SN: 24224-UP

1шт.

Выбрано товаров: 104