Запчасти Komatsu D50PL-17 АККУМУЛЯТОР КОМПОНЕНТЫ ДВИГАТЕЛЯ И ЭЛЕКТРИКА

Схема запчастей Komatsu D50PL-17 - АККУМУЛЯТОР КОМПОНЕНТЫ ДВИГАТЕЛЯ И ЭЛЕКТРИКА
FIT
1:1
100%

Артикул

Название

Примечание

Количество

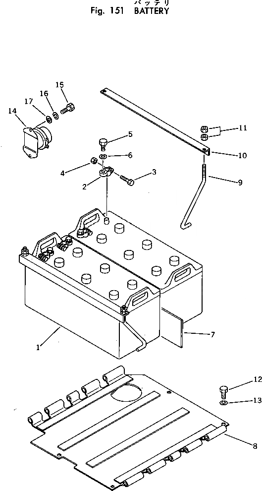
1

08000-02215

BATTERY (145G51)

SN: 80001-UP

2шт.

1

08000-12215

BATTERY (145G51),(DRY TYPE)

SN: 80001-UP

2шт.

2

08000-00000

TERMINAL, (+)

SN: 80001-UP

2шт.

2

08000-00001

TERMINAL, (-)

SN: 80001-UP

2шт.

3

01010-50830

BOLT

SN: 80001-UP

1шт.

4

01580-00806

NUT

SN: 80001-UP

1шт.

5

01050-51018

BOLT

SN: 80001-UP

1шт.

6

01640-21016

WASHER

SN: 80001-UP

1шт.

7

120-06-31171

PLATE

SN: 80001-UP

1шт.

8

120-06-31131

PLATE

SN: 80001-UP

1шт.

8

130-06-71120

PLATE,(FOR DRY TYPE BATTERY)

SN: 80001-UP

1шт.

9

120-06-31151

BOLT

SN: 80001-UP

4шт.

10

120-06-31141

HOLDER

SN: 80001-UP

2шт.

11

01580-11008

NUT

SN: 80001-UP

8шт.

12

01010-51230

BOLT

SN: 80001-UP

4шт.

13

01602-21236

WASHER,SPRING

SN: 80001-UP

4шт.

14

08088-10000

SWITCH,BATTERY

SN: 80001-UP

1шт.

15

01010-50820

BOLT

SN: 80001-UP

2шт.

16

01602-20825

WASHER,SPRING

SN: 80001-UP

2шт.

17

01643-30823

WASHER

SN: 80001-UP

2шт.

Выбрано товаров: 20