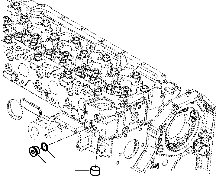
Запчасти Komatsu D51EX A-AA БЛОК ЦИЛИНДРОВ ОХЛАЖДЕНИЕ МАСЛА ГТР ЗАГЛУШКА

Схема запчастей Komatsu D51EX - A-AA БЛОК ЦИЛИНДРОВ ОХЛАЖДЕНИЕ МАСЛА ГТР ЗАГЛУШКА
1
3
2
FIT
1:1
100%

Артикул

Название

Примечание

Количество

1

6732-11-1920

PLUG, PIPE

SN: 30910419-UP

1шт.

|1

6216-14-6820

PLUG, THREADED

SN: 30910419-UP

1шт.

2

NSS

PLUG, THREADED

SN: 30910419-UP

1шт.

3

6216-14-6860

SEAL, O-RING

SN: 30910419-UP

1шт.

Выбрано товаров: 0