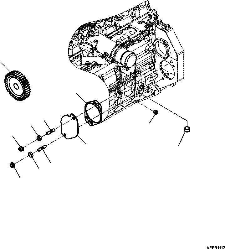
Запчасти Komatsu D51EX A9-AB ЗАДН. ЗУБЧАТ. ПЕРЕДАЧА АКСЕССУАРЫ ПРИВОД КРЕПЛЕНИЕ

Схема запчастей Komatsu D51EX - A9-AB ЗАДН. ЗУБЧАТ. ПЕРЕДАЧА АКСЕССУАРЫ ПРИВОД КРЕПЛЕНИЕ
1
8
5
4
3
2
2
3
4
7
6
FIT
1:1
100%

Артикул

Название

Примечание

Количество

1

6732-11-1920

PLUG, PIPE

SN: 30910419-UP

1шт.

2

6735-81-6140

NUT

SN: 30910419-UP

2шт.

3

6754-22-3130

SPACER, MOUNTING

SN: 30910419-UP

2шт.

4

6741-82-3810

STUD

SN: 30910419-UP

2шт.

5

6754-22-3140

PLATE, COVER

SN: 30910419-UP

1шт.

6

6754-22-3110

GEAR, ACCESSORY DRIVE

SN: 30910419-UP

1шт.

7

6754-21-9120

GASKET, ACCESSORY DRIVE COVER

SN: 30910419-UP

1шт.

8

6754-22-6320

PLUG, THREADED

SN: 30910419-UP

1шт.

Выбрано товаров: 0