Качественные детали и логистика
Оригинальные и аналоговые запчасти с доставкой по России, Казахстану и Беларуси
©2022 PartSell ООО "Система" ИНН 2463123282 ОГРН 1212400004838
Центральный офис: г. Красноярск, Академика Киренского, д.87, пом.4
Телефон: 8 (800) 777-65-74 Email: zakaz@partsell.ru
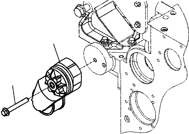
A-AA9 НАТЯЖИТЕЛЬ РЕМНЯ
№
Артикул
Название
Примечание
Количество
1
6731-21-6220
BOLT (M10-1.50x80)
SN: 30910419-UP
1шт.
2
6754-61-4110
TENSIONER, BELT
Выбрано товаров: 0