Запчасти Komatsu D53A-16 БАЛКА БАЛАНСИРА ЧАСТИ КОРПУСА

Схема запчастей Komatsu D53A-16 - БАЛКА БАЛАНСИРА ЧАСТИ КОРПУСА
FIT
1:1
100%

Артикул

Название

Примечание

Количество

|$0

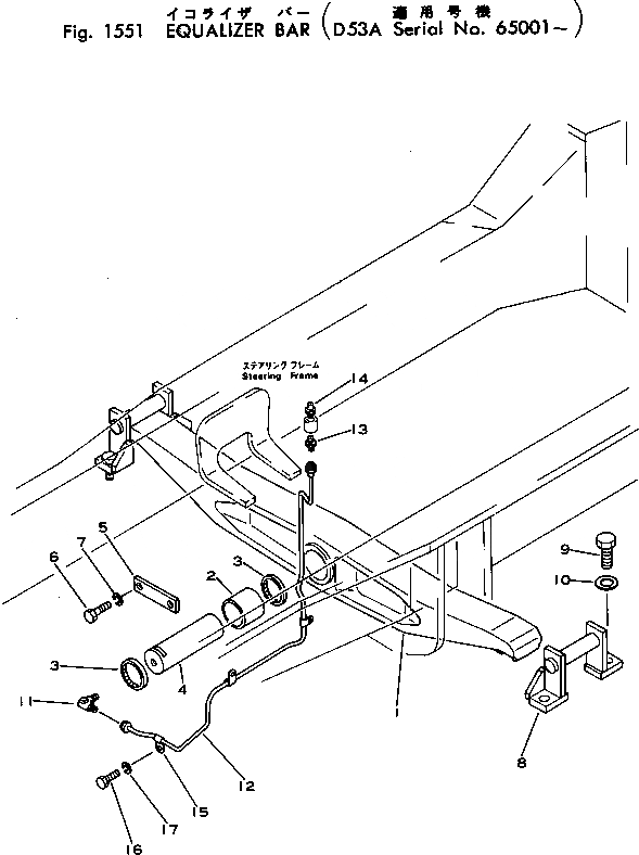
130-50-00300

EQUALIZER BAR ASS'Y

SN: 65001-UP

1шт.

1

0

EQUALIZER BAR

SN: 65001-UP

1шт.

2

131-50-41150

BUSHING

SN: 65001-UP

1шт.

3

130-09-12911

SEAL

SN: 65001-UP

2шт.

4

131-50-41132

PIN

SN: 65001-UP

1шт.

5

131-50-41140

PLATE

SN: 65001-UP

1шт.

6

01010-31635

BOLT

SN: 65001-UP

2шт.

7

01602-01648

WASHER

SN: 65001-UP

2шт.

8

130-50-51120

BRACKET

SN: 65001-UP

2шт.

9

01010-32455

BOLT

SN: 65001-UP

4шт.

10

01643-32460

WASHER

SN: 65001-UP

4шт.

11

07217-50510

ELBOW

SN: 65001-UP

1шт.

12

130-50-61120

TUBE

SN: 65001-UP

1шт.

13

07213-50510

CONNECTOR

SN: 65001-UP

1шт.

14

07020-00000

FITTING

SN: 65001-UP

1шт.

15

08036-10614

CLIP

SN: 65001-UP

3шт.

16

01010-31016

BOLT

SN: 65001-UP

3шт.

17

01602-01030

WASHER

SN: 65001-UP

3шт.

Выбрано товаров: 18