Запчасти Komatsu D53A-17 ОПОРНЫЙ КАТОК(№8-88) ХОДОВАЯ

Схема запчастей Komatsu D53A-17 - ОПОРНЫЙ КАТОК(№8-88) ХОДОВАЯ
FIT
1:1
100%

Артикул

Название

Примечание

Количество

|$1

0

TRACK ROLLER ASS'Y,SINGLE FLANGE

SN: 81650-82480

8шт.

|$$2

(131-30-00343,01010-81665(4))

-1шт.

|$3

0

TRACK ROLLER ASS'Y,SINGLE FLANGE

SN: 80001-81649

8шт.

|$$4

(131-30-00343,01010-81665(4))

-1шт.

|$5

0

TRACK ROLLER ASS'Y,DOUBLE FLANGE

SN: 81650-82480

4шт.

|$$6

(131-30-00353,01010-81665(4))

-1шт.

|$7

0

TRACK ROLLER ASS'Y,DOUBLE FLANGE

SN: 80001-81649

4шт.

|$$8

(131-30-00353,01010-81665(4))

-1шт.

|$9

0

TRACK ROLLER ASS'Y,SINGLE FLANGE

SN: 80000-80000

10шт.

|$$10

(131-30-00343,01010-81665(4))

-1шт.

|$11

0

TRACK ROLLER ASS'Y,DOUBLE FLANGE

SN: 80000-80000

6шт.

|$$12

(131-30-00353,01010-81665(4))

-1шт.

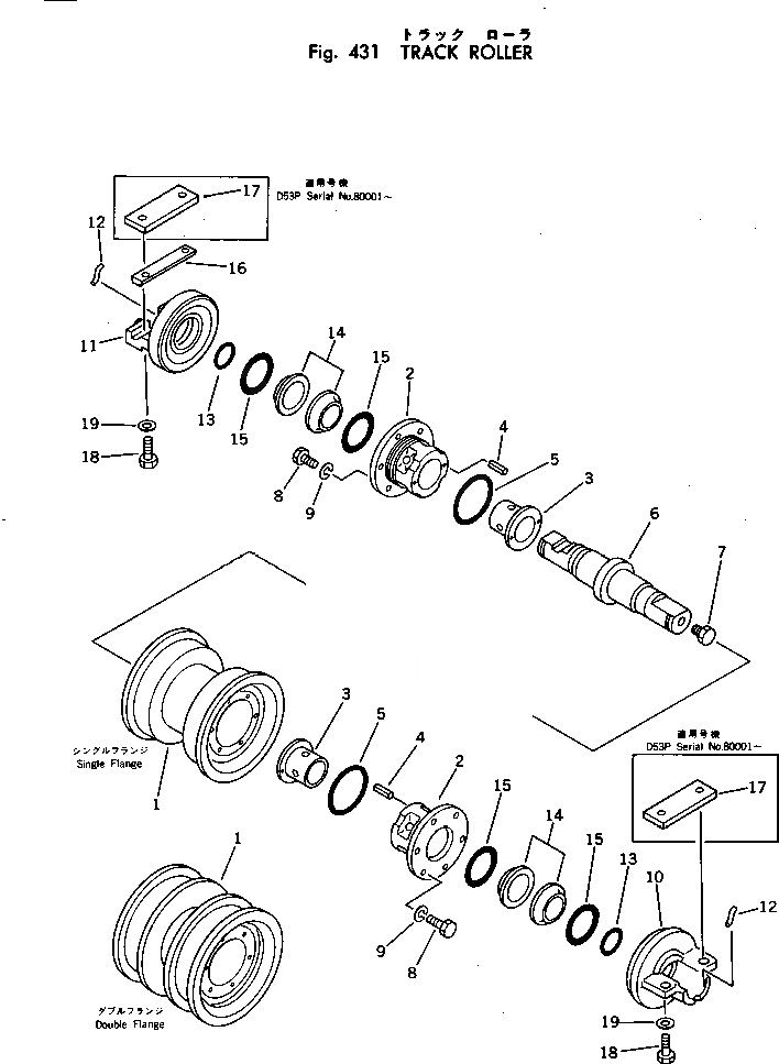
1

140-30-16240

ROLLER,SINGLE FLANGE

SN: 81650-82480

1шт.

1

0

ROLLER,SINGLE FLANGE

SN: 80001-81649

1шт.

1

140-30-16260

ROLLER,DOUBLE FLANGE

SN: 81650-82480

1шт.

1

0

ROLLER,DOUBLE FLANGE

SN: 80001-81649

1шт.

|$17

131-30-00110

BUSHING ASS'Y

SN: 80001-82480

2шт.

2

0

BUSHING

SN: 80001-82480

1шт.

3

131-30-46130

BUSHING

SN: 80001-82480

1шт.

4

141-30-36310

PIN

SN: 80001-82480

2шт.

5

07000-03092

O-RING

SN: 80001-82480

2шт.

6

141-30-16111

SHAFT

SN: 80001-82480

1шт.

7

07052-11624

PLUG

SN: 80001-82480

1шт.

8

01010-31025

BOLT

SN: 80001-82480

12шт.

9

01602-01030

WASHER

SN: 80001-82480

12шт.

10

140-30-16162

COLLAR

SN: 80001-82480

1шт.

11

140-30-16170

COLLAR

SN: 80001-82480

1шт.

12

130-09-16740

RING

SN: 80001-82480

2шт.

13

07000-03045

O-RING

SN: 80001-82480

2шт.

|$30

140-30-00141

FLOATING SEAL ASS'Y

SN: 80001-82480

2шт.

14

140-30-00401

SEAL RING ASS'Y

SN: 80001-82480

1шт.

14

0

RING,SEAL

SN: 80001-82480

2шт.

15

140-30-00411

O-RING ASS'Y

SN: 80001-82480

1шт.

15

0

O-RING

SN: 80001-82480

2шт.

16

130-30-16120

LOCK

SN: 80001-82480

12шт.

16

130-30-16120

LOCK

SN: 80000-80000

16шт.

17

13F-30-21230

PLATE

SN: 80000-80000

32шт.

18

01010-31665

BOLT

SN: 80001-82480

48шт.

18

01010-31665

BOLT

SN: 80000-80000

64шт.

19

01643-31645

WASHER

SN: 80001-82480

48шт.

19

01643-31645

WASHER

SN: 80000-80000

64шт.

Выбрано товаров: 41