Запчасти Komatsu D53A-17 ГИДР. БАК. AND УПРАВЛЯЮЩ. КЛАПАН (/) ОСНОВН. КОМПОНЕНТЫ И РЕМКОМПЛЕКТЫ

Схема запчастей Komatsu D53A-17 - ГИДР. БАК. AND УПРАВЛЯЮЩ. КЛАПАН (/) ОСНОВН. КОМПОНЕНТЫ И РЕМКОМПЛЕКТЫ
FIT
1:1
100%

Артикул

Название

Примечание

Количество

|$2

130-Z20-5401

TANK VALVE ASS'Y

SN: 82225-UP

1шт.

|$3

130-Z20-5400

TANK VALVE ASS'Y

SN: 80001-82224

1шт.

|$$3

THESE ASSEMBLIES CONSIST OF ALL PARTS SHOWN IN FIGS.Y1660-01A0 TO Y1660-04A0.

-1шт.

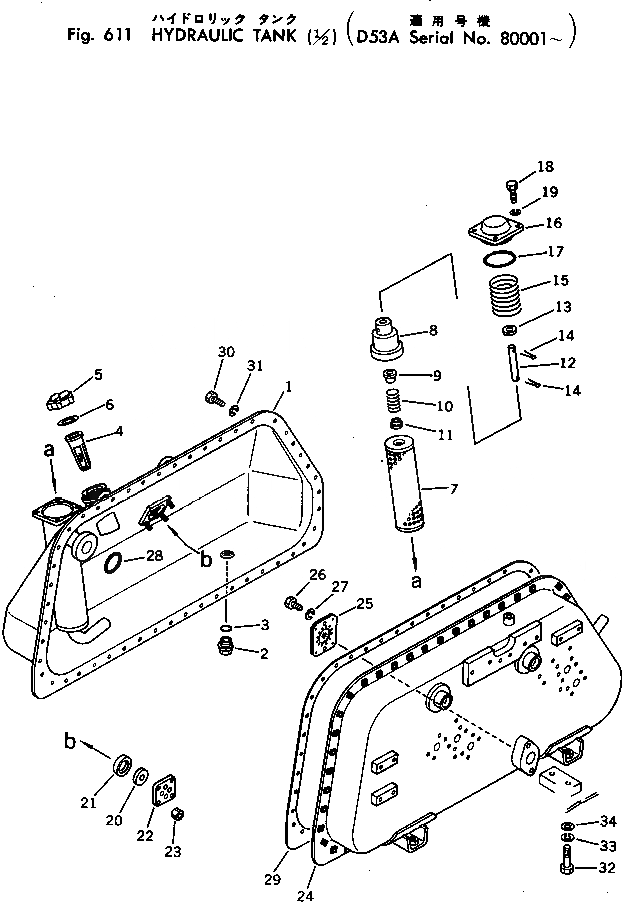
1

130-60-63120

TANK

SN: 80001-UP

1шт.

2

07044-13620

PLUG

SN: 80001-UP

1шт.

3

07002-03634

O-RING

SN: 80001-UP

1шт.

4

141-60-33730

STRAINER

SN: 80001-UP

1шт.

5

07051-00000

CAP

SN: 80001-UP

1шт.

6

07051-00003

GASKET

SN: 80001-UP

1шт.

7

130-60-48210

ELEMENT

SN: 80001-UP

1шт.

8

130-60-42211

SEAT

SN: 80001-UP

1шт.

9

130-60-42220

VALVE

SN: 80001-UP

1шт.

10

130-60-42320

SPRING

SN: 80001-UP

1шт.

11

130-60-42230

SEAT

SN: 80001-UP

1шт.

12

130-60-42310

ROD

SN: 80001-UP

1шт.

13

130-60-42240

PLATE

SN: 80001-UP

1шт.

14

04050-03015

PIN

SN: 80001-UP

2шт.

15

111-60-13370

SPRING

SN: 80001-UP

1шт.

16

130-60-42190

COVER

SN: 80001-UP

1шт.

17

07000-02080

O-RING

SN: 80001-UP

1шт.

18

01010-31025

BOLT

SN: 80001-UP

4шт.

19

01602-01030

WASHER

SN: 80001-UP

4шт.

20

07715-00651

COVER

SN: 80001-UP

1шт.

21

07715-11257

RING

SN: 80001-UP

1шт.

22

07715-21074

CASE

SN: 80001-UP

1шт.

23

01598-11011

NUT

SN: 80001-UP

4шт.

24

130-Z20-5410

TANK

SN: 80001-UP

1шт.

25

144-60-13311

STRAINER

SN: 80001-UP

1шт.

26

01010-31020

BOLT

SN: 80001-UP

2шт.

27

01602-01030

WASHER

SN: 80001-UP

2шт.

28

130-Z20-5250

O-RING

SN: 80001-UP

1шт.

29

144-60-21131

GASKET

SN: 82225-UP

1шт.

29

144-60-21130

GASKET

SN: 80001-82224

1шт.

30

01010-31025

BOLT

SN: 80001-UP

49шт.

31

01602-01030

WASHER

SN: 80001-UP

49шт.

32

01010-31440

BOLT

SN: 80001-UP

5шт.

33

01602-01442

WASHER

SN: 80001-UP

5шт.

34

01643-31445

WASHER

SN: 80001-UP

5шт.

Выбрано товаров: 38