Запчасти Komatsu D53A-18 ГИДР. БАК. AND УПРАВЛЯЮЩ. КЛАПАН (/) (ДЛЯ ПОВОРОТНОГО ОТВАЛА И РЫХЛИТЕЛЬ) ОСНОВН. КОМПОНЕНТЫ И РЕМКОМПЛЕКТЫ

Схема запчастей Komatsu D53A-18 - ГИДР. БАК. AND УПРАВЛЯЮЩ. КЛАПАН (/) (ДЛЯ ПОВОРОТНОГО ОТВАЛА И РЫХЛИТЕЛЬ) ОСНОВН. КОМПОНЕНТЫ И РЕМКОМПЛЕКТЫ
FIT
1:1
100%

Артикул

Название

Примечание

Количество

|1

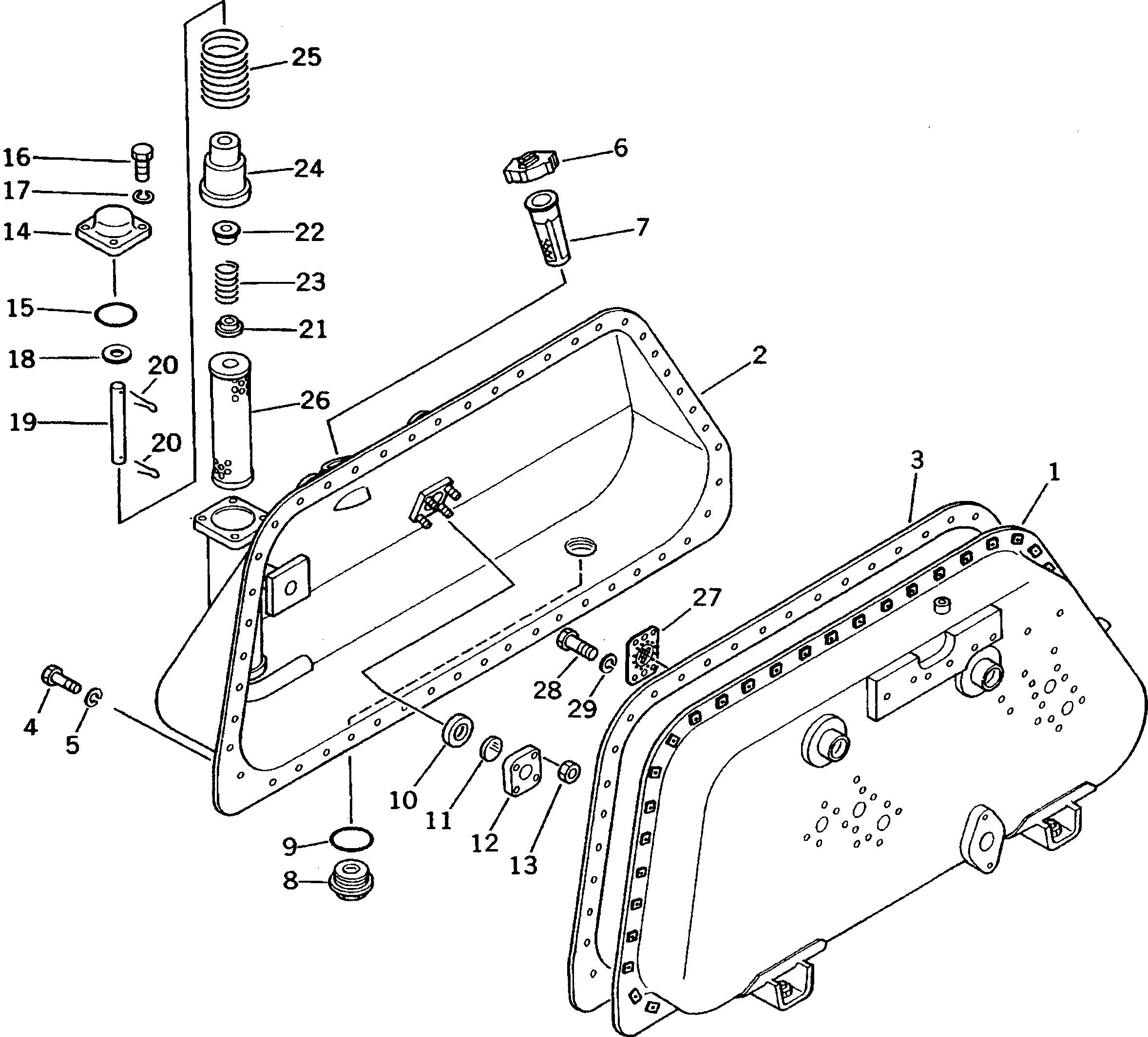
130-78-72001

TANK VALVE ASS'Y

SN: 83158-UP

1шт.

|1

130-78-72000

TANK VALVE ASS'Y

SN: 83001-83157

1шт.

|$$3

THESE ASSEMBLIES CONSIST OF ALL PARTS SHOWN IN FIGS.Y1663-01A0 TO Y1663-05A0.

-1шт.

1

130-Z20-5410

TANK

SN: 83001-UP

1шт.

2

130-60-63120

TANK

SN: 83001-UP

1шт.

3

144-60-21131

GASKET

SN: 83158-UP

1шт.

|3

144-60-21130

GASKET

SN: 83001-83157

1шт.

4

01010-51025

BOLT

SN: 83001-UP

49шт.

5

01602-21030

WASHER,SPRING

SN: 83001-UP

49шт.

6

07051-00000

CAP

SN: 83001-UP

1шт.

7

141-60-33730

STRAINER

SN: 83001-UP

1шт.

8

07044-13620

PLUG

SN: 83001-UP

1шт.

9

07002-03634

O-RING

SN: 83001-UP

1шт.

10

07715-11257

RING

SN: 83001-UP

1шт.

11

07715-00651

COVER

SN: 83001-UP

1шт.

12

07715-21074

CASE

SN: 83001-UP

1шт.

13

01598-11011

NUT

SN: 83001-UP

4шт.

14

130-60-42190

COVER

SN: 83001-UP

1шт.

15

07000-02080

O-RING

SN: 83001-UP

1шт.

16

01010-51025

BOLT

SN: 83001-UP

4шт.

17

01602-21030

WASHER,SPRING

SN: 83001-UP

4шт.

18

130-60-42240

PLATE

SN: 83001-UP

1шт.

19

130-60-42310

ROD

SN: 83001-UP

1шт.

20

04050-03015

PIN,COTTER

SN: 83001-UP

2шт.

21

130-60-42230

SEAT

SN: 83001-UP

1шт.

22

130-60-42220

VALVE

SN: 83001-UP

1шт.

23

130-60-42320

SPRING

SN: 83001-UP

1шт.

24

130-60-42211

SEAT

SN: 83001-UP

1шт.

25

111-60-13370

SPRING

SN: 83001-UP

1шт.

26

130-60-48210

ELEMENT

SN: 83001-UP

1шт.

27

144-60-13311

STRAINER

SN: 83001-UP

1шт.

28

01010-31020

BOLT

SN: 83001-UP

2шт.

29

01602-01030

WASHER,SPRING

SN: 83001-UP

2шт.

Выбрано товаров: 33