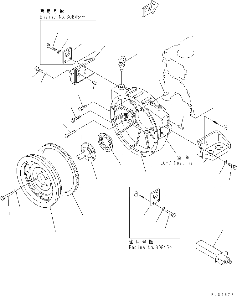
Запчасти Komatsu 6D125-1VV МАХОВИК И КАРТЕР МАХОВИКА БЛОК ЦИЛИНДРОВ

Схема запчастей Komatsu 6D125-1VV - МАХОВИК И КАРТЕР МАХОВИКА БЛОК ЦИЛИНДРОВ
1
2
3
4
5
6
7
8
9
10
11
12
13
14
15
15
16
16
17
17
18
18
19
19
20
20
21
1
2
3
4
5
6
7
8
9
10
11
12
13
14
15
15
16
16
17
17
18
18
19
19
20
20
21
FIT
1:1
100%

Артикул

Название

Примечание

Количество

1

6150-21-4310

HOUSING,FLYWHEEL

SN: 26684-UP

1шт.

2

04530-02438

BOLT,EYE

SN: 26684-UP

2шт.

3

6150-21-4770

PIN,DOWEL

SN: 26684-UP

2шт.

4

01010-31650

BOLT

SN: 26684-UP

6шт.

5

01010-31665

BOLT

SN: 26684-UP

2шт.

6

01010-31040

BOLT

SN: 26684-UP

2шт.

7

6150-21-4250

SEAL¤ REAR (K2)

SN: 26684-UP

1шт.

|7

6150-29-4250

SEAL¤ REAR,(SERVICE PARTS)

SN: 26684-UP

1шт.

|8

6151-31-1271

FLYWHEEL ASS'Y

SN: 26684-UP

1шт.

8

0

FLYWHEEL

SN: 26684-UP

1шт.

9

6150-31-1341

GEAR,RING

SN: 26684-UP

1шт.

10

6150-31-1610

SHAFT

SN: 26684-UP

1шт.

11

01050-31665

BOLT

SN: 26684-UP

6шт.

12

01643-31645

WASHER

SN: 26684-UP

6шт.

13

130-01-71120

BRACKET,L.H.

SN: 26684-UP

1шт.

14

130-01-71130

BRACKET,R.H.

SN: 26684-UP

1шт.

15

04020-01228

PIN,DOWEL

SN: 26684-UP

4шт.

16

01010-51440

BOLT

SN: 30845-UP

4шт.

|16

01010-51440

BOLT

SN: 26684-30844

8шт.

17

01643-31445

WASHER

SN: 30845-UP

4шт.

|17

01643-31445

WASHER

SN: 26684-30844

8шт.

18

6150-21-4920

PLATE

SN: 30845-UP

2шт.

19

01010-51450

BOLT

SN: 30845-UP

4шт.

20

01643-31445

WASHER

SN: 30845-UP

4шт.

21

09920-00150

LIQUID GASKET,LG-7¤ 150G

SN: 26684-UP

-2шт.

1

6150-21-4310

HOUSING,FLYWHEEL

SN: 26684-UP

1шт.

2

04530-02438

BOLT,EYE

SN: 26684-UP

2шт.

3

6150-21-4770

PIN,DOWEL

SN: 26684-UP

2шт.

4

01010-31650

BOLT

SN: 26684-UP

6шт.

5

01010-31665

BOLT

SN: 26684-UP

2шт.

6

01010-31040

BOLT

SN: 26684-UP

2шт.

7

6150-21-4250

SEAL¤ REAR (K2)

SN: 26684-UP

1шт.

|7

6150-29-4250

SEAL¤ REAR,(SERVICE PARTS)

SN: 26684-UP

1шт.

|8

6151-31-1271

FLYWHEEL ASS'Y

SN: 26684-UP

1шт.

8

0

FLYWHEEL

SN: 26684-UP

1шт.

9

6150-31-1341

GEAR,RING

SN: 26684-UP

1шт.

10

6150-31-1610

SHAFT

SN: 26684-UP

1шт.

11

01050-31665

BOLT

SN: 26684-UP

6шт.

12

01643-31645

WASHER

SN: 26684-UP

6шт.

13

130-01-71120

BRACKET,L.H.

SN: 26684-UP

1шт.

14

130-01-71130

BRACKET,R.H.

SN: 26684-UP

1шт.

15

04020-01228

PIN,DOWEL

SN: 26684-UP

4шт.

16

01010-51440

BOLT

SN: 30845-UP

4шт.

|16

01010-51440

BOLT

SN: 26684-30844

8шт.

17

01643-31445

WASHER

SN: 30845-UP

4шт.

|17

01643-31445

WASHER

SN: 26684-30844

8шт.

18

6150-21-4920

PLATE

SN: 30845-UP

2шт.

19

01010-51450

BOLT

SN: 30845-UP

4шт.

20

01643-31445

WASHER

SN: 30845-UP

4шт.

21

09920-00150

LIQUID GASKET,LG-7¤ 150G

SN: 26684-UP

-2шт.

Выбрано товаров: 0