Запчасти Komatsu D540E HAND РУЛЕВ. УПРАВЛЕНИЕ СИСТЕМАУПРАВЛЕНИЯ ПОВОРОТОМ, ПЕРЕДНИЙ МОСТ, ТОРМОЗ. СИСТЕМА

Схема запчастей Komatsu D540E - HAND РУЛЕВ. УПРАВЛЕНИЕ СИСТЕМАУПРАВЛЕНИЯ ПОВОРОТОМ, ПЕРЕДНИЙ МОСТ, ТОРМОЗ. СИСТЕМА
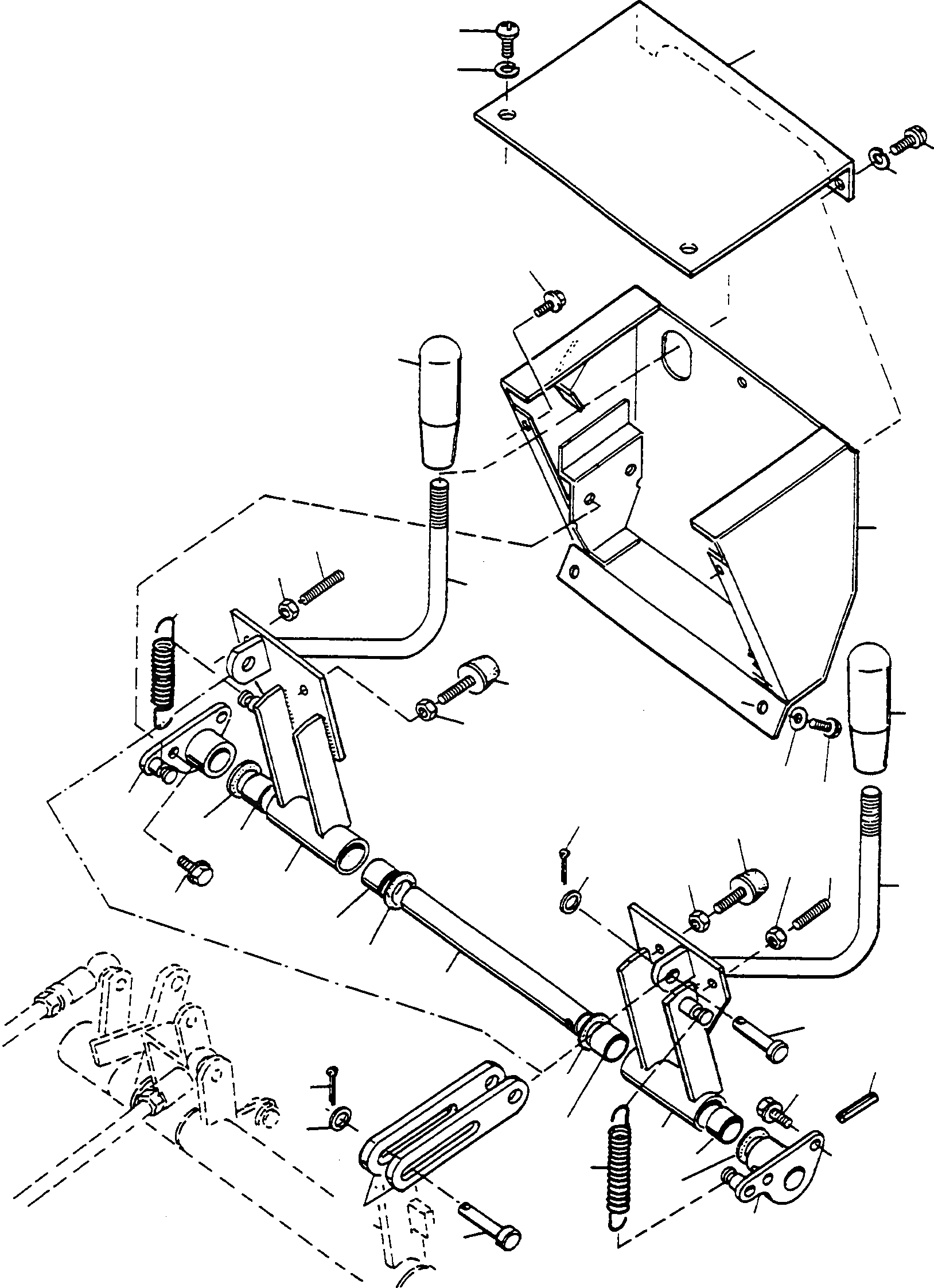
4
4
4
24
3
5
24
5
9
16
1
19
20
15
13
17
16
18
5
8
11
17
12
20
23
19
18
15
14
9
12
11
6
22
10
9
11
23
12
14
12
13
11
21
7
22
FIT
1:1
100%

Артикул

Название

Примечание

Количество

1

2989348M91

HOUSING

DeutschDesc: GEHAEUSE

1шт.

2

NOT USED

DeutschDesc: NICHT VERWENDET

-1шт.

3

4001628M1

COVER

DeutschDesc: DECKEL

1шт.

4

2995646X1

SCREW

EnglischBem: REPAIRS AND REPLACES 3005 086 X1

6шт.

5

391565X1

PLAIN WASHER

DeutschDesc: UNTERLEGSCHEIBE

6шт.

6

2989360M1

SHAFT

DeutschDesc: WELLE

1шт.

7

2989355M91

BEARING

EnglischBem: LEFT

1шт.

8

2989356M91

BEARING

EnglischBem: RIGHT

1шт.

9

391357X1

SCREW

DeutschDesc: SCHRAUBE

6шт.

10

1444422X1

GROOVE PIN

DeutschDesc: KERBSTIFT

1шт.

11

2889503M1

DISC

DeutschDesc: SCHEIBE

4шт.

12

2994628M1

BUSHING

DeutschDesc: BUCHSE

4шт.

13

2989385M1

SPRING

DeutschDesc: FEDER

2шт.

14

2989341M91

LEVER

EnglischBem: LEFT

1шт.

15

2989340M91

LEVER

EnglischBem: RIGHT

1шт.

16

2989369M1

HANDLE

DeutschDesc: HANDGRIFF

2шт.

17

2875329M1

BUFFER

DeutschDesc: PUFFER

2шт.

18

339030X1

NUT

DeutschDesc: MUTTER

2шт.

19

3067586M8

GRUB SCREW

DeutschDesc: GEWINDESTIFT

2шт.

20

1440098X1

NUT

DeutschDesc: MUTTER

2шт.

21

2989359M1

STRAP

DeutschDesc: LASCHE

4шт.

22

2989366M1

PIN

DeutschDesc: BOLZEN

4шт.

23

390735X1

PLAIN WASHER

DeutschDesc: UNTERLEGSCHEIBE

4шт.

24

3068278M8

COTTER

DeutschDesc: SPLINT

4шт.

Выбрано товаров: 24