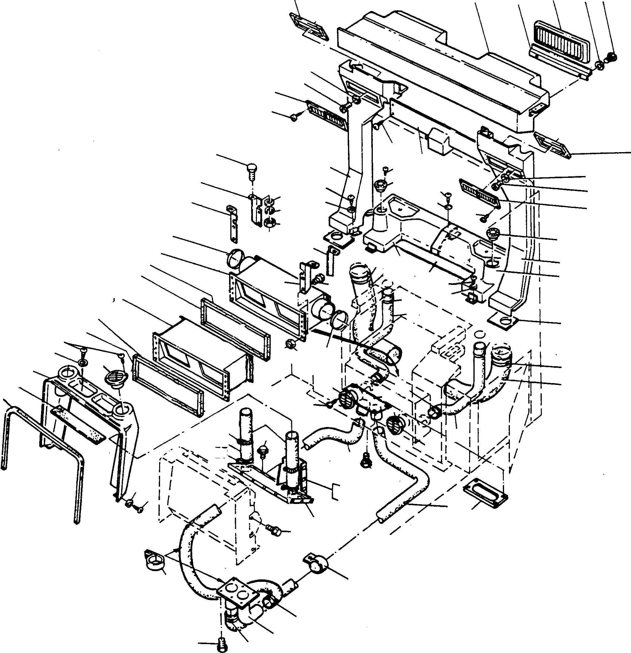
Запчасти Komatsu D540E ВЕНТИЛЯТОРILATION, EXECUTION I ШАССИ И SUPERSTRUCTURE

Схема запчастей Komatsu D540E - ВЕНТИЛЯТОРILATION, EXECUTION I ШАССИ И SUPERSTRUCTURE
39
33
32
8
34
44
31
46
32
28
8
23
41
30
45
42
38
48
35
37
8
39
10
6
9
43
53
37
27
23
8
32
22
6
23
47
51
37
8
37
16
14
8
23
53
13
20
38
53
7
12
41
42
11
29
47
7
1
29
36
5
2
37
38
3
4
5
40
2
23
37
38
29
49
29
50
28
52
30
17
8
24
38
25
15
26
19
19
18
21
18
FIT
1:1
100%

Артикул

Название

Примечание

Количество

1

2988579M91

BLOWER

DeutschDesc: GEBLAESE

1шт.

|$54

BLOWER

DeutschDesc: GEBLAESE

-3шт.

2

2988567M1

GASKET

DeutschDesc: DICHTUNG

4шт.

3

4101619M1

CASE

DeutschDesc: KASTEN

1шт.

4

2989713M1

CASE

EnglischBem: WITHOUT HEATER

1шт.

5

NOT USED

DeutschDesc: NICHT VERWENDET

-1шт.

6

2988077M1

BRACKET

DeutschDesc: HALTER

2шт.

7

2988078M1

BRACKET

DeutschDesc: HALTER

2шт.

8

3000387X1

SCREW

DeutschDesc: SCHRAUBE

31шт.

9

1444325X1

NUT

DeutschDesc: MUTTER

8шт.

10

390991X1

SCREW

DeutschDesc: SCHRAUBE

4шт.

11

339169X1

NUT

DeutschDesc: MUTTER

4шт.

12

2993792X1

SPRING WASHER

DeutschDesc: FEDERRING

4шт.

13

390972X1

PLAIN WASHER

DeutschDesc: UNTERLEGSCHEIBE

4шт.

14

2989627M91

STUD

DeutschDesc: STUTZEN

1шт.

15

2989629M1

GASKET

DeutschDesc: DICHTUNG

1шт.

16

2988555M1

HOSE

EnglischBem: GOODS SOLD BY THE METER 2993 706 X1 1350 MM

1шт.

17

2988556M1

HOSE

EnglischBem: GOODS SOLD BY THE METER 2993 706 X1 2050 MM

1шт.

18

2995076X1

CLIP

DeutschDesc: SCHELLE

4шт.

19

2994686M1

CLIP

DeutschDesc: SCHELLE

2шт.

20

2987205M91

MANIFOLD

DeutschDesc: KRUEMMER

1шт.

21

1444157X1

SCREW

DeutschDesc: SCHRAUBE

6шт.

22

2989722M1

HOSE

EnglischBem: GOODS SOLD BY THE METER 2993 706 X1 140 MM

2шт.

23

1444842X1

CLIP

DeutschDesc: SCHELLE

8шт.

24

4101266M1

COVERING

DeutschDesc: ABDECKUNG

1шт.

25

4101267M1

COVERING

DeutschDesc: ABDECKUNG

1шт.

26

2989720M91

SHEET

DeutschDesc: BLECH

1шт.

27

2989919M1

HOSE

EnglischBem: GOODS SOLD BY THE METER 2993 706 X1 450 MM

2шт.

28

2988557M1

HOSE

EnglischBem: GOODS SOLD BY THE METER 2993 708 X1 650 MM

2шт.

29

1444844X1

CLIP

DeutschDesc: SCHELLE

4шт.

30

2988554M1

HOSE

EnglischBem: 1000 MM

2шт.

31

2990423M91

CASE

EnglischBem: REPAIRS AND REPLACES 2988 653 M91

1шт.

32

3001853X1

PLAIN WASHER

DeutschDesc: UNTERLEGSCHEIBE

7шт.

33

3093543M91

AIR FILTER

DeutschDesc: LUFTFILTER

2шт.

34

4002160M1

FRAME

EnglischBem: REPAIRS AND REPLACES 2988 569 M1

2шт.

35

2988655M91

INTAKE STACK

DeutschDesc: ANSAUGSTUTZEN

1шт.

36

2988654M91

INTAKE STACK

DeutschDesc: ANSAUGSTUTZEN

1шт.

37

3005751X1

SCREW

DeutschDesc: SCHRAUBE

35шт.

38

2997360M1

DISC

DeutschDesc: SCHEIBE

23шт.

39

4001842M1

GASKET

DeutschDesc: DICHTUNG

2шт.

40

2989925M1

GASKET

DeutschDesc: DICHTUNG

2шт.

41

2988518M1

SLIDER

DeutschDesc: SCHIEBER

2шт.

42

3005748X1

SCREW

DeutschDesc: SCHRAUBE

16шт.

43

2989766M91

CLADDING

DeutschDesc: VERKLEIDUNG

1шт.

44

2988656M91

CLADDING

DeutschDesc: VERKLEIDUNG

1шт.

45

2988657M91

CLADDING

DeutschDesc: VERKLEIDUNG

1шт.

46

2989922M1

UNDERLAY

DeutschDesc: UNTERLAGE

2шт.

47

2989413M91

AIR OUTLET

DeutschDesc: LUFTAUSSTROEMER

2шт.

48

2995346X1

SCREW

DeutschDesc: SCHRAUBE

8шт.

49

2988659M91

CLADDING

DeutschDesc: VERKLEIDUNG

1шт.

50

2989921M1

UNDERLAY

DeutschDesc: UNTERLAGE

2шт.

51

2995612X1

SCREW

DeutschDesc: SCHRAUBE

2шт.

52

2986230M1

GASKET

DeutschDesc: DICHTUNG

1шт.

53

3093121M1

AIR OUTLET

DeutschDesc: LUFTAUSSTROEMER

4шт.

Выбрано товаров: 54