Качественные детали и логистика
Оригинальные и аналоговые запчасти с доставкой по России, Казахстану и Беларуси
©2022 PartSell ООО "Система" ИНН 2463123282 ОГРН 1212400004838
Центральный офис: г. Красноярск, Академика Киренского, д.87, пом.4
Телефон: 8 (800) 777-65-74 Email: zakaz@partsell.ru
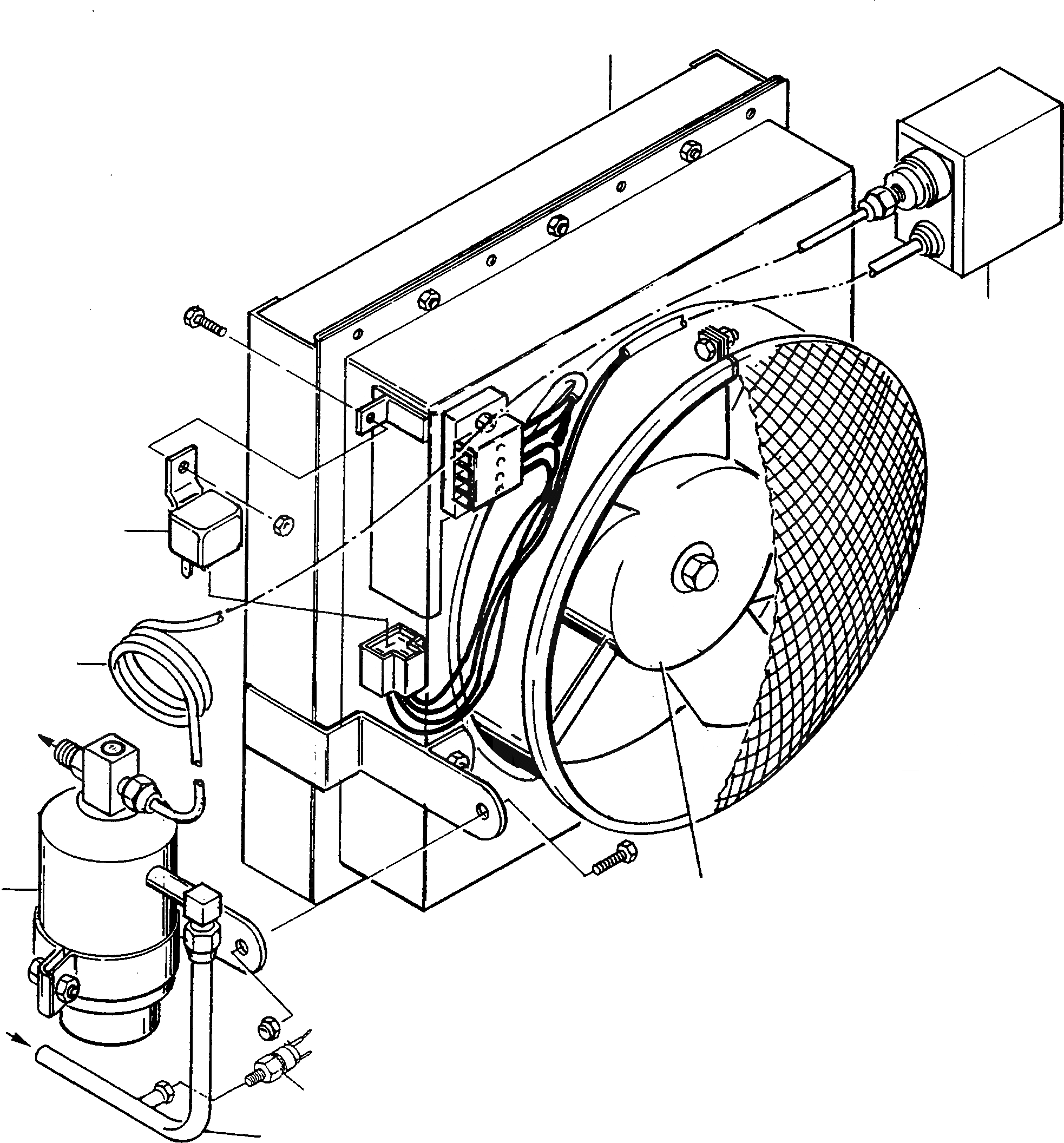
КОНДИЦ. ВОЗДУХА
№
Артикул
Название
Примечание
Количество
1
2985925M91
CAPACITOR
DeutschDesc: KONDENSATOR
1шт.
2
3256094M91
BLOWER
DeutschDesc: GEBLAESE
3
4202404M91
CONTAINER
DeutschDesc: BEHAELTER
4
3256096M91
PIPE
DeutschDesc: ROHRLEITUNG
5
3097003M1
RELAY
DeutschDesc: RELAIS
6
4202403M91
VALVE
EnglischBem: REPAIRS AND REPLACES 3256 097 M91
7
4919800M91
8
4202490M91
PRESSURE SWITCH
DeutschDesc: DRUCKSCHALTER
Выбрано товаров: 0