Запчасти Komatsu D540E УПРАВЛЯЮЩ. КЛАПАН, ТРУБЫS ГИДРАВЛИКА

Схема запчастей Komatsu D540E - УПРАВЛЯЮЩ. КЛАПАН, ТРУБЫS ГИДРАВЛИКА
14
15
13
13
9
14
11
17
5
6
7
5
10
16
18
12
8
19
3
4
1
2
6
7
8
FIT
1:1
100%

Артикул

Название

Примечание

Количество

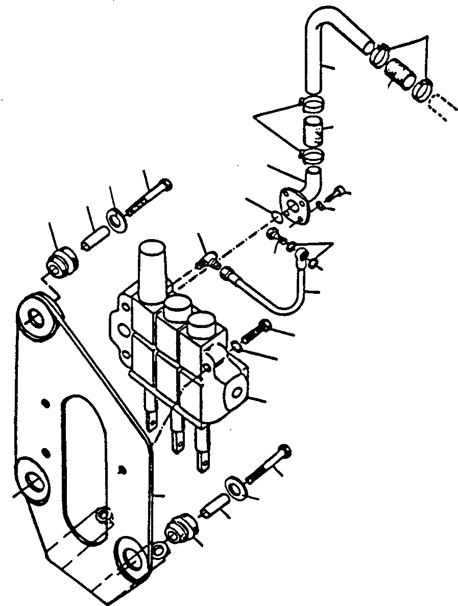
1

2986566M92

CONTROL VALVE

DeutschDesc: STEUERVENTIL

1шт.

|$20

CONTROL VALVE

DeutschDesc: STEUERVENTIL

-3шт.

2

2989595M91

PLATE

DeutschDesc: PLATTE

1шт.

3

339679X1

SCREW

DeutschDesc: SCHRAUBE

3шт.

4

1443790X1

SPRING WASHER

DeutschDesc: FEDERRING

3шт.

5

339341X1

SCREW

DeutschDesc: SCHRAUBE

3шт.

6

2948080M1

DISC

DeutschDesc: SCHEIBE

3шт.

7

4101113M1

TUBE

DeutschDesc: ROHR

3шт.

8

3073949M1

BUFFER

DeutschDesc: PUFFER

3шт.

9

2986819M91

MANIFOLD

DeutschDesc: KRUEMMER

1шт.

10

1444849X1

O-RING

DeutschDesc: O-RING

1шт.

11

1443711X1

SCREW

DeutschDesc: SCHRAUBE

4шт.

12

1440990X1

SPRING WASHER

DeutschDesc: FEDERRING

4шт.

13

2986551M2

HOSE

DeutschDesc: SCHLAUCH

2шт.

14

1444840X1

CLIP

DeutschDesc: SCHELLE

4шт.

15

2986809M1

TUBE

DeutschDesc: ROHR

1шт.

16

4102137M91

CHECK VALVE

EnglischBem: REPAIRS AND REPLACES 3004 184 X91

1шт.

17

2987484M1

HOSE ASSEMBLY

DeutschDesc: SCHLAUCH VOLLST.

1шт.

18

3222316M1

BANJO BOLT

DeutschDesc: HOHLSCHRAUBE

1шт.

19

390839X1

SEAL

DeutschDesc: DICHTRING

2шт.

Выбрано товаров: 20