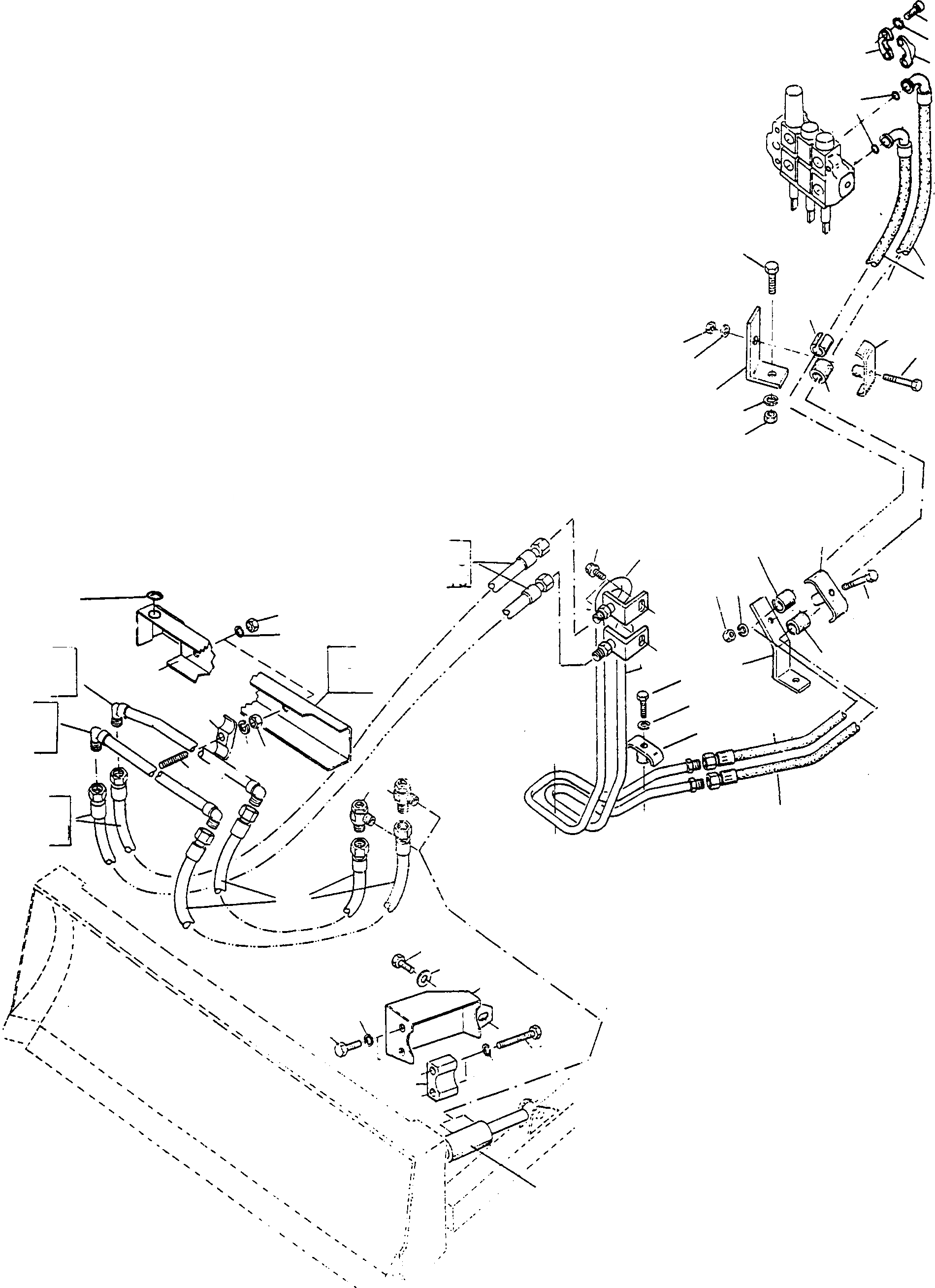
Запчасти Komatsu D540E НАКЛОН.-ЦИЛИНДР И ТРУБЫS ГИДРАВЛИКА

Схема запчастей Komatsu D540E - НАКЛОН.-ЦИЛИНДР И ТРУБЫS ГИДРАВЛИКА
29A
4
19
8
5
3
3
9
2
28
34
23
26
25
25A
18
19
14
10A
10B
11
7
12
10
11
1
11
9
12
8
6
8
9
10
16
11
15
9
8
37
20
17
21
8
13
22
1
13
18
1
27
35
36
33
32
31
32
30
29
FIT
1:1
100%

Артикул

Название

Примечание

Количество

1

2989791M91

HOSE ASSEMBLY

DeutschDesc: SCHLAUCH VOLLST.

2шт.

2

1444848X1

O-RING

DeutschDesc: O-RING

2шт.

3

1444835X1

HALF FLANGE

DeutschDesc: HALBFLANSCH

4шт.

4

1441436X1

SCREW

DeutschDesc: SCHRAUBE

8шт.

5

391241X1

SPRING WASHER

DeutschDesc: FEDERRING

8шт.

6

2990448M92

BRACKET

EnglischBem: REPAIRS AND REPLACES 2989 788 M1

1шт.

7

1441512X1

SCREW

DeutschDesc: SCHRAUBE

1шт.

8

2993793X1

SPRING WASHER

DeutschDesc: FEDERRING

3шт.

9

339402X1

NUT

DeutschDesc: MUTTER

5шт.

10

2990157M91

CLIP

DeutschDesc: SCHELLE

3шт.

10A

2989787M1

BRACKET

DeutschDesc: HALTER

1шт.

10B

2990445M1

BRACKET

DeutschDesc: HALTER

1шт.

11

1443891X1

HOSE

DeutschDesc: SCHLAUCH

6шт.

12

339556X1

SCREW

DeutschDesc: SCHRAUBE

3шт.

13

2891968M1

HOLDING CLAMP

DeutschDesc: HALTESCHELLE

2шт.

14

390799X1

SCREW

DeutschDesc: SCHRAUBE

2шт.

15

2989757M91

PIPE

DeutschDesc: ROHRLEITUNG

1шт.

16

1444132X1

SCREW

DeutschDesc: SCHRAUBE

2шт.

17

2989755M91

PIPE

DeutschDesc: ROHRLEITUNG

1шт.

18

2988194M1

HOSE ASSEMBLY

EnglischBem: D540E

2шт.

19

2988195M1

HOSE ASSEMBLY

EnglischBem: D540E-LC-LGP

2шт.

20

2983721M91

PIPE

DeutschDesc: ROHRLEITUNG

1шт.

21

2983724M91

PIPE

EnglischBem: D540E-LC-LGP

1шт.

22

2983720M91

PIPE

DeutschDesc: ROHRLEITUNG

1шт.

23

2983723M91

PIPE

EnglischBem: D540E-LC-LGP

1шт.

24

3005261X1

STUD BOLT

DeutschDesc: STIFTSCHRAUBE

2шт.

25

2983722M91

PROTECTOR

EnglischBem: D540E-LC-LGP

1шт.

25A

2983719M91

PROTECTOR

DeutschDesc: SCHUTZ

1шт.

26

2995017X1

NUT

DeutschDesc: MUTTER

2шт.

27

2983778M1

HOSE ASSEMBLY

DeutschDesc: SCHLAUCH VOLLST.

2шт.

28

2988183M91

UNION

DeutschDesc: VERSCHRAUBUNG

2шт.

29

1605276M91

TILT CYLINDER

DeutschDesc: TILTZYLINDER

1шт.

|$42

TILT CYLINDER

DeutschDesc: TILTZYLINDER

-3шт.

29A

4020534M91

TILT CYLINDER

EnglischBem: LIFT 710 MM

1шт.

|$43

TILT CYLINDER

DeutschDesc: TILTZYLINDER

-3шт.

30

3089434M1

BRACKET

DeutschDesc: HALTER

1шт.

31

3003796X1

SCREW

DeutschDesc: SCHRAUBE

2шт.

32

2994718M1

SPRING WASHER

DeutschDesc: FEDERRING

4шт.

33

2989928M91

PROTECTOR

DeutschDesc: SCHUTZ

1шт.

34

339299X1

SCREW

DeutschDesc: SCHRAUBE

2шт.

35

1444074X1

SCREW

DeutschDesc: SCHRAUBE

1шт.

36

390745X1

PLAIN WASHER

DeutschDesc: UNTERLEGSCHEIBE

1шт.

37

2996394M1

CAP

DeutschDesc: KAPPE

1шт.

Выбрано товаров: 43