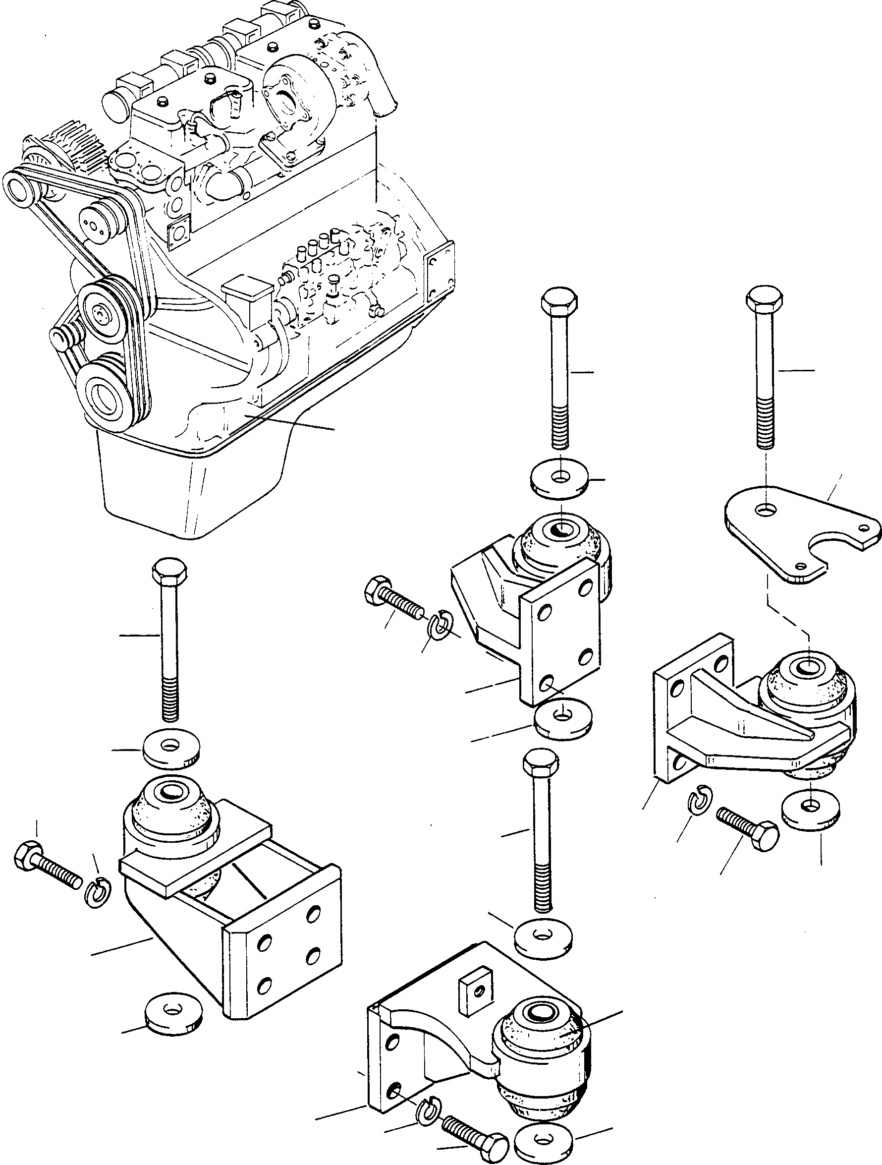
Запчасти Komatsu D540E ДВИГАТЕЛЬ, КРЕПЛЕНИЕ ДВИГАТЕЛЯ ДВИГАТЕЛЬ, АКСЕССУАРЫ И ЭЛЕКТРИЧ. СИСТЕМА

Схема запчастей Komatsu D540E - ДВИГАТЕЛЬ, КРЕПЛЕНИЕ ДВИГАТЕЛЯ ДВИГАТЕЛЬ, АКСЕССУАРЫ И ЭЛЕКТРИЧ. СИСТЕМА
3A
11
11
1
12
10
11
8
9
6
10
10
4
7
11
5
9
10
8
10
2
10
3
10
5
4
FIT
1:1
100%

Артикул

Название

Примечание

Количество

1

2992222M91

ENGINE

EnglischBem: D 944 T

1шт.

2

2992475M91

ENGINE CARRIER

EnglischBem: RIGHT

1шт.

3

2992476M91

ENGINE CARRIER

EnglischBem: LEFT

1шт.

3A

2992639M1

VIBRATION MOUNT

DeutschDesc: GUMMIMETALL

4шт.

3B

2992116M1

SLEEVE

DeutschDesc: HUELSE

4шт.

4

391375X1

SCREW

DeutschDesc: SCHRAUBE

8шт.

5

1443792X1

SPRING WASHER

DeutschDesc: FEDERRING

8шт.

6

2992477M91

ENGINE CARRIER

EnglischBem: RIGHT

1шт.

7

2992478M91

ENGINE CARRIER

EnglischBem: LEFT

1шт.

8

1443670X1

SCREW

DeutschDesc: SCHRAUBE

8шт.

9

1443794X1

SPRING WASHER

DeutschDesc: FEDERRING

8шт.

10

2992191M1

DISC

DeutschDesc: SCHEIBE

7шт.

11

2995317X1

SCREW

EnglischBem: REPAIRS AND REPLACES 2992 317 X1

4шт.

12

2989769M1

BRACKET

DeutschDesc: HALTER

1шт.

Выбрано товаров: 0