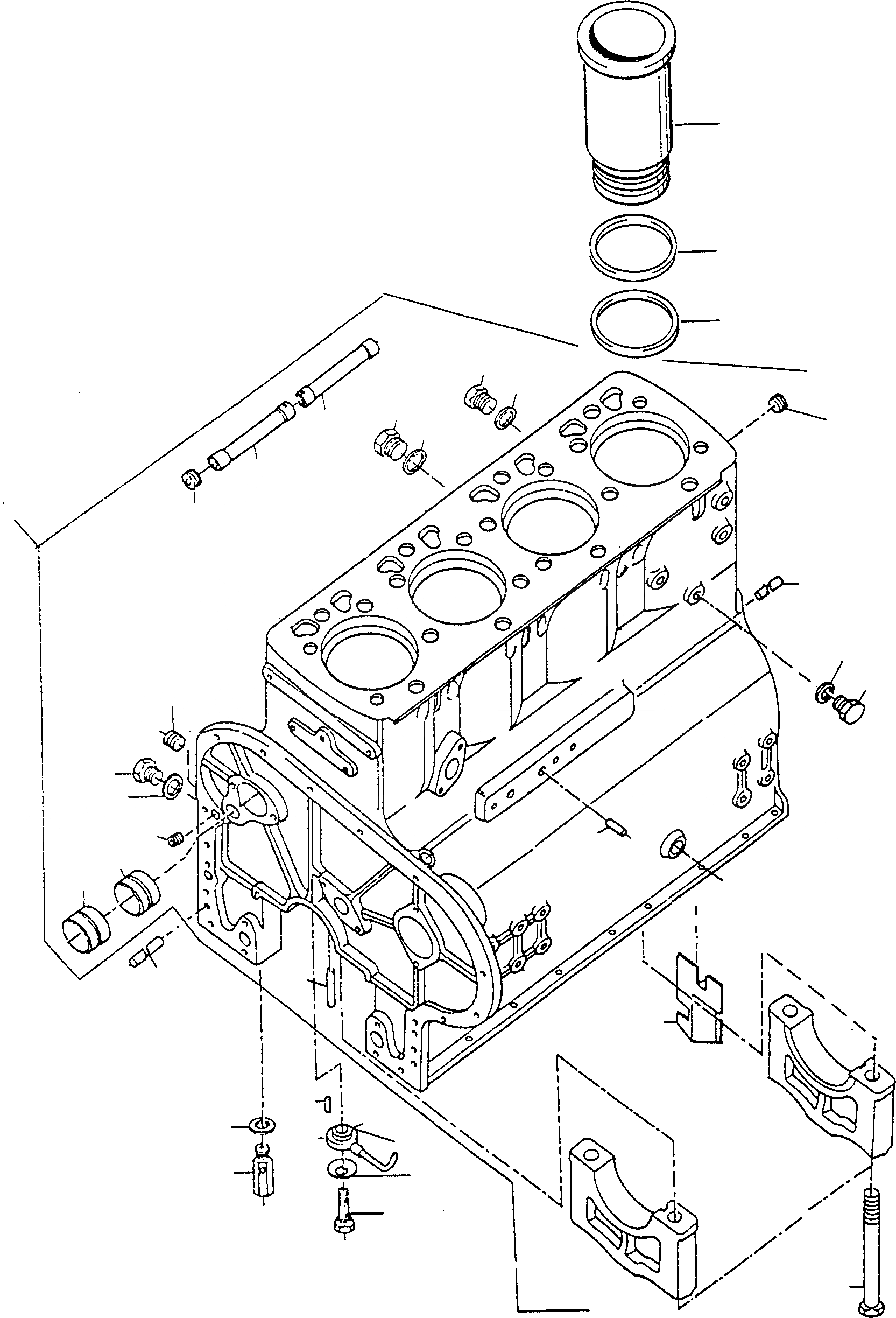
Запчасти Komatsu D540E БЛОК ЦИЛИНДРОВ И ATTACHING ЧАСТИ ДВИГАТЕЛЬ, АКСЕССУАРЫ И ЭЛЕКТРИЧ. СИСТЕМА

Схема запчастей Komatsu D540E - БЛОК ЦИЛИНДРОВ И ATTACHING ЧАСТИ ДВИГАТЕЛЬ, АКСЕССУАРЫ И ЭЛЕКТРИЧ. СИСТЕМА
29
5
16
12
13
30
19A
31
1
8
9
10
6
4
11
6
17
15
14
7
18
2
3
19
20
24
25
22
26
23
27
28
21
FIT
1:1
100%

Артикул

Название

Примечание

Количество

1

3095261M91

CYLINDER BLOCK

DeutschDesc: KURBELGEHAEUSE

1шт.

2

2870803M1

BEARING

DeutschDesc: LAGER

1шт.

3

2870804M1

BEARING

DeutschDesc: LAGER

4шт.

4

2872174M1

TUBE

DeutschDesc: ROHR

2шт.

5

2872173M1

TUBE

DeutschDesc: ROHR

2шт.

6

1443743X1

PLUG

DeutschDesc: VERSCHLUSSSTOPFEN

2шт.

7

1444256X1

PLUG

DeutschDesc: VERSCHLUSSSTOPFEN

1шт.

8

1444261X1

PLUG

DeutschDesc: VERSCHLUSSSTOPFEN

4шт.

9

1440993X1

SEAL

DeutschDesc: DICHTRING

4шт.

10

1444267X1

SCREW

DeutschDesc: SCHRAUBE

1шт.

11

1440997X1

SEAL

DeutschDesc: DICHTRING

1шт.

12

390588X1

PLUG

DeutschDesc: VERSCHLUSSSTOPFEN

1шт.

13

391313X1

SEAL

DeutschDesc: DICHTRING

1шт.

14

1443750X1

PLUG

DeutschDesc: VERSCHLUSSSTOPFEN

1шт.

15

390839X1

SEAL

DeutschDesc: DICHTRING

1шт.

16

3004780X1

PLUG

DeutschDesc: VERSCHLUSSSTOPFEN

1шт.

17

1444406X1

DOWEL

DeutschDesc: ZYLINDERSTIFT

4шт.

18

1444402X1

DOWEL

DeutschDesc: ZYLINDERSTIFT

2шт.

19

1443800X1

DOWEL

DeutschDesc: ZYLINDERSTIFT

5шт.

19A

1444406X1

DOWEL

DeutschDesc: ZYLINDERSTIFT

4шт.

20

2872172M1

BAFFLE

DeutschDesc: LEITBLECH

1шт.

21

1444035X1

SCREW

DeutschDesc: SCHRAUBE

10шт.

22

1444747X1

SEAL

DeutschDesc: DICHTRING

1шт.

23

3093426M91

VALVE

DeutschDesc: VENTIL

1шт.

24

1440397X1

SLEEVE

DeutschDesc: HUELSE

4шт.

25

2870849M92

NOZZLE

EnglischBem: LEFT

2шт.

26

2870848M92

NOZZLE

EnglischBem: RIGHT

2шт.

27

2867218M1

SPRING

DeutschDesc: FEDER

4шт.

28

2870844M91

VALVE

DeutschDesc: VENTIL

4шт.

29

3093482M1

LINER

DeutschDesc: LAUFBUCHSE

4шт.

30

2997353M1

O-RING

DeutschDesc: O-RING

8шт.

31

2869916M2

SEAL

DeutschDesc: DICHTRING

8шт.

Выбрано товаров: 32