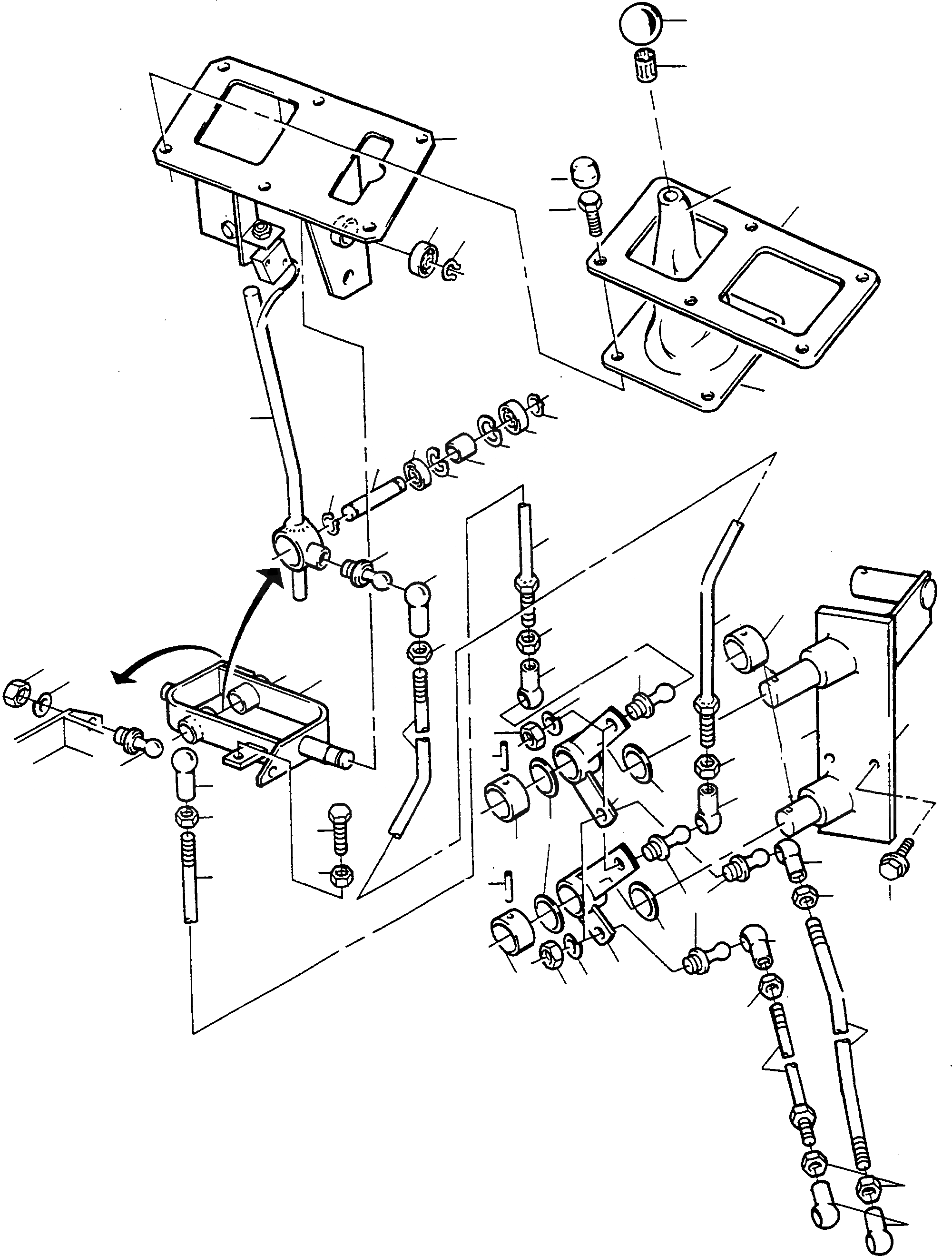
Запчасти Komatsu D540E ПРИВОД КОРПУС УПРАВЛ-Е ТРАНСМИССИЯ И ЗАДН. МОСТ

Схема запчастей Komatsu D540E - ПРИВОД КОРПУС УПРАВЛ-Е ТРАНСМИССИЯ И ЗАДН. МОСТ
24
10
29
20
11
31
18
34
20
1
9
5
6
8
3
4
5
12
17
16
16
15
14
13
17
14
35
18
21
36
23
22
22
20
18
21
2
19
19
23
22
18
28
33
21
34
7
29
30
21
35
31
22
25
33
29
27
30
19
20
32
26
22
21
FIT
1:1
100%

Артикул

Название

Примечание

Количество

1

2989316M91

BED BRACKET

DeutschDesc: LAGERBOCK

1шт.

2

2989300M91

BEARING

DeutschDesc: LAGER

1шт.

3

2989307M1

BALL BEARING

DeutschDesc: KUGELLAGER

2шт.

4

1440474X1

CIRCLIP

DeutschDesc: SICHERUNGSRING

2шт.

5

2989334M91

BELLOWS

DeutschDesc: FALTENBALG

1шт.

6

2989333M1

RETAINING PLATE

DeutschDesc: HALTEPLATTE

1шт.

7

339761X1

SCREW

DeutschDesc: SCHRAUBE

1шт.

8

1444143X1

SCREW

DeutschDesc: SCHRAUBE

6шт.

9

2994670M1

CAP

DeutschDesc: KAPPE

6шт.

10

1444596X1

BALL HEAD

DeutschDesc: KUGELKNOPF

1шт.

11

1444448X1

SLEEVE

DeutschDesc: HUELSE

1шт.

12

2987030M91

LEVER

DeutschDesc: HEBEL

1шт.

13

2989320M1

RING

DeutschDesc: RING

1шт.

14

339657X1

CIRCLIP

DeutschDesc: SICHERUNGSRING

2шт.

15

2989317M1

PIN

DeutschDesc: BOLZEN

1шт.

16

1442657X1

BALL BEARING

DeutschDesc: KUGELLAGER

2шт.

17

1441761X1

CIRCLIP

DeutschDesc: SICHERUNGSRING

2шт.

18

1443816X1

BALL PIVOT

DeutschDesc: KUGELZAPFEN

6шт.

19

1443789X1

SPRING WASHER

DeutschDesc: FEDERRING

6шт.

20

339169X1

NUT

DeutschDesc: MUTTER

6шт.

21

1444503X1

BALL SOCKET

DeutschDesc: KUGELPFANNE

6шт.

22

390679X1

NUT

DeutschDesc: MUTTER

2шт.

23

2987003M1

ROD

DeutschDesc: STANGE

1шт.

24

2985778M91

BEARING PLATE

DeutschDesc: LAGERPLATTE

1шт.

25

1444132X1

SCREW

DeutschDesc: SCHRAUBE

2шт.

26

2987062M91

ROD

DeutschDesc: STANGE

1шт.

27

2985793M91

LEVER

DeutschDesc: HEBEL

1шт.

28

2985792M91

LEVER

DeutschDesc: HEBEL

1шт.

29

2903916M1

DISC

DeutschDesc: SCHEIBE

4шт.

30

2903950M1

BUSHING

DeutschDesc: BUCHSE

2шт.

31

1441573X1

GROOVE PIN

DeutschDesc: KERBSTIFT

2шт.

32

2989332M1

ROD

DeutschDesc: STANGE

1шт.

33

1444507X1

BALL SOCKET

DeutschDesc: KUGELPFANNE

2шт.

34

1444305X1

NUT

DeutschDesc: MUTTER

2шт.

35

2987004M91

ROD

DeutschDesc: STANGE

1шт.

36

2999858M1

BUSHING

DeutschDesc: BUCHSE

2шт.

Выбрано товаров: 36