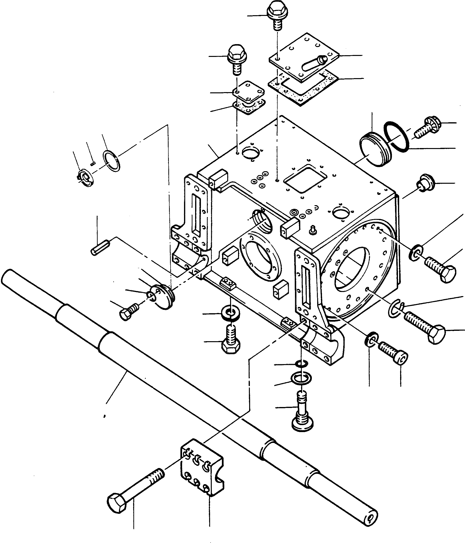
Запчасти Komatsu D540E КОНЕЧНАЯ ПЕРЕДАЧА ТРАНСМИССИЯ И ЗАДН. МОСТ

Схема запчастей Komatsu D540E - КОНЕЧНАЯ ПЕРЕДАЧА ТРАНСМИССИЯ И ЗАДН. МОСТ
12
29
16A
16
16C
10
16B
15
11
13
17
14
31
19
30
1
18
25
28
7
6
9
21
8
20
24
23
5
4
22
27
26
2
3
FIT
1:1
100%

Артикул

Название

Примечание

Количество

1

2983422M91

STEERING CASE

DeutschDesc: LENKGEHAEUSE

1шт.

2

2983645M1

BRACKET

DeutschDesc: HALTER

2шт.

3

3002969X1

SCREW

DeutschDesc: SCHRAUBE

12шт.

4

1443542X1

SCREW

DeutschDesc: SCHRAUBE

2шт.

5

1444351X1

DISC

DeutschDesc: SCHEIBE

2шт.

6

3004314X1

SCREW

DeutschDesc: SCHRAUBE

2шт.

7

2987133M1

CIRCLIP

DeutschDesc: SICHERUNGSRING

2шт.

8

1444098X1

SCREW

DeutschDesc: SCHRAUBE

40шт.

9

2994705M1

SAFETY RING

DeutschDesc: SICHERHEITSRING

40шт.

10

2983443M91

COVER

DeutschDesc: DECKEL

1шт.

11

2903007M1

GASKET

DeutschDesc: DICHTUNG

1шт.

12

1444131X1

SCREW

DeutschDesc: SCHRAUBE

8шт.

13

2903011M1

COVER

DeutschDesc: DECKEL

2шт.

14

2903012M1

GASKET

DeutschDesc: DICHTUNG

2шт.

15

1444131X1

SCREW

DeutschDesc: SCHRAUBE

8шт.

16

NOT USED

DeutschDesc: NICHT VERWENDET

-1шт.

16A

2983429M1

COVER

DeutschDesc: DECKEL

1шт.

16B

1444135X1

SCREW

DeutschDesc: SCHRAUBE

1шт.

16C

1444783X1

O-RING

DeutschDesc: O-RING

1шт.

17

3089755M91

COVER

DeutschDesc: DECKEL

1шт.

18

3007120X1

O-RING

DeutschDesc: O-RING

1шт.

19

1444131X1

SCREW

DeutschDesc: SCHRAUBE

1шт.

20

1444074X1

SCREW

DeutschDesc: SCHRAUBE

4шт.

21

2994705M1

SAFETY RING

DeutschDesc: SICHERHEITSRING

4шт.

22

2903158M91

SCREW

DeutschDesc: SCHRAUBE

1шт.

23

391265X1

SEAL

DeutschDesc: DICHTRING

1шт.

24

1444718X1

O-RING

DeutschDesc: O-RING

1шт.

25

1444246X1

PLUG

DeutschDesc: VERSCHLUSSSTOPFEN

26шт.

26

2983674M1

AXLE

DeutschDesc: ACHSE

1шт.

27

2983675M1

AXLE

EnglischBem: FOR LGP

1шт.

28

1444431X1

GROOVE PIN

DeutschDesc: KERBSTIFT

1шт.

29

2976457M1

RING

EnglischBem: FOR SUPPLEMENTARY GEARSET

1шт.

30

3006403X1

GROOVE PIN

EnglischBem: FOR SUPPLEMENTARY GEARSET

1шт.

31

3070984M1

SEAL

EnglischBem: FOR SUPPLEMENTARY GEARSET

1шт.

Выбрано товаров: 34