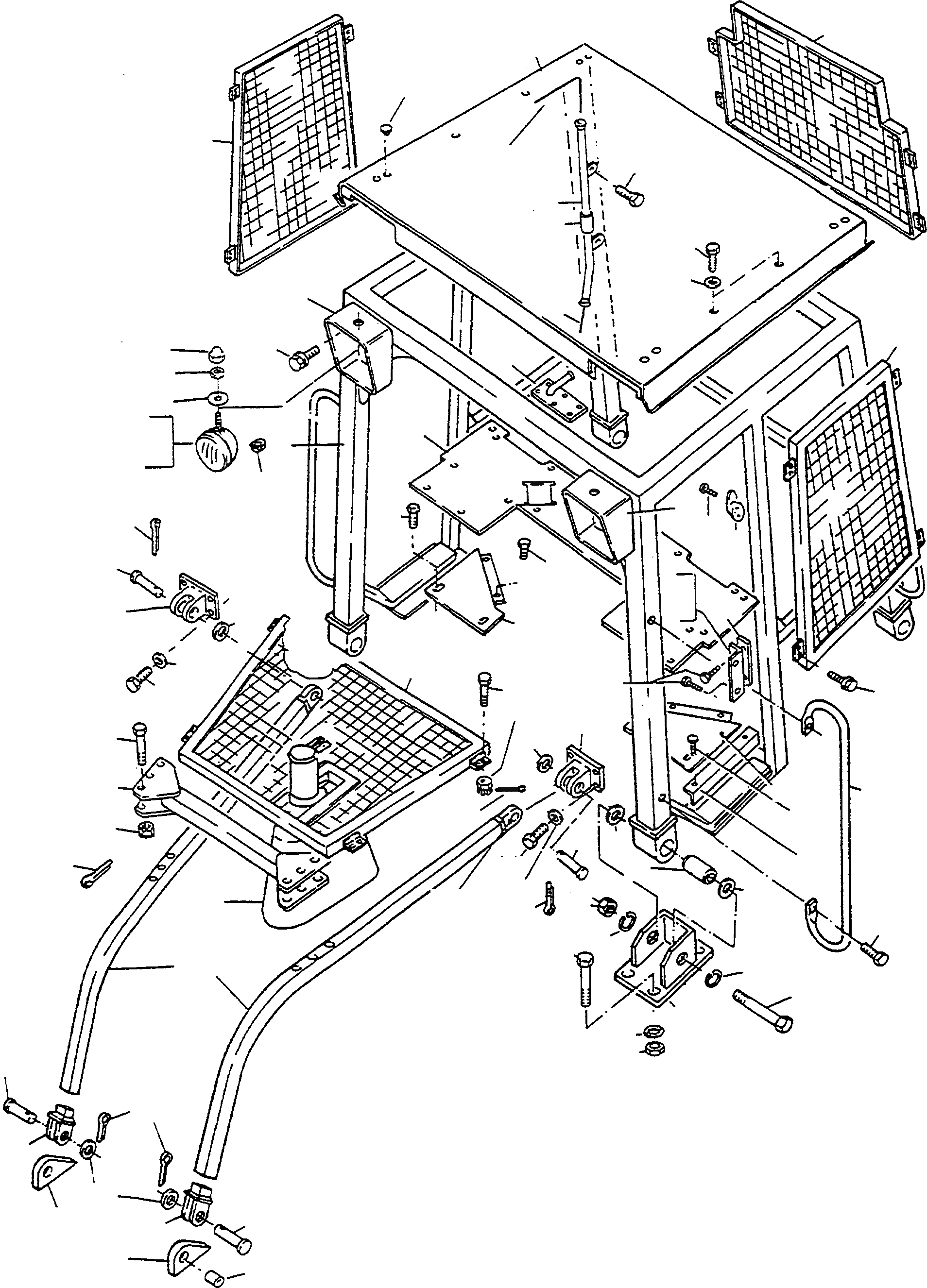
Запчасти Komatsu D570E R.O.P.S. НАВЕС ШАССИ И SUPERSTRUCTURE

Схема запчастей Komatsu D570E - R.O.P.S. НАВЕС ШАССИ И SUPERSTRUCTURE
56
1A
12B
12A
43
35A
37
20
26A
9A
5
41
43
44
38A
40
54
48
43
25
42
36
46
44
47
47A
35
16
17
11
25
53
14
13
28
26
12
1
15
34
10
21
33
32
41
29
31
30
39
42
19
45
52
27
55
49
49
42
48
18
50
24
50
22
9
51
23
45
9
57
27
4
6
38
4
3
2
7
8
41
47
41
46
FIT
1:1
100%

Артикул

Название

Примечание

Количество

1

2988793M91

ROPS

DeutschDesc: UEBERROLLSCHUTZ

1шт.

1A

2988649M91

ROOF

DeutschDesc: DACH

1шт.

2

2985914M91

BEARING

DeutschDesc: LAGER

4шт.

3

2988588M1

SCREW

DeutschDesc: SCHRAUBE

4шт.

4

4001445M1

SPRING WASHER

DeutschDesc: FEDERRING

4шт.

5

2995332X1

NUT

DeutschDesc: MUTTER

4шт.

6

1444098X1

SCREW

DeutschDesc: SCHRAUBE

16шт.

7

4000367M1

SPRING PLATE

DeutschDesc: FEDERSCHEIBE

16шт.

8

1444304X1

NUT

DeutschDesc: MUTTER

16шт.

9

2988761M1

DISC

DeutschDesc: SCHEIBE

8шт.

9A

2988420M1

BUSHING

DeutschDesc: BUCHSE

4шт.

10

2989912M91

BRACKET

EnglischBem: LEFT

1шт.

11

2989913M91

BRACKET

EnglischBem: RIGHT

1шт.

12

4005453M91

LAMP

DeutschDesc: SCHEINWERFER

4шт.

12A

390597X1

PLAIN WASHER

DeutschDesc: UNTERLEGSCHEIBE

8шт.

12B

390881X1

NUT

DeutschDesc: MUTTER

4шт.

13

2994623M1

SECURITY CAP

DeutschDesc: SCHUTZKAPPE

4шт.

14

1444133X1

SCREW

DeutschDesc: SCHRAUBE

4шт.

15

1444002X1

BULB

DeutschDesc: GLUEHLAMPE

4шт.

15A

4005485M91

EARTH STRAP

DeutschDesc: MASSELEITUNG

4шт.

16

2995349X1

SCREW

DeutschDesc: SCHRAUBE

8шт.

17

3005009X1

PLAIN WASHER

DeutschDesc: UNTERLEGSCHEIBE

8шт.

18

2990045M91

BOTTOM PLATE

EnglischBem: LEFT

1шт.

19

2990046M91

BOTTOM PLATE

EnglischBem: RIGHT

1шт.

20

1444131X1

SCREW

DeutschDesc: SCHRAUBE

2шт.

21

3004450X1

SCREW

DeutschDesc: SCHRAUBE

4шт.

22

2990037M91

ANGLE

EnglischBem: LEFT

1шт.

23

2990038M91

ANGLE

EnglischBem: RIGHT

1шт.

24

3004509X1

SCREW

DeutschDesc: SCHRAUBE

4шт.

25

2989914M91

HARNESS

DeutschDesc: KABELBAUM

1шт.

26

2990039M1

MATTING

DeutschDesc: BODENMATTE

1шт.

26A

2987216M1

GRIP

DeutschDesc: GRIFF

4шт.

27

1444142X1

SCREW

DeutschDesc: SCHRAUBE

8шт.

28

2989630M91

COVER

DeutschDesc: DECKEL

1шт.

29

2989853M1

ANGLE

EnglischBem: LEFT

1шт.

30

2989854M1

ANGLE

EnglischBem: RIGHT

1шт.

31

2987298M1

SLAT

DeutschDesc: LEISTE

2шт.

32

4001542M91

HOOK

DeutschDesc: HAKEN

2шт.

33

3005082X1

SCREW

DeutschDesc: SCHRAUBE

2шт.

34

4001651M1

SPOUT

DeutschDesc: TUELLE

4шт.

35

2989923M91

TUBE

DeutschDesc: ROHR

1шт.

36

391357X1

SCREW

DeutschDesc: SCHRAUBE

2шт.

37

1444247X1

PLUG

DeutschDesc: VERSCHLUSSSTOPFEN

4шт.

38

2989996M1

FRAME

DeutschDesc: RAHMEN

2шт.

38A

2964880M1

LUG

DeutschDesc: ANSCHWEISSLASCHE

2шт.

39

2990000M91

BED BRACKET

EnglischBem: RIGHT

1шт.

40

2990001M91

BED BRACKET

EnglischBem: LEFT

1шт.

41

3000358X1

PIN

DeutschDesc: BOLZEN

4шт.

42

1444358X1

DISC

DeutschDesc: SCHEIBE

4шт.

43

1442793X1

COTTER

DeutschDesc: SPLINT

4шт.

44

391706X1

SCREW

DeutschDesc: SCHRAUBE

8шт.

45

2994704M1

SPRING WASHER

DeutschDesc: FEDERRING

8шт.

46

2976064M1

BEARING

DeutschDesc: LAGER

2шт.

47

2976059M1

LUG

DeutschDesc: ANSCHWEISSLASCHE

2шт.

48

2988765M91

STAY

DeutschDesc: STREBE

1шт.

49

2964891M1

SCREW

DeutschDesc: SCHRAUBE

12шт.

50

1442847X1

CASTLE NUT

DeutschDesc: KRONENMUTTER

12шт.

51

339058X1

COTTER

DeutschDesc: SPLINT

12шт.

52

2990002M91

FENCE

DeutschDesc: GITTER

1шт.

53

2988796M91

FENCE

EnglischBem: LEFT

1шт.

54

2988797M91

FENCE

EnglischBem: RIGHT

1шт.

55

1444130X1

SCREW

DeutschDesc: SCHRAUBE

24шт.

56

2990259M91

FENCE

DeutschDesc: GITTER

1шт.

57

2990015M91

EJECT

DeutschDesc: EJECTOR

1шт.

Выбрано товаров: 64