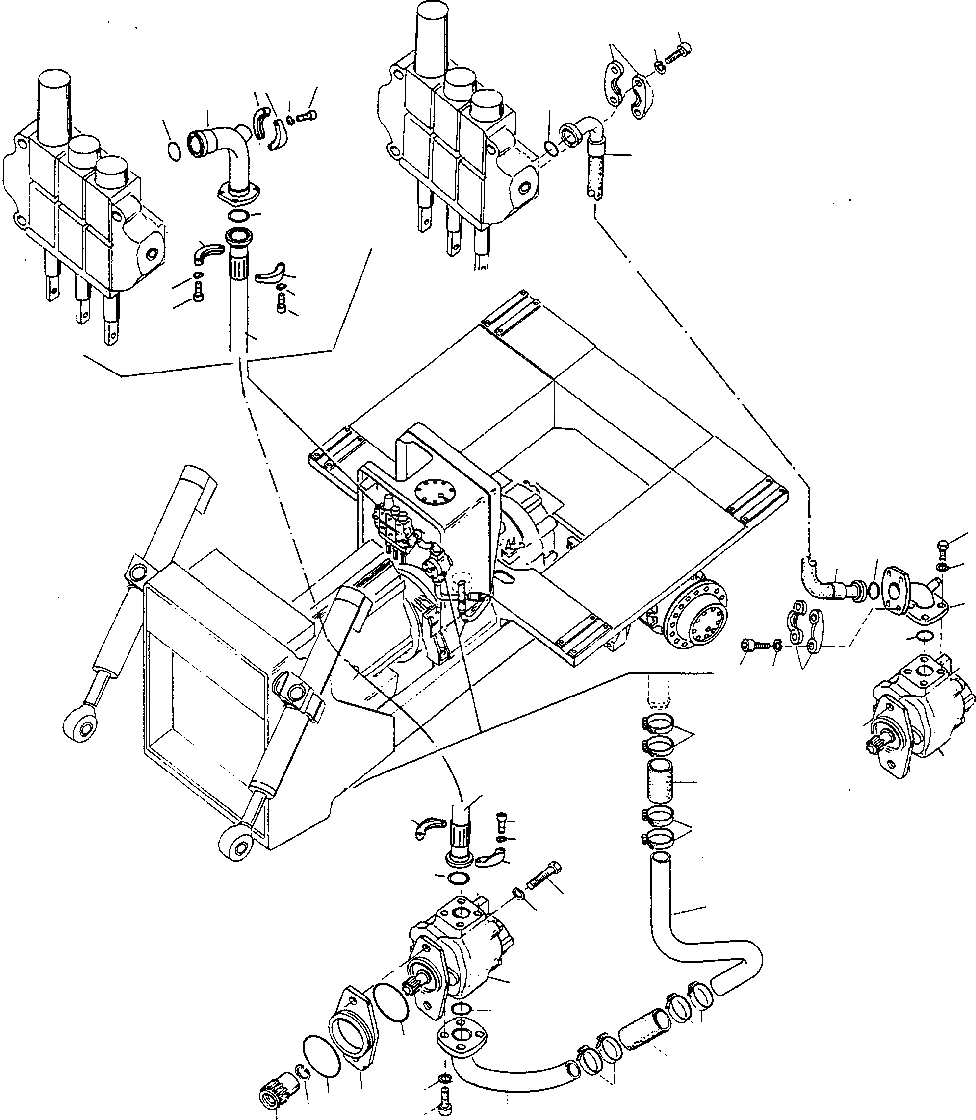
Запчасти Komatsu D570E ГИДР. НАСОС., ТРУБЫS ГИДРАВЛИКА

Схема запчастей Komatsu D570E - ГИДР. НАСОС., ТРУБЫS ГИДРАВЛИКА
23
22
24
22
24
14
14
16
23
24
22
24
20
17
20
27
20
22
24
23
23
21
18
20
27
19
28
23
22
14
1
13
21
25
18
19
25
26
7
15
8
1
9
2
13
12
14
3
4
5
10
11
6
FIT
1:1
100%

Артикул

Название

Примечание

Количество

1

2983936M91

HYDRAULIC PUMP

DeutschDesc: HYDRAULIKPUMPE

1шт.

|$29

HYDRAULIC PUMP

DeutschDesc: HYDRAULIKPUMPE

-3шт.

2

3007869X1

O-RING

DeutschDesc: O-RING

1шт.

3

2970592M1

FLANGE

DeutschDesc: FLANSCH

1шт.

4

3005049X1

O-RING

DeutschDesc: O-RING

1шт.

5

339361X1

CIRCLIP

DeutschDesc: SICHERUNGSRING

1шт.

6

2979471M1

HUB

DeutschDesc: NABE

1шт.

7

390912X1

SCREW

DeutschDesc: SCHRAUBE

2шт.

8

1443787X1

SPRING WASHER

DeutschDesc: FEDERRING

2шт.

9

3000160X1

O-RING

DeutschDesc: O-RING

1шт.

10

2986806M91

TUBE

DeutschDesc: ROHR

1шт.

11

339299X1

SCREW

DeutschDesc: SCHRAUBE

4шт.

12

2994718M1

SPRING WASHER

EnglischBem: REPAIRS AND REPLACES 1443 792 X1

4шт.

13

2986550M1

HOSE

DeutschDesc: SCHLAUCH

2шт.

14

1444842X1

CLIP

DeutschDesc: SCHELLE

8шт.

15

2986569M1

TUBE

DeutschDesc: ROHR

1шт.

16

3000160X1

O-RING

DeutschDesc: O-RING

1шт.

17

2990596M91

MANIFOLD

SN: 336020318-UP

1шт.

18

339451X1

SCREW

DeutschDesc: SCHRAUBE

4шт.

19

2993793X1

SPRING WASHER

EnglischBem: REPAIRS AND REPLACES 1443 790 X1

4шт.

20

1444848X1

O-RING

DeutschDesc: O-RING

2шт.

21

4700508X91

HOSE ASSEMBLY

SN: 336020318-UP

1шт.

22

1444835X1

HALF FLANGE

DeutschDesc: HALBFLANSCH

4шт.

23

1441436X1

SCREW

DeutschDesc: SCHRAUBE

8шт.

24

2993680X1

LOCK WASHER

EnglischBem: REPAIRS AND REPLACES 391 241 X1

8шт.

25

3004942X1

HALF FLANGE

DeutschDesc: HALBFLANSCH

2шт.

26

1444849X1

O-RING

DeutschDesc: O-RING

1шт.

27

2988821M91

HOSE ASSEMBLY

SN: 336020317

1шт.

28

2986802M91

MANIFOLD

SN: 336020317

1шт.

Выбрано товаров: 0