Запчасти Komatsu D570E УПРАВЛЯЮЩ. КЛАПАН ГИДРАВЛИКА

Схема запчастей Komatsu D570E - УПРАВЛЯЮЩ. КЛАПАН ГИДРАВЛИКА
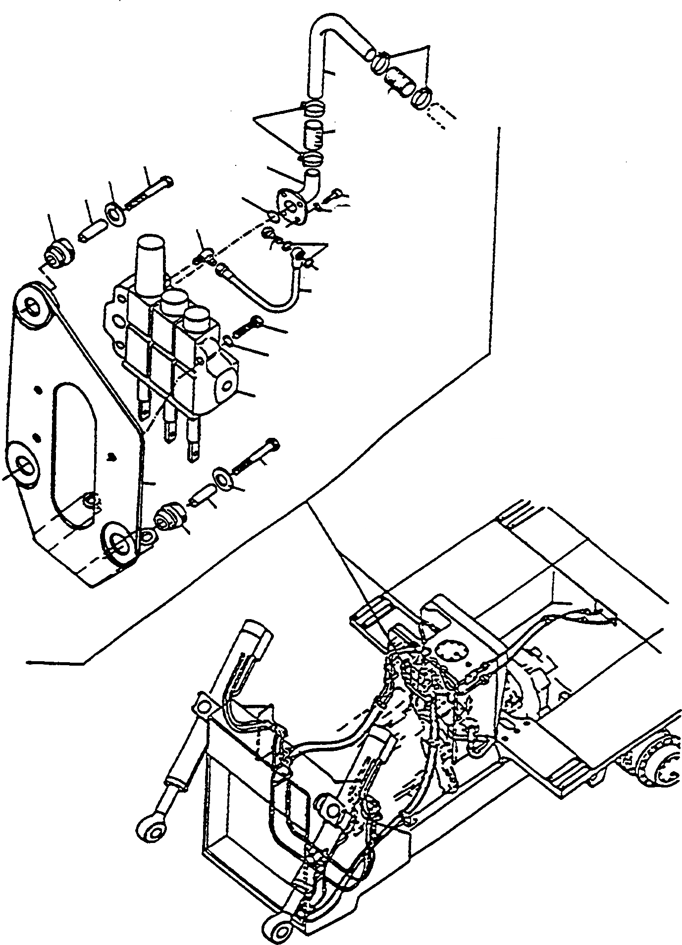
14
15
13
13
14
16
5
6
7
10
11
12
18
17
8
19
9
5
3
4
1
2
6
7
8
FIT
1:1
100%

Артикул

Название

Примечание

Количество

1

2986566M92

CONTROL VALVE

DeutschDesc: STEUERVENTIL

1шт.

|$20

CONTROL VALVE

DeutschDesc: STEUERVENTIL

-3шт.

2

2989595M91

PLATE

DeutschDesc: PLATTE

1шт.

3

339679X1

SCREW

DeutschDesc: SCHRAUBE

3шт.

4

2993793X1

SPRING WASHER

EnglischBem: REPAIRS AND REPLACES 1443 790 X1

3шт.

5

391672X1

SCREW

EnglischBem: REPAIRS AND REPLACES 339 341 X1

3шт.

6

2948080M1

DISC

DeutschDesc: SCHEIBE

3шт.

7

4101113M1

TUBE

DeutschDesc: ROHR

3шт.

8

3073949M1

BUFFER

DeutschDesc: PUFFER

3шт.

9

2986819M91

MANIFOLD

DeutschDesc: KRUEMMER

1шт.

10

1444849X1

O-RING

DeutschDesc: O-RING

1шт.

11

1443711X1

SCREW

DeutschDesc: SCHRAUBE

4шт.

12

2999755M1

CIRCLIP

EnglischBem: REPAIRS AND REPLACES 1440 990 X1

4шт.

13

2986551M2

HOSE

DeutschDesc: SCHLAUCH

2шт.

14

1444840X1

CLIP

DeutschDesc: SCHELLE

4шт.

15

2986809M1

TUBE

DeutschDesc: ROHR

1шт.

16

4102137M91

CHECK VALVE

EnglischBem: REPAIRS AND REPLACES 3004 184 X91

1шт.

17

2987484M1

HOSE ASSEMBLY

DeutschDesc: SCHLAUCH VOLLST.

1шт.

18

3222316M1

BANJO BOLT

DeutschDesc: HOHLSCHRAUBE

1шт.

19

390839X1

SEAL

DeutschDesc: DICHTRING

2шт.

Выбрано товаров: 0