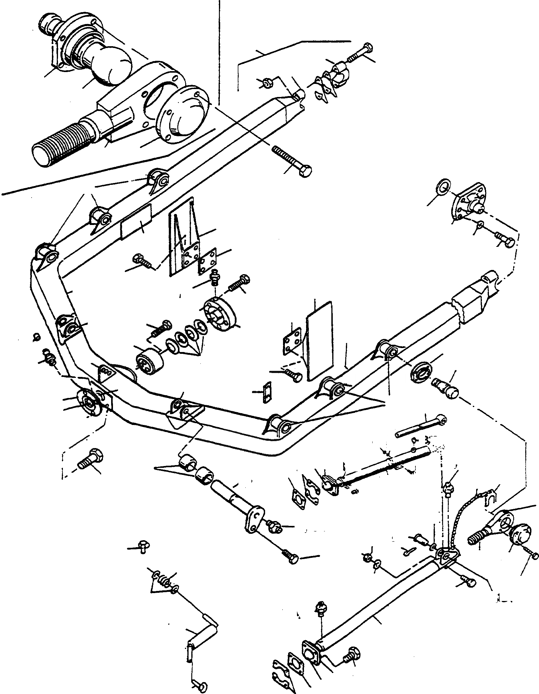
Запчасти Komatsu D570E THRUST РАМА ГИДРАВЛИКА

Схема запчастей Komatsu D570E - THRUST РАМА ГИДРАВЛИКА
41A
7
40
9
18A
2
10
17
21
8
11
18A
20
27A
40
18A
39
18A
18A
13
18A
12
18A
18A
18A
24
41
18
35
18
46
31
32
60
59
48
44
58
49
54
33
27
41
41A
29
55
46
32
56
48
28
43
42
53
4
16
1
18
54
56
20
22
55
19
6
39
18
16
3
57
14
5
45
15
18
23
47
16
34
18
18
38
25
35
51
37
36
52
18
18
50
30
31
53
47
FIT
1:1
100%

Артикул

Название

Примечание

Количество

1

2983791M92

THRUST FRAME

DeutschDesc: SCHUBRAHMEN

1шт.

2

4001818M91

FORK BEARING

DeutschDesc: GABELLAGER

1шт.

3

4001817M91

FORK BEARING

DeutschDesc: GABELLAGER

1шт.

4

2988132M1

BRACKET

DeutschDesc: HALTER

3шт.

5

2988133M1

BRACKET

DeutschDesc: HALTER

3шт.

6

3089458M1

BRACKET

DeutschDesc: HALTER

1шт.

7

3094541M91

BEARING

DeutschDesc: LAGER

2шт.

8

NOT USED

DeutschDesc: NICHT VERWENDET

-1шт.

9

2892104M1

BEARING SHELL

DeutschDesc: LAGERSCHALE

2шт.

10

2995317X1

SCREW

DeutschDesc: SCHRAUBE

4шт.

11

1444304X1

NUT

DeutschDesc: MUTTER

4шт.

12

2892105M1

DISC

EnglischBem: THICKNESS 1,0 MM

16шт.

13

2892196M1

DISC

EnglischBem: THICKNESS 0,5 MM

-26шт.

14

2892106M1

FLANGE

DeutschDesc: FLANSCH

1шт.

15

3075234M1

BALL PIN

DeutschDesc: KUGELBOLZEN

1шт.

16

1443677X1

SCREW

DeutschDesc: SCHRAUBE

12шт.

17

2994485M1

STRIPPER

DeutschDesc: ABSTREIFER

1шт.

18

339608X1

LUBRICATION NIPPLE

DeutschDesc: SCHMIERNIPPEL

14шт.

18A

4002162M1

SECURITY CAP

DeutschDesc: SCHUTZKAPPE

14шт.

19

3075232M1

BUSHING

DeutschDesc: BUCHSE

1шт.

20

1444094X1

SCREW

DeutschDesc: SCHRAUBE

9шт.

21

3000815X1

CUP SPRING

DeutschDesc: TELLERFEDER

8шт.

22

2983789M1

COVER

DeutschDesc: DECKEL

1шт.

23

2739131M1

TUBE

DeutschDesc: ROHR

4шт.

24

4001930M91

PIN

DeutschDesc: BOLZEN

2шт.

25

1444140X1

SCREW

DeutschDesc: SCHRAUBE

2шт.

26

NOT USED

DeutschDesc: NICHT VERWENDET

-1шт.

27

2983731M1

PIVOT

DeutschDesc: LAGERZAPFEN

2шт.

27A

2983744M1

DISC

DeutschDesc: SCHEIBE

2шт.

28

1444080X1

SCREW

DeutschDesc: SCHRAUBE

12шт.

29

2994705M1

SAFETY RING

DeutschDesc: SICHERHEITSRING

12шт.

30

2988102M91

STAY

DeutschDesc: STREBE

2шт.

31

2983707M1

BALL

DeutschDesc: KUGEL

2шт.

32

2983705M1

FLANGE

DeutschDesc: FLANSCH

2шт.

33

2988135M1

FORK

DeutschDesc: GABEL

2шт.

34

1443944X1

NOT USED

DeutschDesc: NICHT VERWENDET

-1шт.

35

4102064M91

ARBOR

DeutschDesc: SPINDEL

2шт.

36

3067091M8

SCREW

DeutschDesc: SCHRAUBE

4шт.

37

2994704M1

SPRING WASHER

DeutschDesc: FEDERRING

4шт.

38

1443758X1

NUT

DeutschDesc: MUTTER

4шт.

39

4102060M1

BALL PIN

DeutschDesc: KUGELBOLZEN

2шт.

40

4102102M1

FLANGE

DeutschDesc: FLANSCH

2шт.

41

4102103M1

FLANGE

DeutschDesc: FLANSCH

2шт.

41A

391673X1

SCREW

DeutschDesc: SCHRAUBE

8шт.

42

2892230M91

PIN

DeutschDesc: BOLZEN

2шт.

43

391447X1

COTTER

DeutschDesc: SPLINT

2шт.

44

2988112M91

STAY

DeutschDesc: STREBE

2шт.

45

2892171M1

ROD

DeutschDesc: STANGE

2шт.

46

2988136M1

INTERLAYER

EnglischBem: THICKNESS 1,0 MM

8шт.

47

2988137M1

INTERLAYER

EnglischBem: THICKNESS 0,5 MM

-26шт.

48

1444098X1

SCREW

DeutschDesc: SCHRAUBE

16шт.

49

1444359X1

DISC

DeutschDesc: SCHEIBE

2шт.

50

3089453M91

MOUNTING

DeutschDesc: HALTERUNG

1шт.

51

2868675M1

SPRING

DeutschDesc: FEDER

1шт.

52

390745X1

PLAIN WASHER

DeutschDesc: UNTERLEGSCHEIBE

2шт.

53

1443821X1

SAFETY PLUG

DeutschDesc: SICHERUNGSSTIFT

2шт.

54

2983792M91

PILOT

EnglischBem: CHAIN MAX.610 MM

2шт.

55

3095958M1

PLATE

EnglischBem: CHAIN MAX.610 MM

2шт.

56

2979542M1

ADJ SLIDE

EnglischBem: THICKNESS 2,0 MM CHAIN MAX.610 MM

-26шт.

57

2979543M1

ADJ SLIDE

EnglischBem: THICKNESS 1,0 MM CHAIN MAX.610 MM

-26шт.

58

1444061X1

SCREW

DeutschDesc: SCHRAUBE

8шт.

59

2994704M1

SPRING WASHER

DeutschDesc: FEDERRING

4шт.

60

339034X1

NUT

DeutschDesc: MUTTER

4шт.

Выбрано товаров: 0