Запчасти Komatsu D570E ВПРЫСК СИСТЕМА ДВИГАТЕЛЬ, АКСЕССУАРЫ И ЭЛЕКТРИЧ. СИСТЕМА

Схема запчастей Komatsu D570E - ВПРЫСК СИСТЕМА ДВИГАТЕЛЬ, АКСЕССУАРЫ И ЭЛЕКТРИЧ. СИСТЕМА
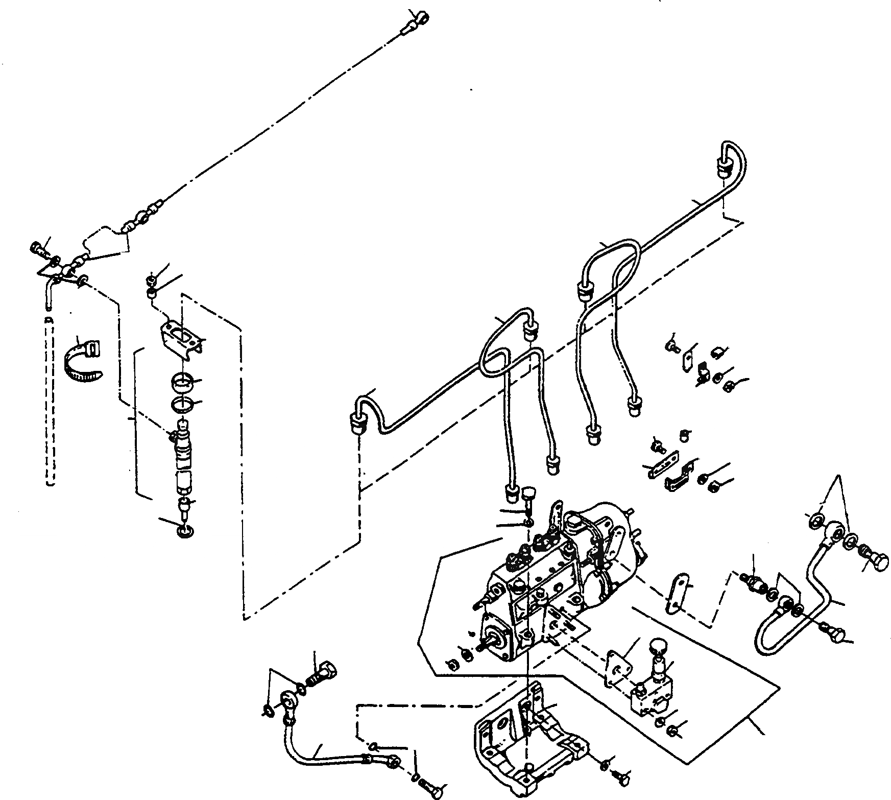
31
30
34
35
37
14
42
41
38
2
25
33
31
29
32
36
12
40
24
5
6
28
39
27
22
12
2
5
20
6
23
13
26
16
18
19
21
7
4
8
17
17
9
3
18
10
5
6
15
18
1
12
11
17
FIT
1:1
100%

Артикул

Название

Примечание

Количество

1

4404065M91

INJECTION PUMP

DeutschDesc: EINSPRITZPUMPE

1шт.

|$43

INJECTION PUMP

DeutschDesc: EINSPRITZPUMPE

-3шт.

2

2870619M1

PROTECTOR

DeutschDesc: SCHUTZ

8шт.

3

3237579M91

PRIMING PUMP

DeutschDesc: FOERDERPUMPE

1шт.

|$44

PRIMING PUMP

DeutschDesc: FOERDERPUMPE

-3шт.

4

2871867M1

GASKET

DeutschDesc: DICHTUNG

1шт.

5

1443791X1

SPRING WASHER

DeutschDesc: FEDERRING

6шт.

6

339030X1

NUT

DeutschDesc: MUTTER

4шт.

7

1443809X1

WOODRUFF KEY

DeutschDesc: SCHEIBENFEDER

1шт.

8

1443792X1

SPRING WASHER

DeutschDesc: FEDERRING

3шт.

9

3067709M8

NUT

DeutschDesc: MUTTER

1шт.

10

2871851M1

CARRIER

DeutschDesc: TRAEGER

1шт.

11

339139X1

SCREW

DeutschDesc: SCHRAUBE

2шт.

12

391074X1

SCREW

DeutschDesc: SCHRAUBE

3шт.

13

339132X1

SCREW

DeutschDesc: SCHRAUBE

4шт.

14

1443776X1

PLAIN WASHER

DeutschDesc: UNTERLEGSCHEIBE

4шт.

15

3086050M91

HOSE ASSEMBLY

DeutschDesc: SCHLAUCH VOLLST.

1шт.

16

2992462M1

BANJO BOLT

DeutschDesc: HOHLSCHRAUBE

1шт.

17

2999617M1

BANJO BOLT

DeutschDesc: HOHLSCHRAUBE

3шт.

18

1440993X1

SEAL

DeutschDesc: DICHTRING

6шт.

19

2999610M1

BANJO BOLT

DeutschDesc: HOHLSCHRAUBE

1шт.

20

390839X1

SEAL

DeutschDesc: DICHTRING

2шт.

21

2992459M91

OVERFLOW OIL LINE

DeutschDesc: LECKOELLEITUNG

1шт.

22

3090238M91

INJECTOR VALVE

DeutschDesc: EINSPRITZVENTIL

4шт.

23

3079540M1

FUEL INJECTOR

DeutschDesc: EINSPRITZDUESE

4шт.

24

3079533M1

FLANGE

DeutschDesc: FLANSCH

4шт.

25

3079536M1

BANJO BOLT

DeutschDesc: HOHLSCHRAUBE

4шт.

26

3090239M1

SEAL

DeutschDesc: DICHTRING

4шт.

27

3004280X1

O-RING

DeutschDesc: O-RING

4шт.

28

3090240M1

RING

DeutschDesc: RING

4шт.

29

3090230M1

TUBE

DeutschDesc: ROHR

8шт.

30

339169X1

NUT

DeutschDesc: MUTTER

8шт.

31

3090229M91

OVERFLOW OIL LINE

DeutschDesc: LECKOELLEITUNG

1шт.

32

3000136X1

SEAL

DeutschDesc: DICHTRING

8шт.

33

2871896M1

BRACKET

DeutschDesc: HALTER

1шт.

34

2963655M1

BRACE

DeutschDesc: HALTEBAND

1шт.

35

2871903M91

INJECTION PIPE

DeutschDesc: EINSPRITZLEITUNG

1шт.

36

2871904M91

INJECTION PIPE

DeutschDesc: EINSPRITZLEITUNG

1шт.

37

2871905M91

INJECTION PIPE

DeutschDesc: EINSPRITZLEITUNG

1шт.

38

2871906M91

INJECTION PIPE

DeutschDesc: EINSPRITZLEITUNG

1шт.

39

2870620M1

CLIP

DeutschDesc: SCHELLE

2шт.

40

2870621M1

CLIP

DeutschDesc: SCHELLE

2шт.

41

2872815M1

CLIP

DeutschDesc: SCHELLE

1шт.

42

2872816M1

CLIP

DeutschDesc: SCHELLE

1шт.

Выбрано товаров: 44