Запчасти Komatsu D570E ТРАНСМИССИЯ МАСЛ. ОХЛАЖД-Е ДВИГАТЕЛЬ, АКСЕССУАРЫ И ЭЛЕКТРИЧ. СИСТЕМА

Схема запчастей Komatsu D570E - ТРАНСМИССИЯ МАСЛ. ОХЛАЖД-Е ДВИГАТЕЛЬ, АКСЕССУАРЫ И ЭЛЕКТРИЧ. СИСТЕМА
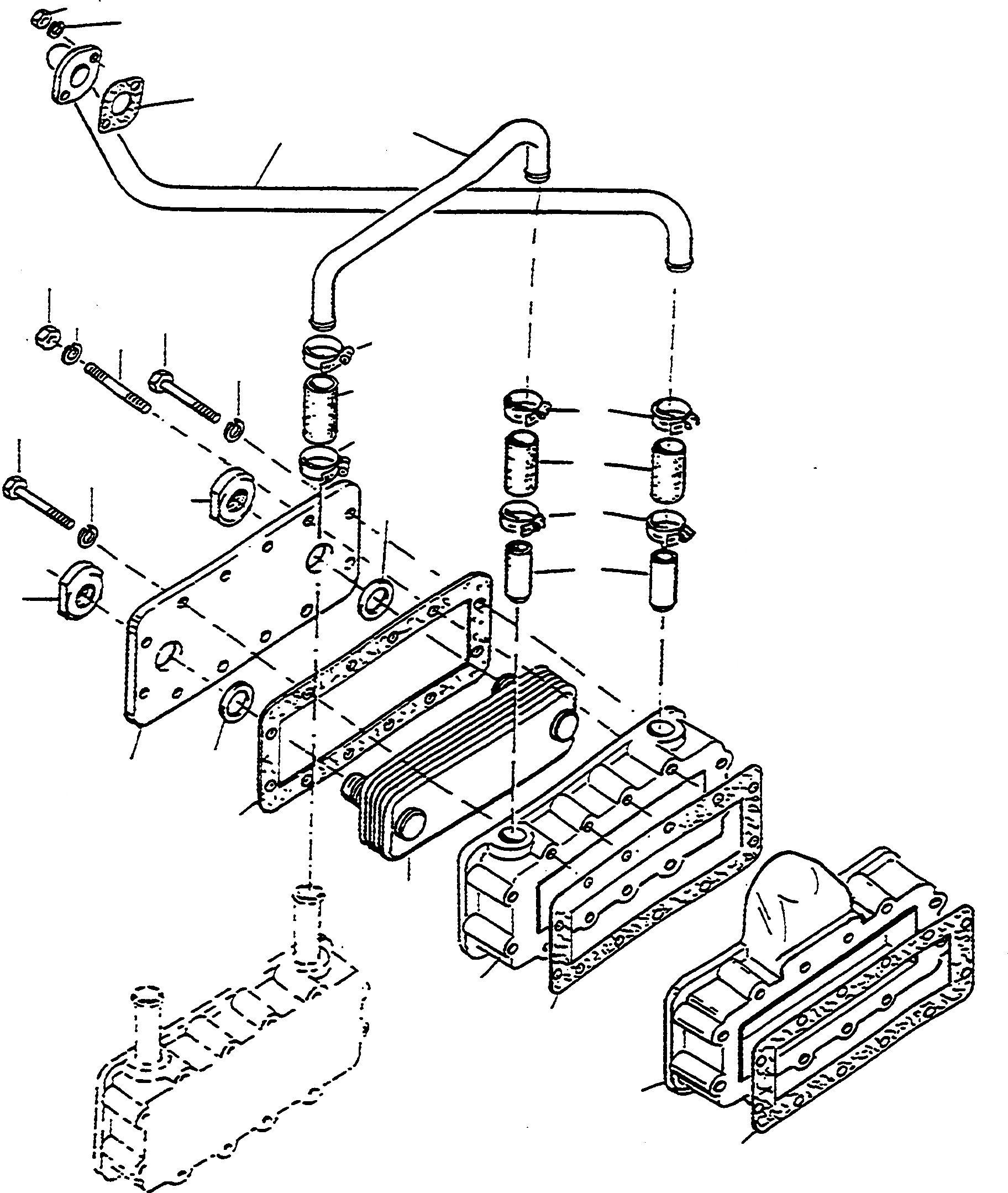
19
14
13
18
4
17
15
16
11
10
9
8
13
10
13
9
14
10
7
6
13
12
7
6
5
3
2
5
1
5
FIT
1:1
100%

Артикул

Название

Примечание

Количество

1

2992339M1

HOUSING

DeutschDesc: GEHAEUSE

1шт.

2

3079544M1

HOUSING

DeutschDesc: GEHAEUSE

1шт.

3

3079547M1

INSET

DeutschDesc: EINSATZ

1шт.

4

3079546M1

COVER

DeutschDesc: DECKEL

1шт.

5

2870823M1

GASKET

DeutschDesc: DICHTUNG

3шт.

6

1444753X1

SEAL

DeutschDesc: DICHTRING

2шт.

7

2992705M1

NUT

DeutschDesc: MUTTER

2шт.

8

1444228X1

STUD BOLT

DeutschDesc: STIFTSCHRAUBE

2шт.

9

3001050X1

SCREW

DeutschDesc: SCHRAUBE

10шт.

10

1443789X1

SPRING WASHER

DeutschDesc: FEDERRING

12шт.

11

339169X1

NUT

DeutschDesc: MUTTER

2шт.

12

3079548M1

TUBE

DeutschDesc: ROHR

2шт.

13

1444838X1

CLIP

DeutschDesc: SCHELLE

6шт.

14

3007428X1

HOSE

EnglischBem: GOODS SOLD BY THE METER 1443 909 X1 70 MM

3шт.

15

2992364M1

PIPE

DeutschDesc: ROHRLEITUNG

1шт.

16

2992362M91

PIPE

DeutschDesc: ROHRLEITUNG

1шт.

17

4700097X1

GASKET

EnglischBem: REPAIRS AND REPLACES 1443 853 X1

1шт.

18

1443789X1

SPRING WASHER

DeutschDesc: FEDERRING

2шт.

19

339169X1

NUT

DeutschDesc: MUTTER

2шт.

Выбрано товаров: 19