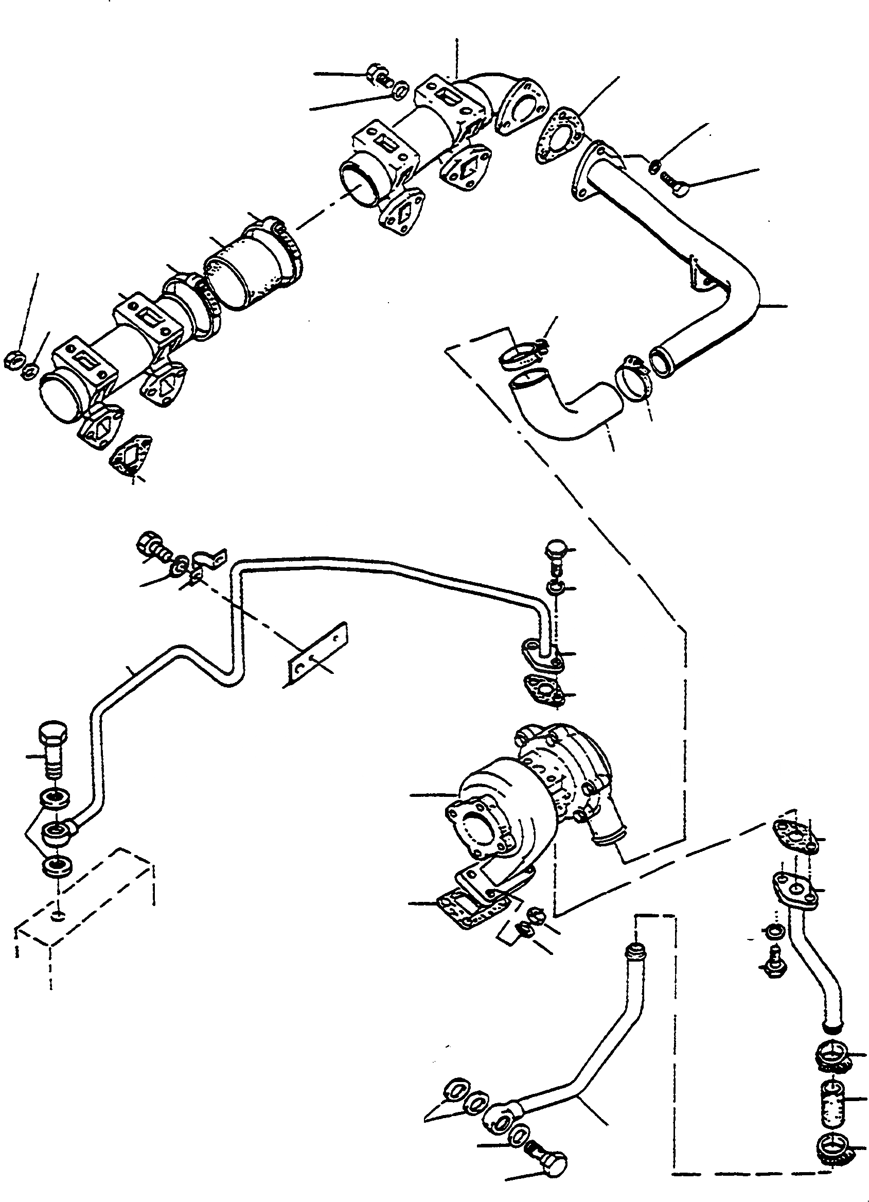
Запчасти Komatsu D570E INTAKE КОЛЛЕКТОР, ТУРБОНАГНЕТАТЕЛЬ ДВИГАТЕЛЬ, АКСЕССУАРЫ И ЭЛЕКТРИЧ. СИСТЕМА

Схема запчастей Komatsu D570E - INTAKE КОЛЛЕКТОР, ТУРБОНАГНЕТАТЕЛЬ ДВИГАТЕЛЬ, АКСЕССУАРЫ И ЭЛЕКТРИЧ. СИСТЕМА
25
24
31
22
24
34
4
14
14
8
32
23
28
27
28
30
26
21
19
21
20
29
9
35
8
36
16
16
15
33
17
1
18
6
7
3
5
9
11
10
12
11
13
FIT
1:1
100%

Артикул

Название

Примечание

Количество

1

3093493M91

TURBOCHARGER

DeutschDesc: TURBOLADER

1шт.

|$37

TURBOCHARGER

DeutschDesc: TURBOLADER

-3шт.

2

NOT USED

DeutschDesc: NICHT VERWENDET

-1шт.

3

2992758M1

GASKET

EnglischBem: REPAIRS AND REPLACES 3095 252 M1

1шт.

4

2999785M1

NUT

DeutschDesc: MUTTER

4шт.

5

391363X1

SPRING PLATE

DeutschDesc: FEDERSCHEIBE

4шт.

6

2992768M1

GASKET

EnglischBem: REPAIRS AND REPLACES 3076 976 M1

1шт.

7

2992365M91

TUBE

DeutschDesc: ROHR

1шт.

8

1443789X1

SPRING WASHER

DeutschDesc: FEDERRING

4шт.

9

390991X1

SCREW

DeutschDesc: SCHRAUBE

4шт.

10

2945595M1

HOSE

DeutschDesc: SCHLAUCH

1шт.

11

1444846X1

CLIP

DeutschDesc: SCHELLE

2шт.

12

2992378M91

TUBE

DeutschDesc: ROHR

1шт.

13

2999614M1

BANJO BOLT

DeutschDesc: HOHLSCHRAUBE

1шт.

14

391313X1

SEAL

DeutschDesc: DICHTRING

3шт.

15

4404014M1

GASKET

EnglischBem: REPAIRS AND REPLACES 2872 855 M1

1шт.

16

2992380M91

TUBE

DeutschDesc: ROHR

1шт.

17

2999668M1

BANJO BOLT

DeutschDesc: HOHLSCHRAUBE

1шт.

18

1440997X1

SEAL

DeutschDesc: DICHTRING

2шт.

19

2992383M91

MANIFOLD

DeutschDesc: KRUEMMER

1шт.

20

2870696M1

HOSE

DeutschDesc: SCHLAUCH

1шт.

21

1444842X1

CLIP

DeutschDesc: SCHELLE

2шт.

22

2992776M1

GASKET

EnglischBem: REPAIRS AND REPLACES 2992 373 M1

1шт.

23

339451X1

SCREW

DeutschDesc: SCHRAUBE

38шт.

24

1443790X1

SPRING WASHER

DeutschDesc: FEDERRING

38шт.

25

2992337M1

INTAKE MANIFOLD

DeutschDesc: ANSAUGKRUEMMER

1шт.

26

2992338M91

INTAKE MANIFOLD

DeutschDesc: ANSAUGKRUEMMER

1шт.

27

1443887X1

HOSE

EnglischBem: GOODS SOLD BY METER 3002 527 X1 70 MM

1шт.

28

1444844X1

CLIP

DeutschDesc: SCHELLE

2шт.

29

2992769M1

GASKET

EnglischBem: REPAIRS AND REPLACES 2871 971 M1

4шт.

30

1444320X1

NUT

DeutschDesc: MUTTER

12шт.

31

1444260X1

PLUG

EnglischBem: WITHOUT FLAME STARTER SYSTEM

1шт.

32

1444747X1

SEAL

EnglischBem: WITHOUT FLAME STARTER SYSTEM

1шт.

33

2987713M1

BRACKET

DeutschDesc: HALTER

1шт.

34

1444641X1

CLIP

DeutschDesc: SCHELLE

1шт.

35

339721X1

SCREW

DeutschDesc: SCHRAUBE

2шт.

36

1444793X1

SPRING WASHER

DeutschDesc: FEDERRING

2шт.

Выбрано товаров: 37