Запчасти Komatsu D570E PRESSURE REGULATING КЛАПАН ТРАНСМИССИЯ И ЗАДН. МОСТ

Схема запчастей Komatsu D570E - PRESSURE REGULATING КЛАПАН ТРАНСМИССИЯ И ЗАДН. МОСТ
40
38
41
39
17
18
37
10
36
32
9
35
34
12
20
11
19
16
33
11
30
31
29
4
28
3
21
24
26
5
25
23
2
14
22
42
7
6
9
43
15
21
10
13
FIT
1:1
100%

Артикул

Название

Примечание

Количество

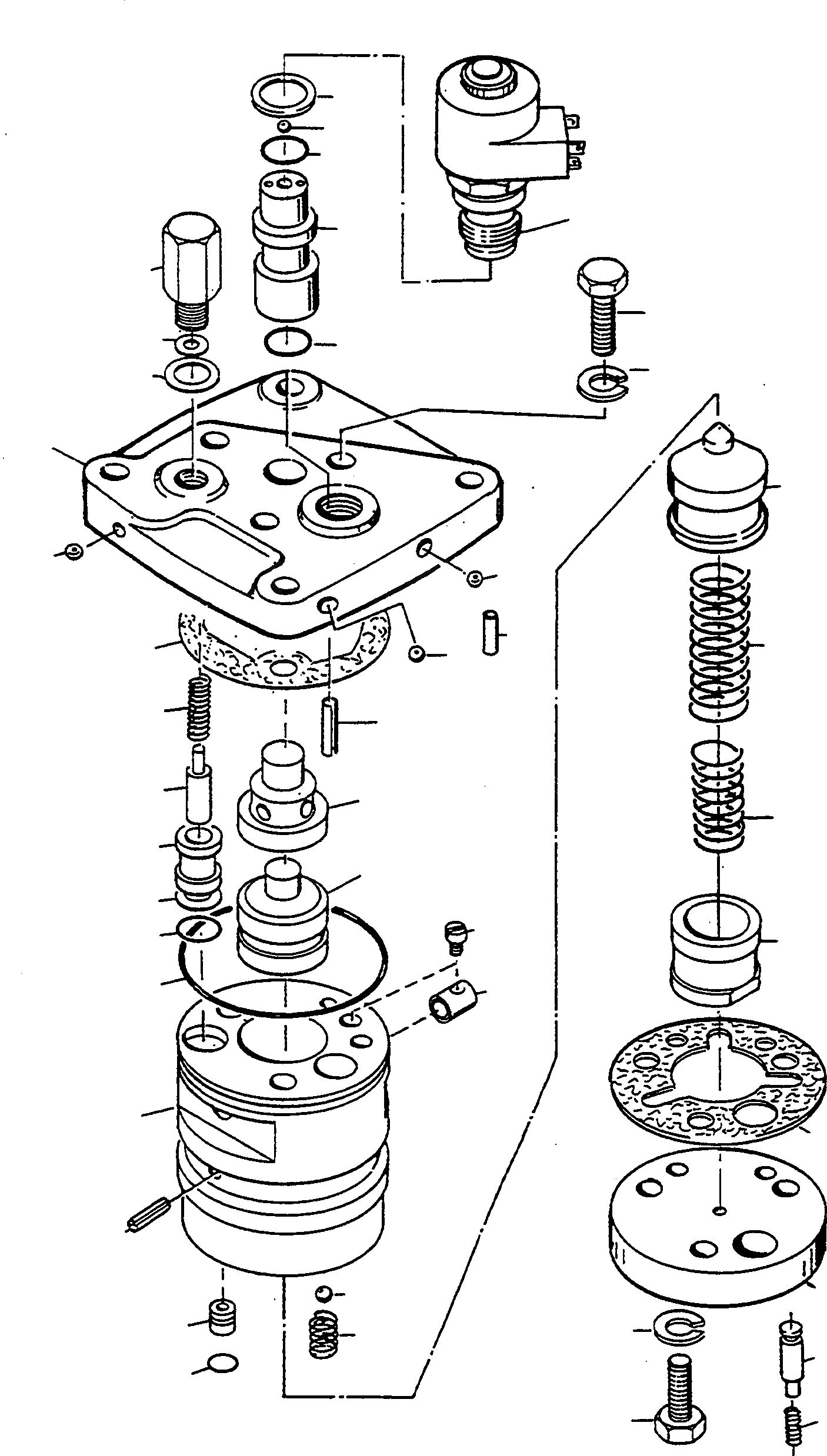
1

4401289M92

PRESSURE REGULATOR

EnglischBem: REPAIRS AND REPLACES 3076 647 M92

1шт.

2

VALVE CASE

EnglischBem: ORDER 4401 289 M92

1шт.

3

VALVE

EnglischBem: ORDER 4401 289 M92

1шт.

4

VALVE SEAT

EnglischBem: ORDER 4401 289 M92

1шт.

5

SHUTTLE

EnglischBem: ORDER 4401 289 M92

1шт.

6

4401298M1

NOZZLE

DeutschDesc: DUESE

1шт.

7

4401293M1

COVER

DeutschDesc: DECKEL

1шт.

8

NOT USED

DeutschDesc: NICHT VERWENDET

-1шт.

9

1443789X1

SPRING WASHER

DeutschDesc: FEDERRING

3шт.

10

391148X1

SCREW

DeutschDesc: SCHRAUBE

3шт.

11

1444586X1

BALL

DeutschDesc: KUGEL

2шт.

12

2875888M1

VALVE COVER

DeutschDesc: VENTILDECKEL

1шт.

13

4401324M1

SPRING

DeutschDesc: FEDER

2шт.

14

4400447M1

GASKET

EnglischBem: REPAIRS AND REPLACES 4401 294 M1

1шт.

15

2952781M1

PISTON

DeutschDesc: KOLBEN

1шт.

16

4401323M1

SPRING

DeutschDesc: FEDER

1шт.

17

4401302M91

SOLENOID VALVE

DeutschDesc: MAGNETVENTIL

1шт.

18

VALVE CASE

EnglischBem: ORDER 4401 302 M91

1шт.

19

2993203X1

ADAPTER SLEEVES

DeutschDesc: SPANNHUELSE

1шт.

20

1444588X1

BALL

DeutschDesc: KUGEL

1шт.

21

3006095X1

O-RING

DeutschDesc: O-RING

1шт.

22

1444438X1

PEG

EnglischBem: REPAIRS AND REPLACES 1440 910 X1

1шт.

23

2889646M1

NOZZLE

DeutschDesc: DUESE

1шт.

24

1444159X1

SCREW

DeutschDesc: SCHRAUBE

1шт.

25

1444798X1

O-RING

DeutschDesc: O-RING

2шт.

26

3006095X1

O-RING

DeutschDesc: O-RING

1шт.

27

2889694M1

DISC

DeutschDesc: SCHEIBE

1шт.

28

2964916M1

BUSHING

DeutschDesc: BUCHSE

1шт.

29

2952781M1

PISTON

DeutschDesc: KOLBEN

1шт.

30

4401321M1

COMPRESSION SPRING

DeutschDesc: DRUCKFEDER

1шт.

31

1442142X1

ADAPTER SLEEVES

DeutschDesc: SPANNHUELSE

1шт.

32

2995765X1

O-RING

DeutschDesc: O-RING

1шт.

33

4400446M1

GASKET

EnglischBem: REPAIRS AND REPLACES 4401 292 M1

1шт.

34

4401291M1

COVER

DeutschDesc: DECKEL

1шт.

35

390839X1

SEAL

DeutschDesc: DICHTRING

1шт.

36

NOT USED

DeutschDesc: NICHT VERWENDET

-1шт.

37

2952780M1

PLUG

DeutschDesc: VERSCHLUSSSTOPFEN

1шт.

38

3007149X1

O-RING

DeutschDesc: O-RING

1шт.

39

1442344X1

BALL

DeutschDesc: KUGEL

1шт.

40

3006095X1

O-RING

DeutschDesc: O-RING

1шт.

41

4401320M1

SPRING

DeutschDesc: FEDER

1шт.

42

1440920X1

BALL

DeutschDesc: KUGEL

1шт.

43

2979405M1

COMPRESSION SPRING

DeutschDesc: DRUCKFEDER

1шт.

Выбрано товаров: 43