Запчасти Komatsu D575A-2 КОНДИЦ. ВОЗДУХА (/)(№-) КАБИНА ОПЕРАТОРА И СИСТЕМА УПРАВЛЕНИЯ

Схема запчастей Komatsu D575A-2 - КОНДИЦ. ВОЗДУХА (/)(№-) КАБИНА ОПЕРАТОРА И СИСТЕМА УПРАВЛЕНИЯ
FIT
1:1
100%

Артикул

Название

Примечание

Количество

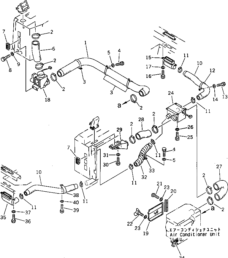
1

195-Z11-6780

HOSE

SN: 10001-UP

1шт.

2

07281-01159

CLAMP

SN: 10001-UP

8шт.

3

195-Z11-5240

CLIP

SN: 10001-UP

3шт.

4

01010-81225

BOLT

SN: 10001-UP

4шт.

5

01643-31232

WASHER

SN: 10001-UP

4шт.

6

195-Z11-6760

AIR DUCT

SN: 10001-UP

1шт.

7

142-979-3221

GRILLE ASS'Y

SN: 10001-UP

6шт.

8

01010-80816

BOLT

SN: 10001-UP

3шт.

9

01643-30823

WASHER

SN: 10001-UP

3шт.

10

195-Z11-6790

HOSE

SN: 10001-UP

2шт.

11

07281-00709

CLAMP

SN: 10001-UP

6шт.

12

281-03-11710

CLIP

SN: 10001-UP

1шт.

13

01010-81220

BOLT

SN: 10001-UP

1шт.

14

01643-31232

WASHER

SN: 10001-UP

1шт.

15

195-Z11-5290

DUCT

SN: 10001-UP

1шт.

16

01010-81225

BOLT

SN: 10001-UP

2шт.

17

01643-31232

WASHER

SN: 10001-UP

2шт.

18

195-Z11-5502

DISTRIBUTOR ASS'Y,R.H.

SN: 10001-UP

1шт.

19

195-Z11-6691

FILTER

SN: 10001-UP

1шт.

20

195-Z11-5251

PLATE

SN: 10001-UP

1шт.

21

01220-40612

SCREW

SN: 10001-UP

2шт.

22

01434-10620

BOLT, WING

SN: 10003-UP

2шт.

23

01643-30623

WASHER

SN: 10001-UP

4шт.

24

195-Z11-5402

DISTRIBUTOR ASS'Y,L.H.

SN: 10001-UP

1шт.

25

01010-81225

BOLT

SN: 10001-UP

4шт.

26

01643-31232

WASHER

SN: 10001-UP

4шт.

27

195-Z11-6750

AIR DUCT

SN: 10001-UP

1шт.

28

195-Z11-6740

AIR DUCT

SN: 10001-UP

1шт.

29

195-Z11-5280

DUCT

SN: 10001-UP

1шт.

30

01010-81225

BOLT

SN: 10001-UP

2шт.

31

01643-31232

WASHER

SN: 10001-UP

2шт.

32

195-Z11-6770

HOSE

SN: 10001-UP

1шт.

33

198-911-4480

CLIP

SN: 10001-UP

1шт.

34

195-Z11-5360

CLIP

SN: 10001-UP

1шт.

35

19M-979-3250

DUCT

SN: 10001-UP

1шт.

36

01010-81220

BOLT

SN: 10001-UP

2шт.

37

01643-31232

WASHER

SN: 10001-UP

2шт.

38

281-03-11710

CLIP

SN: 10001-UP

1шт.

39

01010-81220

BOLT

SN: 10001-UP

1шт.

40

01643-31232

WASHER

SN: 10001-UP

1шт.

Выбрано товаров: 0