Запчасти Komatsu SA12V170-1D-EA МАСЛ. ФИЛЬТР(№9-) ДВИГАТЕЛЬ

Схема запчастей Komatsu SA12V170-1D-EA - МАСЛ. ФИЛЬТР(№9-) ДВИГАТЕЛЬ
1
2
2
3
4
5
6
6
7
8
9
10
10
10
11
12
13
14
15
16
17
18
19
20
23
23
24
25
26
27
28
29
30
31
32
1
2
2
3
4
5
6
6
7
8
9
10
10
10
11
12
13
14
15
16
17
18
19
20
23
23
24
25
26
27
28
29
30
31
32
FIT
1:1
100%

Артикул

Название

Примечание

Количество

|$2

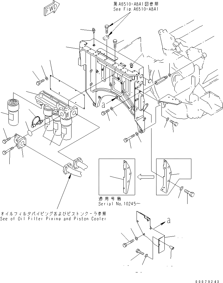
6166-51-5401

OIL FILTER ASS'Y

SN: 10106-UP

1шт.

1

6166-51-5410

HEAD

SN: 10024-UP

1шт.

2

600-211-1241

CARTRIDGE

SN: 10106-UP

4шт.

3

799-101-5160

NIPPLE

SN: 10076-UP

1шт.

4

01010-61440

BOLT

SN: 10193-UP

6шт.

5

6166-51-2813

BRACKET

SN: 10193-UP

1шт.

6

04530-11222

BOLT,EYE

SN: 10024-UP

2шт.

7

01010-61670

BOLT

SN: 10193-UP

2шт.

8

01010-61685

BOLT

SN: 10193-UP

2шт.

9

01011-61600

BOLT

SN: 10193-UP

3шт.

10

01643-31645

WASHER

SN: 10024-UP

7шт.

11

6166-51-5490

BOLT

SN: 10024-UP

4шт.

12

01643-32460

WASHER

SN: 10024-UP

4шт.

13

6166-51-2890

COVER

SN: 10076-UP

1шт.

14

01010-80825

BOLT

SN: 10076-UP

10шт.

15

01643-30823

WASHER

SN: 10076-UP

10шт.

16

6166-51-2860

SEAL

SN: 10178-UP

2шт.

17

6166-51-2830

COVER

SN: 10136-UP

1шт.

18

6150-81-6920

SPACER

SN: 10136-UP

2шт.

19

01010-81090

BOLT

SN: 10136-UP

2шт.

20

01643-31032

WASHER

SN: 10136-UP

2шт.

23

6166-51-7261

BRACKET

SN: 10245-UP

1шт.

23

0

BRACKET

SN: 10136-10244

1шт.

24

01643-31645

WASHER

SN: 10136-UP

3шт.

25

01010-81640

BOLT

SN: 10193-UP

3шт.

26

6166-51-2750

CONNECTOR

SN: 10024-UP

1шт.

27

07000-65080

O-RING (K2)

SN: 10024-UP

1шт.

28

01010-81240

BOLT

SN: 10024-UP

2шт.

29

01011-81200

BOLT

SN: 10024-UP

2шт.

30

6166-51-5340

BRACKET

SN: 10024-UP

1шт.

31

01010-81030

BOLT

SN: 10024-UP

3шт.

32

01643-31032

WASHER

SN: 10024-UP

3шт.

|$2

6166-51-5401

OIL FILTER ASS'Y

SN: 10106-UP

1шт.

1

6166-51-5410

HEAD

SN: 10024-UP

1шт.

2

600-211-1241

CARTRIDGE

SN: 10106-UP

4шт.

3

799-101-5160

NIPPLE

SN: 10076-UP

1шт.

4

01010-61440

BOLT

SN: 10193-UP

6шт.

5

6166-51-2813

BRACKET

SN: 10193-UP

1шт.

6

04530-11222

BOLT,EYE

SN: 10024-UP

2шт.

7

01010-61670

BOLT

SN: 10193-UP

2шт.

8

01010-61685

BOLT

SN: 10193-UP

2шт.

9

01011-61600

BOLT

SN: 10193-UP

3шт.

10

01643-31645

WASHER

SN: 10024-UP

7шт.

11

6166-51-5490

BOLT

SN: 10024-UP

4шт.

12

01643-32460

WASHER

SN: 10024-UP

4шт.

13

6166-51-2890

COVER

SN: 10076-UP

1шт.

14

01010-80825

BOLT

SN: 10076-UP

10шт.

15

01643-30823

WASHER

SN: 10076-UP

10шт.

16

6166-51-2860

SEAL

SN: 10178-UP

2шт.

17

6166-51-2830

COVER

SN: 10136-UP

1шт.

18

6150-81-6920

SPACER

SN: 10136-UP

2шт.

19

01010-81090

BOLT

SN: 10136-UP

2шт.

20

01643-31032

WASHER

SN: 10136-UP

2шт.

23

6166-51-7261

BRACKET

SN: 10245-UP

1шт.

23

0

BRACKET

SN: 10136-10244

1шт.

24

01643-31645

WASHER

SN: 10136-UP

3шт.

25

01010-81640

BOLT

SN: 10193-UP

3шт.

26

6166-51-2750

CONNECTOR

SN: 10024-UP

1шт.

27

07000-65080

O-RING (K2)

SN: 10024-UP

1шт.

28

01010-81240

BOLT

SN: 10024-UP

2шт.

29

01011-81200

BOLT

SN: 10024-UP

2шт.

30

6166-51-5340

BRACKET

SN: 10024-UP

1шт.

31

01010-81030

BOLT

SN: 10024-UP

3шт.

32

01643-31032

WASHER

SN: 10024-UP

3шт.

Выбрано товаров: 64