Запчасти Komatsu SA12V170-1D-EA ТУРБОНАГНЕТАТЕЛЬ COVER(№-9) ДВИГАТЕЛЬ

Схема запчастей Komatsu SA12V170-1D-EA - ТУРБОНАГНЕТАТЕЛЬ COVER(№-9) ДВИГАТЕЛЬ
1
2
3
3
4
4
5
6
7
7
8
8
8
8
9
9
9
9
9
9
10
11
12
13
14
15
16
16
17
17
18
19
20
21
21
21
21
22
22
22
22
23
24
25
25
25
25
26
26
26
26
1
2
3
3
4
4
5
6
7
7
8
8
8
8
9
9
9
9
9
9
10
11
12
13
14
15
16
16
17
17
18
19
20
21
21
21
21
22
22
22
22
23
24
25
25
25
25
26
26
26
26
FIT
1:1
100%

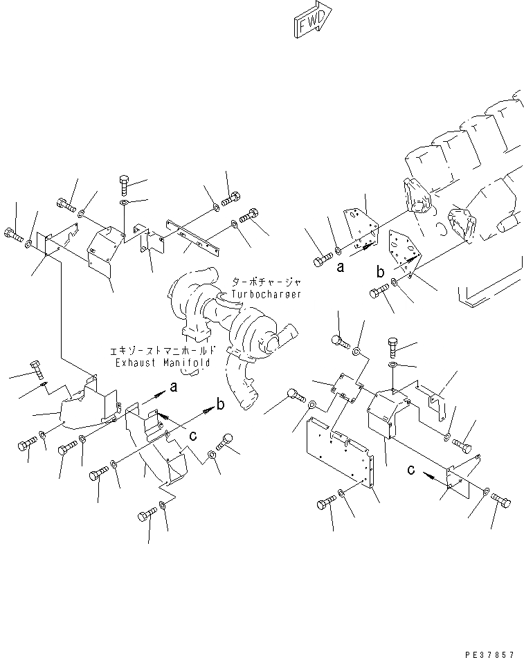
Артикул

Название

Примечание

Количество

1

6166-11-9330

COVER,L.H.

SN: 10024-@

1шт.

2

6166-11-9340

COVER,R.H.

SN: 10024-@

1шт.

3

01010-E1020

BOLT

SN: 10024-@

6шт.

4

01643-31032

WASHER

SN: 10024-@

6шт.

5

6166-11-9312

COVER,L.H.

SN: 10097-@

1шт.

5

0

COVER,L.H.

SN: 10024-10096

1шт.

6

6166-11-9322

COVER,R.H.

SN: 10097-@

1шт.

6

0

COVER,R.H.

SN: 10024-10096

1шт.

7

01010-E1020

BOLT

SN: 10024-@

12шт.

8

01010-E1025

BOLT

SN: 10024-@

6шт.

9

01643-31032

WASHER

SN: 10024-@

18шт.

10

6166-11-9642

COVER

SN: 10097-@

1шт.

10

0

COVER

SN: 10024-10096

1шт.

11

01010-E0825

BOLT

SN: 10024-@

7шт.

12

01643-30823

WASHER

SN: 10024-@

7шт.

13

6166-11-9661

COVER,L.H.

SN: 10024-@

1шт.

14

6166-11-9671

COVER,R.H.

SN: 10024-@

1шт.

15

6166-11-9680

COVER

SN: 10024-@

1шт.

16

01010-E1020

BOLT

SN: 10024-@

6шт.

17

01643-31032

WASHER

SN: 10024-@

6шт.

18

6166-11-9371

COVER,L.H.

SN: 10024-@

1шт.

19

6166-11-9381

COVER,R.H.

SN: 10024-@

1шт.

20

6166-11-9651

COVER

SN: 10024-@

1шт.

21

01010-E1020

BOLT

SN: 10024-@

9шт.

22

01643-31032

WASHER

SN: 10024-@

9шт.

23

6166-11-9350

COVER,L.H.

SN: 10024-@

1шт.

24

6166-11-9360

COVER,R.H.

SN: 10024-@

1шт.

25

01010-E1020

BOLT

SN: 10024-@

12шт.

26

01643-31032

WASHER

SN: 10024-@

12шт.

1

6166-11-9330

COVER,L.H.

SN: 10024-@

1шт.

2

6166-11-9340

COVER,R.H.

SN: 10024-@

1шт.

3

01010-E1020

BOLT

SN: 10024-@

6шт.

4

01643-31032

WASHER

SN: 10024-@

6шт.

5

6166-11-9312

COVER,L.H.

SN: 10097-@

1шт.

5

0

COVER,L.H.

SN: 10024-10096

1шт.

6

6166-11-9322

COVER,R.H.

SN: 10097-@

1шт.

6

0

COVER,R.H.

SN: 10024-10096

1шт.

7

01010-E1020

BOLT

SN: 10024-@

12шт.

8

01010-E1025

BOLT

SN: 10024-@

6шт.

9

01643-31032

WASHER

SN: 10024-@

18шт.

10

6166-11-9642

COVER

SN: 10097-@

1шт.

10

0

COVER

SN: 10024-10096

1шт.

11

01010-E0825

BOLT

SN: 10024-@

7шт.

12

01643-30823

WASHER

SN: 10024-@

7шт.

13

6166-11-9661

COVER,L.H.

SN: 10024-@

1шт.

14

6166-11-9671

COVER,R.H.

SN: 10024-@

1шт.

15

6166-11-9680

COVER

SN: 10024-@

1шт.

16

01010-E1020

BOLT

SN: 10024-@

6шт.

17

01643-31032

WASHER

SN: 10024-@

6шт.

18

6166-11-9371

COVER,L.H.

SN: 10024-@

1шт.

19

6166-11-9381

COVER,R.H.

SN: 10024-@

1шт.

20

6166-11-9651

COVER

SN: 10024-@

1шт.

21

01010-E1020

BOLT

SN: 10024-@

9шт.

22

01643-31032

WASHER

SN: 10024-@

9шт.

23

6166-11-9350

COVER,L.H.

SN: 10024-@

1шт.

24

6166-11-9360

COVER,R.H.

SN: 10024-@

1шт.

25

01010-E1020

BOLT

SN: 10024-@

12шт.

26

01643-31032

WASHER

SN: 10024-@

12шт.

Выбрано товаров: 0