Запчасти Komatsu SA12V170-1D-EA ТУРБОНАГНЕТАТЕЛЬ КРЫШКА(ДВИГАТЕЛЬ ПРАВ. )(№9-) ДВИГАТЕЛЬ

Схема запчастей Komatsu SA12V170-1D-EA - ТУРБОНАГНЕТАТЕЛЬ КРЫШКА(ДВИГАТЕЛЬ ПРАВ. )(№9-) ДВИГАТЕЛЬ
1
2
3
4
5
6
7
7
7
7
7
7
7
8
8
8
8
8
8
9
9
9
9
9
9
9
9
9
9
9
9
9
10
11
12
13
14
15
16
16
17
18
19
20
21
22
23
24
25
26
27
28
29
30
31
1
2
3
4
5
6
7
7
7
7
7
7
7
8
8
8
8
8
8
9
9
9
9
9
9
9
9
9
9
9
9
9
10
11
12
13
14
15
16
16
17
18
19
20
21
22
23
24
25
26
27
28
29
30
31
FIT
1:1
100%

Артикул

Название

Примечание

Количество

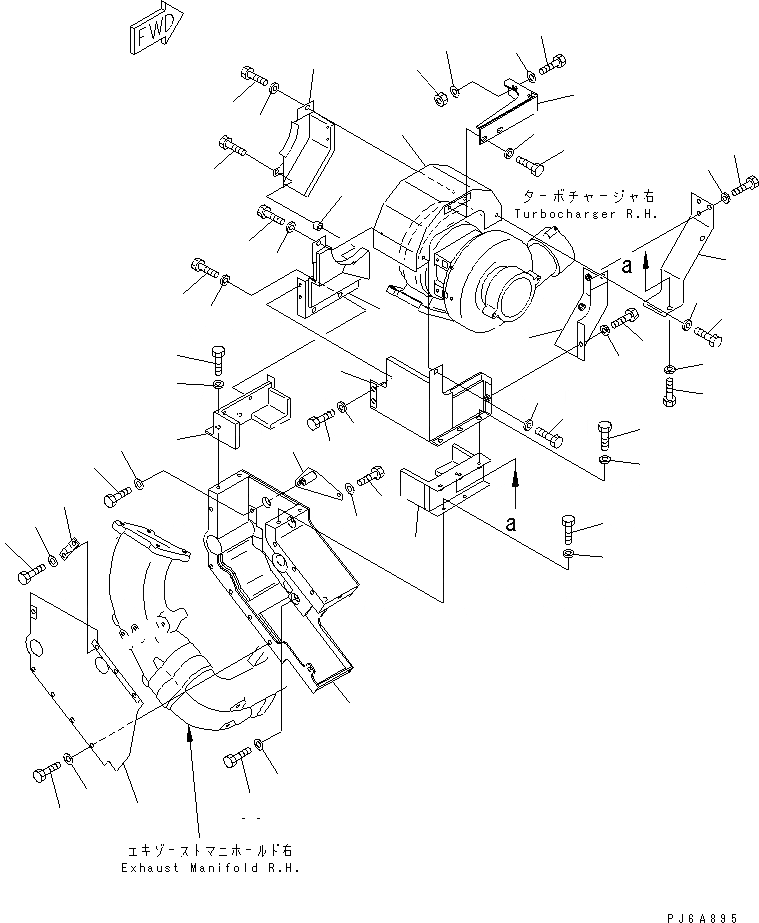
1

6166-11-7610

COVER

SN: 10193-UP

1шт.

2

6166-11-7620

COVER

SN: 10193-UP

1шт.

3

6166-11-7280

BRACKET

SN: 10193-UP

1шт.

4

6166-51-8670

STAY

SN: 10193-UP

1шт.

5

01010-E1030

BOLT

SN: 10193-UP

1шт.

6

01643-31032

WASHER

SN: 10193-UP

1шт.

7

01010-E1020

BOLT

SN: 10193-UP

11шт.

8

01010-E1025

BOLT

SN: 10193-UP

14шт.

9

6110-23-6490

SPACER

SN: 10193-UP

25шт.

10

6166-11-7690

COVER

SN: 10193-UP

1шт.

11

6166-11-7660

COVER

SN: 10193-UP

1шт.

12

6166-11-7250

COVER

SN: 10193-UP

1шт.

13

6166-11-7680

COVER

SN: 10193-UP

1шт.

14

6166-11-7190

BRACKET

SN: 10193-UP

1шт.

15

01010-81030

BOLT

SN: 10193-UP

2шт.

16

01643-31032

WASHER

SN: 10193-UP

4шт.

17

01580-11008

NUT

SN: 10193-UP

2шт.

18

6166-11-7630

COVER

SN: 10193-UP

1шт.

19

6166-11-7650

COVER

SN: 10193-UP

1шт.

20

01010-E1020

BOLT

SN: 10193-UP

1шт.

21

01643-31032

WASHER

SN: 10193-UP

1шт.

22

6166-11-7640

COVER

SN: 10193-UP

1шт.

23

01010-E1025

BOLT

SN: 10193-UP

8шт.

24

01643-31032

WASHER

SN: 10193-UP

8шт.

25

6166-11-7670

COVER

SN: 10193-UP

1шт.

26

01010-E1030

BOLT

SN: 10193-UP

1шт.

27

195-01-14540

COLLAR

SN: 10193-UP

1шт.

28

01010-E1025

BOLT

SN: 10193-UP

2шт.

29

01643-31032

WASHER

SN: 10193-UP

2шт.

30

01010-E1025

BOLT

SN: 10193-UP

4шт.

31

01643-31032

WASHER

SN: 10193-UP

4шт.

1

6166-11-7610

COVER

SN: 10193-UP

1шт.

2

6166-11-7620

COVER

SN: 10193-UP

1шт.

3

6166-11-7280

BRACKET

SN: 10193-UP

1шт.

4

6166-51-8670

STAY

SN: 10193-UP

1шт.

5

01010-E1030

BOLT

SN: 10193-UP

1шт.

6

01643-31032

WASHER

SN: 10193-UP

1шт.

7

01010-E1020

BOLT

SN: 10193-UP

11шт.

8

01010-E1025

BOLT

SN: 10193-UP

14шт.

9

6110-23-6490

SPACER

SN: 10193-UP

25шт.

10

6166-11-7690

COVER

SN: 10193-UP

1шт.

11

6166-11-7660

COVER

SN: 10193-UP

1шт.

12

6166-11-7250

COVER

SN: 10193-UP

1шт.

13

6166-11-7680

COVER

SN: 10193-UP

1шт.

14

6166-11-7190

BRACKET

SN: 10193-UP

1шт.

15

01010-81030

BOLT

SN: 10193-UP

2шт.

16

01643-31032

WASHER

SN: 10193-UP

4шт.

17

01580-11008

NUT

SN: 10193-UP

2шт.

18

6166-11-7630

COVER

SN: 10193-UP

1шт.

19

6166-11-7650

COVER

SN: 10193-UP

1шт.

20

01010-E1020

BOLT

SN: 10193-UP

1шт.

21

01643-31032

WASHER

SN: 10193-UP

1шт.

22

6166-11-7640

COVER

SN: 10193-UP

1шт.

23

01010-E1025

BOLT

SN: 10193-UP

8шт.

24

01643-31032

WASHER

SN: 10193-UP

8шт.

25

6166-11-7670

COVER

SN: 10193-UP

1шт.

26

01010-E1030

BOLT

SN: 10193-UP

1шт.

27

195-01-14540

COLLAR

SN: 10193-UP

1шт.

28

01010-E1025

BOLT

SN: 10193-UP

2шт.

29

01643-31032

WASHER

SN: 10193-UP

2шт.

30

01010-E1025

BOLT

SN: 10193-UP

4шт.

31

01643-31032

WASHER

SN: 10193-UP

4шт.

Выбрано товаров: 62