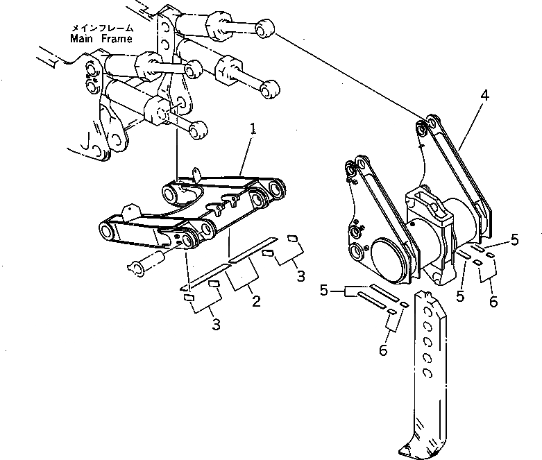
Запчасти Komatsu D575A-2 ГИГАНТСК. РЫХЛИТ (РЕГУЛИР. ТИП) (С WEAR ПЛАСТИНА)(№-) РАБОЧЕЕ ОБОРУДОВАНИЕ

Схема запчастей Komatsu D575A-2 - ГИГАНТСК. РЫХЛИТ (РЕГУЛИР. ТИП) (С WEAR ПЛАСТИНА)(№-) РАБОЧЕЕ ОБОРУДОВАНИЕ
FIT
1:1
100%

Артикул

Название

Примечание

Количество

1

19M-78-12360

ARM

SN: 10005-UP

1шт.

2

19M-78-12380

EDGE (WELDED)

SN: 10005-UP

2шт.

3

19M-78-12390

LUG (WELDED)

SN: 10005-UP

4шт.

4

19M-79-11330

BEAM

SN: 10005-UP

1шт.

5

19M-79-11340

LUG (WELDED)

SN: 10005-UP

4шт.

6

19M-21-13230

LUG (WELDED)

SN: 10005-UP

4шт.

Выбрано товаров: 0