Запчасти Komatsu D575A-2 ГИДРОТРАНСФОРМАТОР (/)¤ НАСОС TURBINE И STATOR ГТР CONVERTOR¤ ТРАНСМИССИЯ¤ РУЛЕВ. УПРАВЛЕНИЕ И КОНЕЧНАЯ ПЕРЕДАЧА

Схема запчастей Komatsu D575A-2 - ГИДРОТРАНСФОРМАТОР (/)¤ НАСОС TURBINE И STATOR ГТР CONVERTOR¤ ТРАНСМИССИЯ¤ РУЛЕВ. УПРАВЛЕНИЕ И КОНЕЧНАЯ ПЕРЕДАЧА
FIT
1:1
100%

Артикул

Название

Примечание

Количество

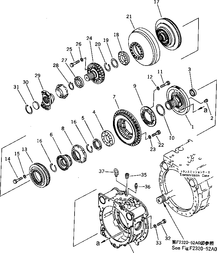
|$$1

SERIAL NO. IN ( ) INDICATES TORQUE CONVERTER SERIAL NO.

-1шт.

|$4

19M-13-11003

TORQUE CONVERTER A.

SN: 10034-UP

1шт.

|$5

0

TORQUE CONVERTER A.

SN: 10010-10033

1шт.

|$6

19M-13-00010

TORQUE CONVERTER A.

SN: 10001-10009

1шт.

|$$5

THESE ASSEMBLIES CONSIST OF ALL PARTS SHOWN IN FIGS.F2310-51A0 TO F2310-54A0.

-1шт.

|$8

19M-13-00100

SHAFT ASS'Y

SN: 10001-UP

1шт.

1

0

SHAFT

SN: 10001-UP

1шт.

2

07043-80211

PLUG

SN: 10001-UP

2шт.

3

711-23-12530

SLEEVE

SN: 10001-UP

1шт.

4

711-23-11161

BEARING,BALL

SN: 10001-UP

1шт.

5

711-28-42680

NUT

SN: 10001-UP

1шт.

6

19M-13-12121

RACE

SN: (10050)-UP

1шт.

6

19M-13-12120

RACE

SN: 10001-(10049)

1шт.

7

19M-13-11121

PUMP

SN: 10001-UP

1шт.

8

19M-13-11190

GUIDE

SN: 10001-UP

1шт.

9

19M-13-11140

RETAINER

SN: 10001-UP

1шт.

10

568-13-12710

RING,SEAL (K1)

SN: 10001-UP

1шт.

11

01010-81055

BOLT

SN: 10001-UP

12шт.

12

01643-31032

WASHER

SN: 10001-UP

12шт.

13

19M-13-12111

STATOR

SN: (10050)-UP

1шт.

13

19M-13-12110

STATOR

SN: 10001-(10049)

1шт.

14

01010-81235

BOLT

SN: 10001-UP

24шт.

15

01643-31232

WASHER

SN: 10001-UP

24шт.

16

04070-00125

RING,SNAP

SN: 10001-UP

2шт.

17

19M-13-11512

TURBINE ASS'Y

SN: (10050)-UP

1шт.

17

19M-13-11511

TURBINE ASS'Y

SN: 10001-(10049)

1шт.

18

19M-13-11562

BEARING

SN: (10070)-UP

1шт.

18

0

BEARING

SN: 10034-(10069)

1шт.

18

0

BEARING,BALL

SN: 10001-10033

1шт.

19

711-23-11770

PLATE

SN: 10001-UP

1шт.

20

04070-00110

RING,SNAP

SN: 10001-UP

1шт.

21

19M-13-11210

CASE

SN: 10001-UP

1шт.

22

01010-81035

BOLT

SN: 10001-UP

36шт.

23

01643-31032

WASHER

SN: 10001-UP

36шт.

24

19M-13-11350

SHAFT

SN: 10001-UP

1шт.

25

01010-61680

BOLT

SN: 10001-UP

16шт.

26

01643-31645

WASHER

SN: 10001-UP

16шт.

27

711-23-11240

BEARING,ROLLER

SN: 10001-UP

1шт.

28

04064-09530

RING,SNAP

SN: 10001-UP

1шт.

29

19M-13-11160

COUPLING

SN: 10001-UP

1шт.

30

711-60-11391

CAP

SN: 10001-UP

1шт.

31

04071-00120

RING,SNAP

SN: 10001-UP

1шт.

32

01010-81235

BOLT

SN: 10001-UP

17шт.

33

01643-31232

WASHER

SN: 10001-UP

17шт.

34

19M-13-13111

HOUSING

SN: 10034-UP

1шт.

34

0

HOUSING

SN: 10001-10033

1шт.

35

07043-71019

PLUG

SN: 10001-UP

1шт.

36

07042-80108

PLUG

SN: 10001-UP

1шт.

37

04530-02438

BOLT,EYE

SN: 10001-UP

1шт.

Выбрано товаров: 49