Запчасти Komatsu SA12V170-1D-A ТОПЛ. НАСОС И ВОЗДУШН. ВЕНТИЛЯЦИЯ ТРУБЫ(№97-) ДВИГАТЕЛЬ

Схема запчастей Komatsu SA12V170-1D-A - ТОПЛ. НАСОС И ВОЗДУШН. ВЕНТИЛЯЦИЯ ТРУБЫ(№97-) ДВИГАТЕЛЬ
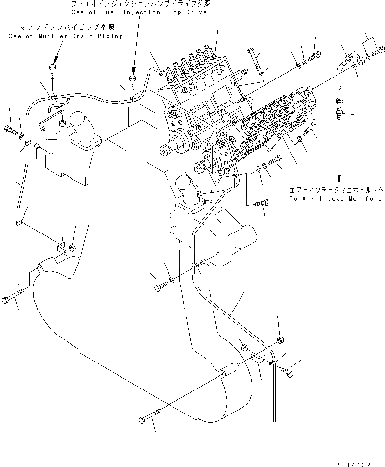
1
1
1
2
3
3
4
4
5
5
6
6
7
7
8
9
10
11
12
13
13
13
13
13
13
13
14
14
15
16
17
18
18
19
19
20
20
21
22
23
23
24
24
1
1
1
2
3
3
4
4
5
5
6
6
7
7
8
9
10
11
12
13
13
13
13
13
13
13
14
14
15
16
17
18
18
19
19
20
20
21
22
23
23
24
24
FIT
1:1
100%

Артикул

Название

Примечание

Количество

1

6166-71-1531

INJECTION PUMP ASS'Y,L.H. (SEE FIG.A4010-B8A1)

SN: 10139-UP

1шт.

1

0

INJECTION PUMP ASS'Y,L.H. (SEE FIG.A4010-B8A1)

SN: 10097-10138

1шт.

2

6166-71-1570

INJECTION PUMP ASS'Y,R.H. (SEE FIG.A4010-D8A1)

SN: 10097-UP

1шт.

3

01010-81070

BOLT

SN: 10097-UP

8шт.

4

01602-01030

WASHER,SPRING

SN: 10024-UP

8шт.

5

01643-31032

WASHER

SN: 10024-UP

8шт.

6

01010-81080

BOLT

SN: 10097-UP

4шт.

7

01602-21030

WASHER,SPRING

SN: 10097-UP

4шт.

8

6166-71-1810

HOSE,BOOST

SN: 10024-UP

1шт.

9

07214-50610

CONNECTOR

SN: 10024-UP

1шт.

10

07288-00623

HOSE,L.H.

SN: 10111-UP

1шт.

10

0

HOSE,L.H.

SN: 10024-10110

1шт.

11

07288-00617

HOSE,R.H.

SN: 10111-UP

1шт.

11

0

TUBE,R.H.

SN: 10024-10110

1шт.

12

07281-00167

CLAMP

SN: 10024-UP

2шт.

13

04434-51210

CLIP

SN: 10097-UP

8шт.

14

144-87-47470

SPACER

SN: 10097-UP

2шт.

15

01010-81045

BOLT

SN: 10024-UP

1шт.

16

01640-21016

WASHER

SN: 10024-UP

1шт.

17

6721-21-5590

BRACKET

SN: 10024-UP

1шт.

18

6931-61-9550

BRACKET

SN: 10097-UP

2шт.

19

01010-81285

BOLT

SN: 10097-UP

2шт.

20

01580-11210

NUT

SN: 10097-UP

2шт.

21

01010-80840

BOLT

SN: 10024-UP

1шт.

22

01640-20816

WASHER

SN: 10024-UP

1шт.

23

01010-81016

BOLT

SN: 10024-UP

3шт.

24

01580-11008

NUT

SN: 10024-UP

3шт.

1

6166-71-1531

INJECTION PUMP ASS'Y,L.H. (SEE FIG.A4010-B8A1)

SN: 10139-UP

1шт.

1

0

INJECTION PUMP ASS'Y,L.H. (SEE FIG.A4010-B8A1)

SN: 10097-10138

1шт.

2

6166-71-1570

INJECTION PUMP ASS'Y,R.H. (SEE FIG.A4010-D8A1)

SN: 10097-UP

1шт.

3

01010-81070

BOLT

SN: 10097-UP

8шт.

4

01602-01030

WASHER,SPRING

SN: 10024-UP

8шт.

5

01643-31032

WASHER

SN: 10024-UP

8шт.

6

01010-81080

BOLT

SN: 10097-UP

4шт.

7

01602-21030

WASHER,SPRING

SN: 10097-UP

4шт.

8

6166-71-1810

HOSE,BOOST

SN: 10024-UP

1шт.

9

07214-50610

CONNECTOR

SN: 10024-UP

1шт.

10

07288-00623

HOSE,L.H.

SN: 10111-UP

1шт.

10

0

HOSE,L.H.

SN: 10024-10110

1шт.

11

07288-00617

HOSE,R.H.

SN: 10111-UP

1шт.

11

0

TUBE,R.H.

SN: 10024-10110

1шт.

12

07281-00167

CLAMP

SN: 10024-UP

2шт.

13

04434-51210

CLIP

SN: 10097-UP

8шт.

14

144-87-47470

SPACER

SN: 10097-UP

2шт.

15

01010-81045

BOLT

SN: 10024-UP

1шт.

16

01640-21016

WASHER

SN: 10024-UP

1шт.

17

6721-21-5590

BRACKET

SN: 10024-UP

1шт.

18

6931-61-9550

BRACKET

SN: 10097-UP

2шт.

19

01010-81285

BOLT

SN: 10097-UP

2шт.

20

01580-11210

NUT

SN: 10097-UP

2шт.

21

01010-80840

BOLT

SN: 10024-UP

1шт.

22

01640-20816

WASHER

SN: 10024-UP

1шт.

23

01010-81016

BOLT

SN: 10024-UP

3шт.

24

01580-11008

NUT

SN: 10024-UP

3шт.

Выбрано товаров: 0